هذا المنتج عبارة عن نموذج متوازي رباعي صغير قابل للتوصيل-وحدة بصرية مزدوجة الكثافة (من). يوفر زيادة كثافة المنفذ ووفورات في تكاليف النظام الإجمالية.
هذا المنتج عبارة عن نموذج متوازي رباعي صغير قابل للتوصيل-وحدة بصرية مزدوجة الكثافة (من). يوفر زيادة كثافة المنفذ ووفورات في تكاليف النظام الإجمالية. توفر الوحدة النمطية الكاملة المزدوجة 8 قنوات مستقلة للإرسال والإرسال ، كل منها قادرة على التشغيل من من من أجل معدل إجمالي البيانات من من من من من الألياف متعددة الأوضاع أو على متر أو أو 3. يمكن توصيل كابل الألياف الضوئية MTP/، بموصل وحدة SR8. يتم ضمان المحاذاة الصحيحة بواسطة دبابيس التوجيه داخل الوعاء. لا يمكن ثني الكبل عادةً من أجل محاذاة القناة المناسبة إلى القناة. يتم التوصيل الكهربائي من خلال موصل حافة من نوع MSA. الأطوال الموجية المركزية لجميع الحارات المتوازية الثمانية هي 850 نانومتر. يحتوي على موصل بصري للواجهة البصرية وموصل 60-دبوس للواجهة الكهربائية. مطلوب FEC المضيف لدعم ما يصل إلى 70m OM3 انتقال الألياف متعددة الأوضاع. تم تصميم المنتج بعامل شكل واتصال بصري/كهربائي وواجهة تشخيص رقمية وفقًا لاتفاقية متعددة المصادر (MSA) النوع 2. تم تصميمه لتلبية أقسى ظروف التشغيل الخارجية بما في ذلك درجة الحرارة والرطوبة وتداخل EMI.
الميزات
● ، متوافقة مع MSA
● 8 حارات متوازية على طول موجي مركز 850 نانومتر
● متوافقة مع مواصفات iee 802.3bs
● حتى عرض m على الألياف متعددة الأوضاع (MMF) OM3 مع FEC
● درجة حرارة حالة التشغيل: 0 إلى 70oC
● الواجهة الكهربائية 8x53. من الخارج (400gau-8)
● معدل البيانات ، Gbps (PAM4) لكل قناة.
● الحد الأقصى لاستهلاك الطاقة 12W
● الموصل
● بنفايات متوافقة
مخطط كتلة الإرسال
الشكل 1. مخطط كتلة الإرسال
واجهة بصرية وتعيين دبوس
يظهر الدبوس الكهربائي للنموذج كما هو الشكل 2. ويبين الشكل 3 الواجهة البصرية للنموذج.
الشكل 2. موصل متوافق مع MSA

الشكل 3. واجهة الموصل البصري
تعريف دبوس
دبوس | المنطق | رمز | ديون | تسلسل القابس |
1 | GN | أرضي | 1 ب | |
2 | CML-I | Tx2n | إدخال بيانات مقلوب للمرسل | 3B |
3 | CML-I | Tx2p | جهاز إرسال إدخال بيانات غير مقلوب | 3B |
4 | GN | أرضي | 1 ب | |
5 | CML-I | Tx4n | إدخال بيانات مقلوب للمرسل | 3B |
6 | CML-I | X4p | جهاز إرسال إدخال بيانات غير مقلوب | 3B |
7 | GN | أرضي | 1 ب | |
8 | LVTTL-I | مودسيل | تحديد الوحدة النمطية | 3B |
9 | LVTTL-I | ريستل | إعادة ضبط الوحدة | 3B |
10 | VccRx | استقبال امدادات الطاقة V | 2B | |
11 | LVCMOS- ط/س | SCL | ساعة واجهة تسلسلية بسلك 2 | 3B |
12 | LVCMOS- ط/س | سدا | بيانات الواجهة التسلسلية 2-سلك | 3B |
13 | GN | أرضي | 1 ب | |
14 | CML-O | Rx3p | جهاز استقبال إخراج بيانات غير مقلوب | 3B |
15 | CML-O | Rx3n | مخرج بيانات مقلوب للمستلم | 3B |
16 | GN | أرضي | 1 ب | |
17 | CML-O | Rx1p | جهاز استقبال إخراج بيانات غير مقلوب | 3B |
18 | CML-O | Rx1n | مخرج بيانات مقلوب للمستلم | 3B |
19 | GN | أرضي | 1 ب | |
20 | GN | أرضي | 1 ب | |
21 | CML-O | Rx2n | مخرج بيانات مقلوب للمستلم | 3B |
22 | CML-O | Rx2p | جهاز استقبال إخراج بيانات غير مقلوب | 3B |
23 | GN | أرضي | 1 ب | |
24 | CML-O | Rx4n | مخرج بيانات مقلوب للمستلم | 3B |
25 | CML-O | Rx4p | جهاز استقبال إخراج بيانات غير مقلوب | 3B |
26 | GN | أرضي | 1 ب | |
27 | LVTTL-O | مودرسل | وحدة الحاضر | 3B |
28 | LVTTL-O | IntL | المقاطعة | 3B |
29 | فكتكس | سينج V الارسال امدادات الطاقة | 2B | |
30 | Vcc1 | امدادات الطاقة ODV V | 2B | |
31 | LVTTL-I | InitMode | وضع التهيئة. في تطبيقات QSFP القديمة ، وضع InitMode لوحة تسمى LPMODE | 3B |
32 | GN | أرضي | 1 ب | |
33 | CML-I | Tx3p | جهاز إرسال إدخال بيانات غير مقلوب | 3B |
34 | CML-I | Tx3n | إدخال بيانات مقلوب للمرسل | 3B |
35 | GN | أرضي | 1 ب | |
36 | CML-I | Tx1p | جهاز إرسال إدخال بيانات غير مقلوب | 3B |
37 | CML-I | Tx1n | إدخال بيانات مقلوب للمرسل | 3B |
38 | GN | أرضي | 1 ب | |
39 | GN | أرضي | 1 أ | |
40 | CML-I | Tx6n | إدخال بيانات مقلوب للمرسل | 3A |
41 | CML-I | Tx6p | جهاز إرسال إدخال بيانات غير مقلوب | 3A |
42 | GN | أرضي | 1 أ | |
43 | CML-I | Tx8n | إدخال بيانات مقلوب للمرسل | 3A |
44 | CML-I | Tx8p | جهاز إرسال إدخال بيانات غير مقلوب | 3A |
45 | GN | أرضي | 1 أ | |
46 | محجوز | للاستخدام في المستقبل | 3A | |
47 | VS1 | وحدة بائع محددة 1 | 3A | |
48 | VccRx1 | امدادات الطاقة ODV V | 2A | |
49 | VS2 | وحدة بائع محددة 2 | 3A | |
50 | VS3 | وحدة بائع محددة 3 | 3A | |
51 | GN | أرضي | 1 أ | |
52 | CML-O | Rx7p | جهاز استقبال إخراج بيانات غير مقلوب | 3A |
53 | CML-O | Rx7n | مخرج بيانات مقلوب للمستلم | 3A |
54 | GN | أرضي | 1 أ | |
55 | CML-O | Rx5p | جهاز استقبال إخراج بيانات غير مقلوب | 3A |
56 | CML-O | Rx5n | مخرج بيانات مقلوب للمستلم | 3A |
57 | GN | أرضي | 1 أ | |
58 | GN | أرضي | 1 أ | |
59 | CML-O | Rx6n | مخرج بيانات مقلوب للمستلم | 3A |
60 | CML-O | Rx6p | جهاز استقبال إخراج بيانات غير مقلوب | 3A |
61 | GN | أرضي | 1 أ | |
62 | CML-O | Rx8n | مخرج بيانات مقلوب للمستلم | 3A |
63 | CML-O | Rx8p | جهاز استقبال إخراج بيانات غير مقلوب | 3A |
64 | GN | أرضي | 1 أ | |
65 | نورث كارولاينا | لا اتصال | 3A | |
66 | محجوز | للاستخدام في المستقبل | 3A | |
67 | VccTx1 | امدادات الطاقة ODV V | 2A | |
68 | Vcc2 | امدادات الطاقة ODV V | 2A | |
69 | محجوز | للاستخدام في المستقبل | 3A | |
70 | GN | أرضي | 1 أ | |
71 | CML-I | Tx7p | جهاز إرسال إدخال بيانات غير مقلوب | 3A |
72 | CML-I | Tx7n | إدخال بيانات مقلوب للمرسل | 3A |
73 | GN | أرضي | 1 أ | |
74 | CML-I | Tx5p | جهاز إرسال إدخال بيانات غير مقلوب | 3A |
75 | CML-I | Tx5n | إدخال بيانات مقلوب للمرسل | 3A |
76 | GN | أرضي | 1 أ |
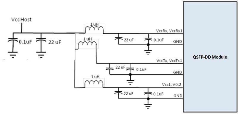
مرشح مزود طاقة موصى به

الشكل 4. مرشح تزويد الطاقة الموصى به
التقييمات القصوى المطلقة
تجدر الإشارة إلى أن العملية التي تتجاوز أي تقييمات قصوى مطلقة فردية قد تسبب ضررًا دائمًا لهذه الوحدة.
| المعلَمة | رمز | دقيقة | ماكس | وحدات | ملاحظات |
| درجة حرارة التخزين | TS | -40 | 85 | ديغك | |
| درجة حرارة حالة التشغيل | أعلى | 0 | 70 | ديغك | |
| الجهد امدادات الطاقة | VCC | -تقييم | 3.6 | V | |
الرطوبة النسبية (بدون تكاثف) | RH | 0 | 85 | % |
ظروف التشغيل ومتطلبات إمدادات الطاقة الموصى بها
| المعلَمة | رمز | دقيقة | نموذجي | ماكس | وحدات | ملاحظات |
| درجة حرارة حالة التشغيل | أعلى | 0 | 70 | ديغك | ||
| الجهد امدادات الطاقة | VCC | 3.135 | 3.3 | 3.465 | V | |
| معدل البيانات ، كل حارة | 26.5625 | جيجابايت | بام 4 | |||
| دقة معدل البيانات | -من | 100 | جزء | |||
| نسبة الخطأ بت ما قبل FEC | 2.4x10-4 | |||||
| نسبة خطأ بت ما بعد FEC | 1x10-12 | 1 | ||||
| مسافة الارتباط مع OM3 | د | 0.5 | 100 | م | 2 |
ملاحظات:
1. FEC المقدمة من النظام المضيف.
2. FEC مطلوب على النظام المضيف لدعم أقصى مسافة.
الخصائص الكهربائية
يتم تعريف الخصائص الكهربائية التالية على بيئة التشغيل الموصى بها ما لم يتم تحديد خلاف ذلك.
| المعلَمة | اختبار | دقيقة | نموذجي | ماكس | وحدات | ملاحظات | |||||||
| نقطة | |||||||||||||
| استهلاك الطاقة | 12 | ث | |||||||||||
| العرض الحالي | Icc | 3.63 | أ | ||||||||||
| جهاز إرسال (كل ممر) | |||||||||||||
| معدل الإشارة ، كل ممر | TP1 | ± جزء في المليون | جيجابايت | ||||||||||
Pk-pk تفاضلي مساهمة الجهد التسامح | TP1a | 900 | MVpp | 1 | |||||||||
الإنهاء التفاضلي غير متطابقة | TP1 | 10 | % | ||||||||||
| وسي-- | |||||||||||||
مدخل تفاضلي خسارة الإرجاع | TP1 | 2015 | ديسيبل | ||||||||||
| المعادلة | |||||||||||||
| -8.30 هـ-04 | |||||||||||||
| وسي-- | |||||||||||||
التفاضلية إلى المشتركة فقدان إرجاع الإدخال في الوضع | TP1 | 2015 | ديسيبل | ||||||||||
| المعادلة | |||||||||||||
| -8.30 ه-05 | |||||||||||||
| وحدة أكد اختبار المدخلات | TP1a | انظر iee 802.3bs 120.3.4.1 | 2 | ||||||||||
الجهد أحادي الطرف نطاق التسامح (دقيقة) | TP1a | من من من من من من | V | ||||||||||
وضع مشترك العاصمة جهد الإدخال | TP1 | -من | 2850 | MV | 3 | ||||||||
| جهاز استقبال (كل مسار) | |||||||||||||
إشارات معدل ، كل ممر | TP4 | ± جزء في المليون | جيجابايت | ||||||||||
تفاضلية الذروة إلى الذروة الجهد الناتج | TP4 | 900 | MVpp | ||||||||||
تيار متردد مشترك إخراج الوضع الجهد ، RMS | TP4 | 17.5 | MV | ||||||||||
تفاضلية إنهاء غير متطابقة | TP4 | 10 | % | ||||||||||
| وسي-- | |||||||||||||
تفاضلية الإخراج إرجاع خسارة | TP4 | 2015 | |||||||||||
| المعادلة | |||||||||||||
| -8.30 ه-01 | |||||||||||||
| وسي-- | |||||||||||||
مشترك إلى تفاضلية الوضع تحويل خسارة الإرجاع | TP4 | 2015 | |||||||||||
| المعادلة | |||||||||||||
| -8.30 ه-02 | |||||||||||||
الانتقال الوقت ، 20% إلى 80% | TP4 | 9.5 | Ps | ||||||||||
قرب النهاية عين التماثل قناع | TP4 | 0.265 | UI | ||||||||||
| عرض (ESMW) | |||||||||||||
قرب النهاية ارتفاع العين ، | TP4 | 70 | MV | ||||||||||
| تفاضلية | |||||||||||||
نهاية بعيدة عين التماثل قناع | TP4 | 0.2 | UI | ||||||||||
| عرض (ESMW) | |||||||||||||
نهاية بعيدة عين ارتفاع ، تفاضلية | TP4 | 30 | MV | ||||||||||
نهاية بعيدة قبل المؤشر نسبة ISI | TP4 | -Ww | 2.5 | % | |||||||||
مشترك الوضع الإخراج الجهد (Vcm) | TP4 | -من | 2850 | MV | 3 | ||||||||
ملاحظات:
1. باستثناء iee 802.3bs 120.3.1.2 أن النمط PRBS31Q أو الخمول.
2. يلتقي بير المحدد في IEEE 802.3bs 120.1.1.
جهد الوضع الشائع 3. DC الذي تم إنشاؤه بواسطة المضيف. تشمل المواصفات آثار جهد الإزاحة الأرضي.
الخصائص البصرية
| المعلَمة | رمز | دقيقة | نموذجي | ماكس | وحدات | ملاحظات |
| مرسل | ||||||
| الطول الموجي المركزي | Λc | 840 | 850 | 860 | نانومتر | |
| معدل البيانات ، كل حارة | ± جزء في المليون | جيجابايت | ||||
| تنسيق التعديل | بام 4 | |||||
| عرض الطيف RMS | * Λrms | 0.6 | نانومتر | تعديل | ||
متوسط الإطلاق قوة ، كل ممر | خنزير | -من | 4 | ديسيبل | 1 | |
| تعديل بصري خارجي | ||||||
السعة (OMAouter) ، كل ممر | بوما | -تاج | 3 | ديسيبل | 2 | |
إطلاق الطاقة في أوماوتر ناقص TDECQ ، كل حارة | -سق | ديسيبل | ||||
الارسال و عين متبعدة مكثف ل PAM4 ، كل حارة | ||||||
| TDECQ | 4.5 | ديسيبل | ||||
| نسبة الانقراض | ER | 3 | ديسيبل | |||
| فقدان العودة البصرية | تول | 12 | ديسيبل | |||
| التسامح | ||||||
متوسط قوة الإطلاق جهاز إرسال خارج كل ممر | بوف | -30 | ديسيبل | |||
| تدفق مطوق | ≥ من من 19 ميكرون | |||||
| ≤ من من من من ؟ | ||||||
| جهاز استقبال | ||||||
| الطول الموجي المركزي | Λc | 840 | 850 | 860 | نانومتر | |
| معدل البيانات ، كل حارة | ± جزء في المليون | جيجابايت | ||||
| تنسيق التعديل | بام 4 | |||||
| عتبة الضرر ، كل ممر | THd | 5 | ديسيبل | 3 | ||
| متوسط القدرة على استلام ، كل منهما | -من | 4 | ديسيبل | 4 | ||
| ممر | ||||||
استلام الطاقة (OMAouter) ، كل حارة | 3 | ديسيبل | ||||
| حساسية جهاز الاستقبال | سين | -من | ديسيبل | 5 | ||
| (OMAouter) ، كل حارة | ||||||
| حساسية جهاز الاستقبال المجهدة | خروس | -3 | ديسيبل | 6 | ||
| (OMAouter) ، كل حارة | ||||||
| انعكاس جهاز استقبال | آر آر | -12 | ديسيبل | |||
| لوس تأكيد | لوسا | -30 | ديسيبل | |||
| لوس دي-سيريس | لوسد | -12 | ديسيبل | |||
| لوس التباطؤ | لوش | 0.5 | ديسيبل | |||
ظروف الإجهاد المجهدة حساسية جهاز الاستقبال (الملاحظة 7) | ||||||
إغلاق العين أكد ل PAM4 (SECQ) ، المسار قيد الاختبار | 4 | ديسيبل | ||||
| أوماوتر من كل ممر معتدي | 3 | ديسيبل | ||||
ملاحظات:
1. متوسط قوة الإطلاق ، كل مسار (دقيقة) غني بالمعلومات وليس المؤشر الرئيسي لقوة الإشارة.
جهاز إرسال بقوة إطلاق أقل من هذه القيمة لا يمكن أن يكون متوافقًا ؛ ومع ذلك ،
قيمة أعلى من هذا لا تضمن الامتثال.
2. حتى لو كان TDECQ أقل من 1 ديسيبل ، يجب أن يتجاوز OMAouter (دقيقة) الحد الأدنى للقيمة المحددة هنا.
3. يجب أن يكون المتلقي قادرًا على تحمل ، دون ضرر ، التعرض المستمر لإشارة دخل بصري لها مستوى طاقة متوسط هذا.
4. متوسط طاقة الاستقبال ، كل مسار (دقيقة) غني بالمعلومات وليس المؤشر الرئيسي لقوة الإشارة. لا يمكن أن تكون القوة المستلمة أقل من هذه القيمة متوافقة ؛
ومع ذلك ، فإن قيمة أعلى من هذا لا تضمن الامتثال.
5. حساسية المتلقي OMAouter ، كل حارة (الحد الأقصى) هو بالمعلومات ويتم تعريفه لبر 2.4x10-4.
6. تقاس بإشارة اختبار المطابقة عند إدخال جهاز الاستقبال لبر 2.4x10-4.
7. شروط الاختبار هذه لقياس حساسية المستقبل المجهدة. فهي ليست من الخصائص الخاصة بجهاز الاستقبال.
وظائف التشخيص الرقمية
يتم تعريف الخصائص التشخيصية الرقمية التالية على ظروف التشغيل العادية ما لم ينص على خلاف ذلك.
| المعلَمة | رمز | دقيقة | ماكس | وحدات | ملاحظات |
شاشات درجة الحرارة خطأ مطلق | فوق نطاق درجة حرارة التشغيل | ||||
| Dmi-temp | -3 | 3 | ديغك | ||
| مراقبة الجهد العرض | DMI _ VCC | -تقييم | 0.1 | V | فوق التشغيل الكامل |
| خطأ مطلق | النطاق | ||||
قناة RX السلطة مراقب خطأ مطلق | |||||
| Dmi-rxych | -2 | 2 | ديسيبل | 1 | |
| قناة التحيز الحالي | Dmiebiasch | -تقييم | 10% | أماه | |
| شاشة | |||||
| قناة TX السلطة | Dmi-txych | -2 | 2 | ديسيبل | 1 |
| رصد خطأ مطلق |
ملاحظات:
1. بسبب دقة القياس للألياف المختلفة ، يمكن أن يكون هناك تذبذب إضافي +/-1 ديسيبل ، أو دقة كلية +/- 3 ديسيبل.
رسم مخطط (مم)

التطبيقات
● ربط مركز البيانات
● ○ ز إيثرنت
● وصلات إنفينباند
● الربط الشبكي بين المؤسسات
| Date | Version | Description | Download | ||
| 2025-03-17 | بيانات _ 400g SR8 850nm 100 m-la-400g-sr8 | ||||
اشترك الآن ، يمكنك الحصول على الموارد القيمة والأوراق البيضاء.
تابعنا أيضا يمكن الحصول على أحدث المنتجات ومعلومات الصناعة في رسائل البريد الإلكتروني لأعضائنا.تعلم التفاصيل ، مجموعة
اتصل بنا:
البريد الإلكتروني لنا:
2106B ، # 3D ، المتربة 1 من منتزه السعودية ، بانتينة ، لندن ، شنان ، P.R.C