هذا المنتج عبارة عن وحدة جهاز إرسال/جهاز إرسال/إرسال/جهاز إرسال/جهاز إرسال/جهاز إرسال/إرسال التصميم متوافق مع معيار IEEE802.3bs 200 gbase.lr4.
هذا المنتج عبارة عن وحدة جهاز إرسال/جهاز إرسال/إرسال/جهاز إرسال/جهاز إرسال/جهاز إرسال/إرسال التصميم متوافق مع معيار IEEE802.3bs 200 gbase.lr4. لواجهة 200-8 ، تقوم الوحدة بتحويل 8 قنوات إدخال (ch) من 25 بيانات كهربائية إلى 4 قنوات من إشارات LWDM الضوئية ، وتتعدد الإرسال في قناة واحدة من أجل الإرسال البصري. بشكل عكسي ، على جانب المستقبِل ، الوحدة النمطية بصريا de-multiexes a (PAM4) مدخل إلى 4 قنوات LWDM للإشارات ، وتحولها إلى بيانات خرج كهربائية لـ 8 قنوات. لواجهة 200i-4 ، تقوم الوحدة بتحويل 4 قنوات إدخال (ch) من 50 بيانات كهربائية إلى 4 قنوات لإشارات LWDM الضوئية ، وتتعدد الإرسال في قناة واحدة من أجل الإرسال البصري. بشكل عكسي ، على جانب المستقبل ، وحدة إزالة تعدد الإرسال optically a (PAM4) مدخل إلى 4 قنوات LWDM للإشارات ، وتحولها إلى 4 قنوات لإخراج البيانات الكهربائية. الأطوال الموجية المركزية للقنوات الأربعة LWDM. يحتوي على موصل LC مزدوج للواجهة البصرية وموصل 76-دبوس للواجهة الكهربائية. لتقليل التشتت البصري في نظام المسافات الطويلة ، يجب تطبيق الألياف أحادية النمط (SMF) في هذه الوحدة. المضيف FEC المطلوب لدعم ما يصل إلى 10 ، هو انتقال الألياف. تم تصميم المنتج بعامل شكل واتصال بصري/كهربائي وواجهة تشخيص رقمية وفقًا لاتفاق متعدد المصادر (MSA). لقد تم تصميمه لتلبية أقسى ظروف التشغيل الخارجية بما في ذلك درجة الحرارة والرطوبة وتداخل EMI.
الميزات
● متوافق مع IEEE802.3bs
● ، متوافقة مع MSA
● 4 LWDM lanes MUX/DEMUX تصميم
● يدعم!! معدل البتات الكلي
● ما يصل إلى 10 انتقال على الألياف أحادية الوضع (SMF) مع FEC
● درجة حرارة حالة التشغيل: 0 إلى 70oC
● واجهة كهربائية 200gaus- 8 و 200gaش-4
● الحد الأقصى لاستهلاك الطاقة
● موصل مزدوج LC
● بنفايات متوافقة
مخطط كتلة الإرسال
لـ 200gau.1 8

لـ 200gauي-4

الشكل 1. مخطط كتلة الإرسال
تعيين دبوس و ديون

الشكل 2. موصل متوافق مع MSA
تعريف دبوس
دبوس | المنطق | رمز | ديون | تسلسل القابس | ملاحظات |
1 | GN | أرضي | 1 ب | 1 | |
2 | CML-I | Tx2n | إدخال بيانات مقلوب للمرسل | 3B | |
3 | CML-I | Tx2p | جهاز إرسال إدخال بيانات غير مقلوب | 3B | |
4 | GN | أرضي | 1 ب | 1 | |
5 | CML-I | Tx4n | إدخال بيانات مقلوب للمرسل | 3B | |
6 | CML-I | X4p | جهاز إرسال إدخال بيانات غير مقلوب | 3B | |
7 | GN | أرضي | 1 ب | 1 | |
8 | LVTTL-I | مودسيل | تحديد الوحدة النمطية | 3B | |
9 | LVTTL-I | ريستل | إعادة ضبط الوحدة | 3B | |
10 | VccRx | استقبال امدادات الطاقة V | 2B | 2 | |
11 | LVCMOS- ط/س | SCL | ساعة واجهة تسلسلية بسلك 2 | 3B | |
12 | LVCMOS- ط/س | سدا | بيانات الواجهة التسلسلية 2-سلك | 3B | |
13 | GN | أرضي | 1 ب | 1 | |
14 | CML-O | Rx3p | جهاز استقبال إخراج بيانات غير مقلوب | 3B | |
15 | CML-O | Rx3n | مخرج بيانات مقلوب للمستلم | 3B | |
16 | GN | أرضي | 1 ب | 1 | |
17 | CML-O | Rx1p | جهاز استقبال إخراج بيانات غير مقلوب | 3B | |
18 | CML-O | Rx1n | مخرج بيانات مقلوب للمستلم | 3B | |
19 | GN | أرضي | 1 ب | 1 | |
20 | GN | أرضي | 1 ب | 1 | |
21 | CML-O | Rx2n | مخرج بيانات مقلوب للمستلم | 3B | |
22 | CML-O | Rx2p | جهاز استقبال إخراج بيانات غير مقلوب | 3B | |
23 | GN | أرضي | 1 ب | 1 | |
24 | CML-O | Rx4n | مخرج بيانات مقلوب للمستلم | 3B | |
25 | CML-O | Rx4p | جهاز استقبال إخراج بيانات غير مقلوب | 3B | |
26 | GN | أرضي | 1 ب | 1 | |
27 | LVTTL-O | مودرسل | وحدة الحاضر | 3B | |
28 | LVTTL-O | IntL | المقاطعة | 3B | |
29 | فكتكس | سينج V الارسال امدادات الطاقة | 2B | 2 | |
30 | Vcc1 | امدادات الطاقة ODV V | 2B | 2 | |
31 | LVTTL-I | InitMode | وضع التهيئة. في تطبيقات QSFP القديمة ، لوحة InitMode هي يسمى LPMODE | 3B | |
32 | GN | أرضي | 1 ب | 1 | |
33 | CML-I | Tx3p | جهاز إرسال إدخال بيانات غير مقلوب | 3B | |
34 | CML-I | Tx3n | إدخال بيانات مقلوب للمرسل | 3B | |
35 | GN | أرضي | 1 ب | 1 | |
36 | CML-I | Tx1p | جهاز إرسال إدخال بيانات غير مقلوب | 3B | |
37 | CML-I | Tx1n | إدخال بيانات مقلوب للمرسل | 3B | |
38 | GN | أرضي | 1 ب | 1 | |
39 | GN | أرضي | 1 أ | 1 | |
40 | CML-I | Tx6n | إدخال بيانات مقلوب للمرسل | 3A | |
41 | CML-I | Tx6p | جهاز إرسال إدخال بيانات غير مقلوب | 3A | |
42 | GN | أرضي | 1 أ | 1 | |
43 | CML-I | Tx8n | إدخال بيانات مقلوب للمرسل | 3A | |
44 | CML-I | Tx8p | جهاز إرسال إدخال بيانات غير مقلوب | 3A | |
45 | GN | أرضي | 1 أ | 1 | |
46 | محجوز | للاستخدام في المستقبل | 3A | 3 | |
47 | VS1 | وحدة بائع محددة 1 | 3A | 3 | |
48 | VccRx1 | امدادات الطاقة ODV V | 2A | 2 | |
49 | VS2 | وحدة بائع محددة 2 | 3A | 3 | |
50 | VS3 | وحدة بائع محددة 3 | 3A | 3 | |
51 | GN | أرضي | 1 أ | 1 | |
52 | CML-O | Rx7p | جهاز استقبال إخراج بيانات غير مقلوب | 3A | |
53 | CML-O | Rx7n | مخرج بيانات مقلوب للمستلم | 3A | |
54 | GN | أرضي | 1 أ | 1 | |
55 | CML-O | Rx5p | جهاز استقبال إخراج بيانات غير مقلوب | 3A | |
56 | CML-O | Rx5n | مخرج بيانات مقلوب للمستلم | 3A | |
57 | GN | أرضي | 1 أ | 1 | |
58 | GN | أرضي | 1 أ | 1 | |
59 | CML-O | Rx6n | مخرج بيانات مقلوب للمستلم | 3A | |
60 | CML-O | Rx6p | جهاز استقبال إخراج بيانات غير مقلوب | 3A | |
61 | GN | أرضي | 1 أ | 1 | |
62 | CML-O | Rx8n | مخرج بيانات مقلوب للمستلم | 3A | |
63 | CML-O | Rx8p | جهاز استقبال إخراج بيانات غير مقلوب | 3A | |
64 | GN | أرضي | 1 أ | 1 | |
65 | نورث كارولاينا | لا اتصال | 3A | 3 | |
66 | محجوز | للاستخدام في المستقبل | 3A | 3 | |
67 | VccTx1 | امدادات الطاقة ODV V | 2A | 2 | |
68 | Vcc2 | امدادات الطاقة ODV V | 2A | 2 | |
69 | محجوز | للاستخدام في المستقبل | 3A | 3 | |
70 | GN | أرضي | 1 أ | 1 | |
71 | CML-I | Tx7p | جهاز إرسال إدخال بيانات غير مقلوب | 3A | |
72 | CML-I | Tx7n | إدخال بيانات مقلوب للمرسل | 3A | |
73 | GN | أرضي | 1 أ | 1 | |
74 | CML-I | Tx5p | جهاز إرسال إدخال بيانات غير مقلوب | 3A | |
75 | CML-I | Tx5n | إدخال بيانات مقلوب للمرسل | 3A | |
76 | GN | أرضي | 1 أ | 1 |
ملاحظات:
1. GND هو رمز الإشارة والإمداد (الطاقة) الشائع في الوحدات النمطية. كلها شائعة داخل الوحدة النمطية ويتم الرجوع إليها جميع فولتية الوحدة النمطية إلى هذه الإمكانية ما لم يذكر خلاف ذلك. ربط هذه مباشرة إلى إشارة مجلس المضيف الطائرة الأرضية المشتركة.
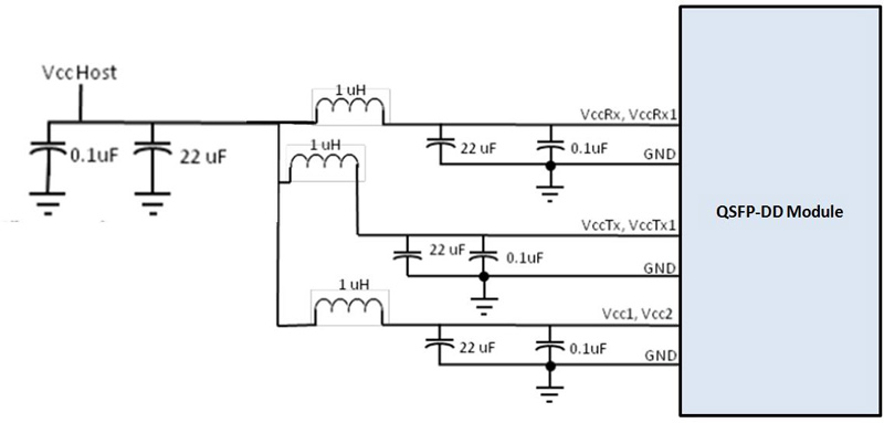
2. VccRx و Vcc1 و VccTx هم موردو طاقة الاستقبال والإرسال ويجب تطبيقها في وقت واحد. مرشح تزويد الطاقة الموصى به للوحة المضيفة موضح في الشكل 3 أدناه. قد تكون Vcc Rx ، Vcc1 و Vcc Tx متصلة داخليًا داخل وحدة جهاز الإرسال والاستقبال في أي مجموعة. يتم تصنيف كل دبابيس الموصل لتيار أقصى 1000mA.
مرشح مزود طاقة موصى به

الشكل 3. مرشح تزويد الطاقة الموصى به
التقييمات القصوى المطلقة
تجدر الإشارة إلى أن العملية التي تتجاوز أي تقييمات قصوى مطلقة فردية قد تسبب ضررًا دائمًا لهذه الوحدة.
المعلَمة | رمز | دقيقة | ماكس | وحدات | ملاحظات |
درجة حرارة التخزين | TS | -40 | 85 | ديغك | |
درجة حرارة حالة التشغيل | أعلى | 0 | 70 | ديغك | |
الجهد امدادات الطاقة | VCC | -تقييم | 3.6 | V | |
الرطوبة النسبية (بدون تكاثف) | RH | 0 | 85 | % | |
عتبة الضرر ، كل ممر | THd | 3.5 | ديسيبل |
ظروف التشغيل ومتطلبات إمدادات الطاقة الموصى بها
المعلَمة | رمز | دقيقة | نموذجي | ماكس | وحدات | ملاحظات |
حقيبة تشغيل درجة الحرارة | أعلى | 0 | 70 | ديغك | ||
مزود طاقة الجهد | VCC | 3.135 | 3.3 | 3.465 | V | |
معدل البيانات ، كل ممر | 26.5625 | جيجابايت | ||||
53.125 | جيجابايت/ثانية | |||||
دقة معدل البيانات | -من | 100 | جزء | |||
نسبة الخطأ بت ما قبل FEC | 2.4x10-4 | |||||
نسبة خطأ بت ما بعد FEC | 1x10-12 | 1 | ||||
التحكم في المدخلات الجهد العالي | 2 | Vcc | V | |||
التحكم في المدخلات الجهد المنخفض | 0 | 0.8 | V | |||
مسافة الارتباط مع G.652 | د | 0.002 | 10 | كم | 2 |
ملاحظات:
1. FEC المقدمة من النظام المضيف.
2. FEC مطلوب على النظام المضيف لدعم أقصى مسافة.
الخصائص الكهربائية
يتم تعريف الخصائص الكهربائية التالية على بيئة التشغيل الموصى بها ما لم يتم تحديد خلاف ذلك.
200ga6-8 الخصائص الكهربائية
المعلَمة | رمز | دقيقة | نموذجي | ماكس | وحدات | ملاحظات | ||
استهلاك الطاقة | 10.8 | ث | ||||||
العرض الحالي | Icc | 3258 | أماه | |||||
جهاز إرسال (كل ممر) | ||||||||
معدل الإشارة لكل حارة (200 قاعدة-lr4) | ± 100ppm | جيجابايت | ||||||
جهد الخرج التفاضلي من الذروة إلى الذروة | 900 | Mv | ||||||
وضع مشترك للتيار المتردد الجهد الناتج | رمس مع احترام للإشارة إلى الأرض | MV | ||||||
خسارة إرجاع الناتج التفاضلي | يفي بقيود المعادلة (120D-2) | |||||||
مقاومة مرجعية لفقدان عائد الخرج | 100 | أوم | ||||||
مشترك إلى تفاضلي تحويل الوضع | زين | يفي بقيود المعادلة (83E-3) | ||||||
عدم تطابق الإنهاء التفاضلي | أقل من السادة | |||||||
وقت الانتقال | أكبر من أو يساوي 12 ps | |||||||
عرض العين | 0.57 | UI | ||||||
ارتفاع العين | 228 | MV | ||||||
مصدر التداخل | مصدر متداخل غير متداخل باستخدام النمط 5 أو النمط 3 أو إشارة 200 gbas-r صالحة | |||||||
إغلاق العين العمودي | 5.5 | ديسيبل | ||||||
جهاز استقبال (كل مسار) | ||||||||
جهد خرج أحادي الطرف | -تج | 3.3 | V | الإشارة إلى الإشارة مشترك | ||||
مدخل pk-pk تفاضلي | 900 | MV | ||||||
تحمل الجهد | ||||||||
اكاتي | ||||||||
إرجاع مدخل تفاضلي | في | |||||||
خسارة | (83E- | |||||||
5) | ||||||||
اكاتي | ||||||||
التفاضلية إلى المشتركة- | في | |||||||
إعادة إدخال الوضع | (83E- | |||||||
6) | ||||||||
عدم تطابق الإنهاء في | 10 | % | ||||||
1 ميهيرتز | ||||||||
وحدة أكد المدخلات | ||||||||
اختبار | انظر 83.3.4.1 | |||||||
وضع مشترك العاصمة | ||||||||
الجهد | -من | 2850 | Mv | |||||
عرض العين | 0.46 | UI | ||||||
ارتفاع العين | 95 | MV | ||||||
200gau-4 الخصائص الكهربائية
المعلَمة | رمز | دقيقة | نموذجي | ماكس | وحدات | ملاحظات | |
استهلاك الطاقة | 10.8 | ث | |||||
العرض الحالي | Icc | 3258 | أماه | ||||
جهاز إرسال (كل ممر) | |||||||
معدل الإشارة لكل حارة (200 قاعدة-lr4) | ± 100ppm | جيجابايت | |||||
تفاضلي من الذروة إلى الذروة الجهد الناتج | 900 | Mv | |||||
وضع مشترك للتيار المتردد الجهد الناتج | 17.5 | MV | |||||
عائد خرج تفاضلي خسارة | المعادلة (83e.2) | ||||||
مشترك إلى تفاضلي تحويل الوضع | زين | المعادلة (83E-3) | |||||
الإنهاء التفاضلي غير متطابقة | 10 | % | |||||
زمن الانتقال (إلى ، من ووتد) | 9.5 | Ps | |||||
وضع مشترك العاصمة الجهد | -من | 2850 | MV | ||||
جهاز استقبال (كل مسار) | |||||||
جهد خرج أحادي الطرف | -تج | 3.3 | V | الإشارة إلى الإشارة مشترك | |||
مدخل pk-pk تفاضلي تحمل الجهد | 900 | MV | |||||
خسارة إرجاع المدخلات التفاضلية | اكاتي على (83E- 5) | ||||||
الفرق إلى الإدخال في الوضع المشترك returnloss | Equatiعلى (83E- | ||||||
الخصائص البصرية
المعلَمة | رمز | دقيقة | نموذجي | ماكس | وحدات | ملاحظات |
تعيين الطول الموجي | L0 | 1294.53 | 1295.56 | 1296.59 | نانومتر | |
L1 | 1299.02 | 1300.05 | 1301.09 | نانومتر | ||
L2 | 1303.54 | 1304.58 | 1305.63 | نانومتر | ||
L3 | 1308.09 | 1309.14 | 1310.19 | نانومتر | ||
مرسل | ||||||
معدل البيانات ، كل حارة | ± جزء في المليون | جيجابايت | ||||
تنسيق التعديل | بام 4 | |||||
نسبة قمع الوضع الجانبي | SMSR | 30 | ديسيبل | تعديل | ||
إجمالي متوسط طاقة الإطلاق | PT | 11.3 | ديسيبل | |||
متوسط قوة الإطلاق ، لكل منهما ممر | خنزير | -تق | 5.3 | ديسيبل | 1 | |
خارجي بصري تعديل السعة (أوماوتر) ، كل ممر | بوما | -تج | 5.1 | ديسيبل | 2 | |
طاقة إطلاق في أوماوتر ناقص TDECQ ، كل ممر | -موج | ديسيبل | من أجل ER ≥ 4.5 ديسيبل | |||
-موج | ديسيبل | لاير> 4.5 ديسيبل | ||||
الارسال و عين متبعدة جورب ل PAM4 ، كل ممر | TDECQ | 3.4 | ديسيبل | |||
نسبة الانقراض | ER | 3.5 | ديسيبل | |||
الفرق في طاقة إطلاق بين أي اثنين من حاربي (أوماووتر) | 4 | ديسيبل | ||||
رينوما 16.5oma | رين | -تق | ديسيبل/هرتز | |||
العودة البصرية تحمل الخسارة | تول | 15.1 | ديسيبل | |||
انعكاس جهاز الإرسال | آر | -26 | ديسيبل | |||
متوسط الإطلاق قوة خارج جهاز إرسال ، كل ممر | بوف | -30 | ديسيبل | |||
جهاز استقبال | ||||||
معدل البيانات ، كل حارة | ± جزء في المليون | جيجابايت | ||||
تنسيق التعديل | بام 4 | |||||
عتبة الضرر ، كل ممر | THd | 6.3 | ديسيبل | 3 | ||
متوسط القوة تلقي ، كل ممر | -تق | 5.3 | ديسيبل | 4 | ||
تلقي الطاقة (OMAouter) ، كل ممر | 5.1 | ديسيبل | ||||
الفرق في طاقة جهاز الاستقبال بين أي اثنين من المارين (أوماووتر) | 4.2 | ديسيبل | ||||
حساسية جهاز الاستقبال (OMAouter) ، كل حارة | سين | -تق | ديسيبل | لـ BER من 2.4 ه-4 | ||
جهاز استقبال متوتر حساسية (OMAouter) ، كل حارة | خروس | -من | ديسيبل | 5 | ||
انعكاس جهاز استقبال | آر آر | -26 | ديسيبل | |||
لوس تأكيد | لوسا | -تق | ديسيبل | |||
لوس دي-سيريس | لوسد | -تق | ديسيبل | |||
لوس التباطؤ | لوش | 0.5 | ديسيبل | |||
ظروف مرهقة لحساسية مستقبل الإجهاد (الملاحظة 6) | ||||||
إغلاق العين المجهدة لـ PAM4 (SECQ) ، حارة تحت الاختبار | 3.4 | ديسيبل | ||||
أوماوتر من كل ممر معتدي | -1 | ديسيبل | ||||
ملاحظات: 1. متوسط قوة الإطلاق ، كل مسار (دقيقة) غني بالمعلومات وليس المؤشر الرئيسي لقوة الإشارة. لا يمكن أن يكون جهاز إرسال بقوة إطلاق أقل من هذه القيمة متوافقًا ؛ ومع ذلك ، فإن القيمة التي تفوق هذا لا تضمن الامتثال. 2. حتى إذا كانت نسبة الانقراض TDECQ> من أجل نسبة انقراض تبلغ ≥ dB أو TDECQ> من أجل نسبة انقراض أقل من:-dB ، نسبة الانقراض (دقيقة) يجب أن يتجاوز الحد الأدنى للقيمة المحددة هنا. يجب أن يكون جهاز الاستقبال قادرًا على تحمل التعرض المستمر لإشارة دخل بصري ذات مستوى الطاقة المتوسط هذا دون أي ضرر. 3. متوسط طاقة التلقي ، كل مسار (دقيقة) غني بالمعلومات وليس المؤشر الرئيسي لقوة الإشارة. لا يمكن أن تكون الطاقة المستلمة أقل من هذه القيمة متوافقة ؛ ومع ذلك ، فإن القيمة التي تفوق هذا لا تضمن الامتثال. 4. يقاس بإشارة اختبار المطابقة لـ BER = 2.4x10-4. 5. شروط الاختبار هذه لقياس حساسية المستقبل المجهدة. فهي ليست من الخصائص الخاصة بجهاز الاستقبال. | ||||||
وظائف التشخيص الرقمية
يتم تعريف الخصائص التشخيصية الرقمية التالية على ظروف التشغيل العادية ما لم ينص على خلاف ذلك.
المعلَمة | رمز | دقيقة | ماكس | وحدات | ملاحظات |
شاشات درجة الحرارة خطأ مطلق | Dmi-temp | -3 | 3 | ديغك | فوق نطاق درجة حرارة التشغيل |
مراقبة الجهد العرض خطأ مطلق | DMI _ VCC | -تقييم | 0.1 | V | أكثر من نطاق التشغيل الكامل |
قناة RX السلطة مراقب خطأ مطلق | Dmi-rxych | -3 | 3 | ديسيبل | |
قناة التحيز الحالي رصد | Dmiebiasch | -تقييم | 10% | أماه | |
قناة TX السلطة رصد خطأ مطلق | Dmi-txych | -3 | 3 | ديسيبل |
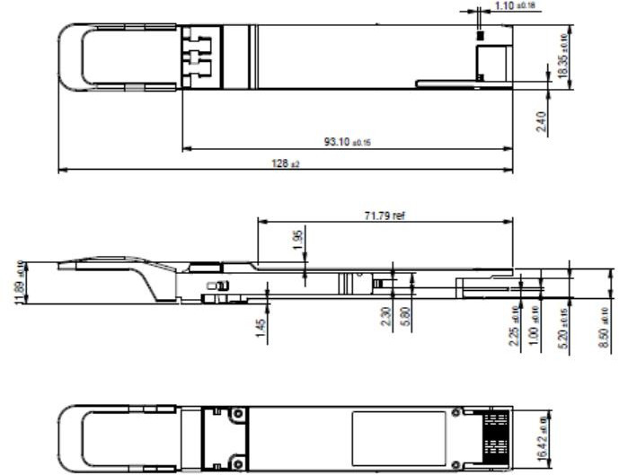
رسم مخطط (مم)

التطبيقات
● ربط مركز البيانات
● ○ ز إيثرنت
● الربط الشبكي بين المؤسسات
| Date | Version | Description | Download | ||
| 2025-03-17 | بيانات _ 200g LR4 1310 نانومتر 10 كيلو متر-ot-200g-lr4 | ||||
اشترك الآن ، يمكنك الحصول على الموارد القيمة والأوراق البيضاء.
تابعنا أيضا يمكن الحصول على أحدث المنتجات ومعلومات الصناعة في رسائل البريد الإلكتروني لأعضائنا.تعلم التفاصيل ، مجموعة
اتصل بنا:
البريد الإلكتروني لنا:
2106B ، # 3D ، المتربة 1 من منتزه السعودية ، بانتينة ، لندن ، شنان ، P.R.C