أجهزة الإرسال والاستقبال النحاسية الصغيرة الحجم SFP -10GBASE-T القابلة للتوصيل (SFP) تعتمد على اتفاقية SFP متعددة المصادر (MSA).
أجهزة الإرسال والاستقبال النحاسية الصغيرة الحجم SFP -10GBASE-T القابلة للتوصيل (SFP) تعتمد على اتفاقية SFP متعددة المصادر (MSA). وهي متوافقة مع معايير القاعدة 10Gbase-T / 5Gbase-T/10000 base-t/1000 bast كما هو محدد في iee Std. يستخدم SFP -10GBASE-T دبوس SFP rxlos (يجب سحبه على المضيف) لإشارة الارتباط. إذا سحب ما يصل أو فتح دبوس SFP txiature ، يمكن إعادة تعيين PHY IC.
الميزات
● دعم 10Gbase-T / 5Gbase-T/، Gbase-T / 1000 base-t
● بصمة SFP القابلة للتوصيل الساخن
● تجميع موصل مدمج
● RoHS متوافقة وخالية من الرصاص
● مصدر طاقة أحادي الطول
● 10 جيجابت إيثرنت عبر كابل القط 6a
● درجة حرارة التشغيل المحيطة: 0 درجة مئوية إلى 65 درجة مئوية
طول الكابل
المعيار | كابل | الوصول | منفذ المضيف |
10GBASE-تي | CAT6A | 30 م | SFI |
5 جيجابايت-t/من Gbase-t | CAT5E | 50 متر | 5gbase-r/من GBase-X |
1000 قاعدة تي | CAT5E | وتوتد م | 1000 قاعدة-فوكس |
دبوس | رمز | الاسم/الوصف | مرجع. |
1 | فييت | أرضية جهاز الإرسال (مشتركة مع أرضية جهاز الاستقبال) | 1 |
2 | خطأ | خطأ الإرسال. غير مدعوم. | |
3 | تدوس | تعطيل الارسال. خرج الليزر تعطيل على عالية أو مفتوحة. | 2 |
4 | مودو (2) | تعريف الوحدة 2. خط البيانات للمعرف التسلسلي. | 3 |
5 | مودو (1) | تعريف الوحدة 1. خط الساعة للمعرف التسلسلي. | 3 |
6 | Mod_ def (0) | تعريف الوحدة 0. ترتكز داخل الوحدة. | 3 |
7 | تحديد السعر | لا يوجد اتصال مطلوب | |
8 | لوس | يشير الارتفاع إلى عدم الارتباط. انخفاض يشير إلى الارتباط. | 4 |
9 | فير | أرض الاستقبال (مشتركة مع أرضية جهاز الإرسال) | 1 |
10 | فير | أرض الاستقبال (مشتركة مع أرضية جهاز الإرسال) | 1 |
11 | فير | أرض الاستقبال (مشتركة مع أرضية جهاز الإرسال) | 1 |
12 | RD- | استقبال البيانات المقلوبة. تيار متردد يقترن | |
13 | RD | استقبال بيانات غير مقلوبة. تيار متردد يقترن | |
14 | فير | أرض الاستقبال (مشتركة مع أرضية جهاز الإرسال) | 1 |
15 | Vcr | مصدر طاقة جهاز الاستقبال | |
16 | فكت | مصدر طاقة للمرسل | |
17 | فييت | أرضية جهاز الإرسال (مشتركة مع أرضية جهاز الاستقبال) | 1 |
18 | TD | جهاز إرسال بيانات غير مقلوبة في. AC يقترن. | |
19 | TD- | الارسال مقلوب البيانات في. AC يقترن. | |
20 | فييت | أرضية جهاز الإرسال (مشتركة مع أرضية جهاز الاستقبال) | 1 |
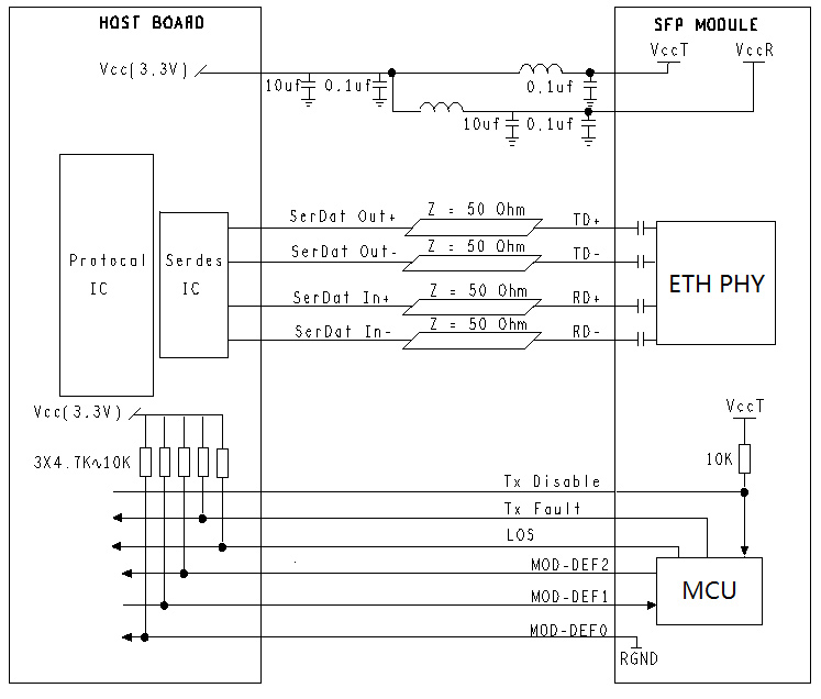
موصل SFP إلى المضيف دبوس
ملاحظات:
1. يتم توصيل الأرض الدائرة إلى الأرض الشاسيه
2. معطل في TDIS> من V أو مفتوح ، تم تمكينه على TDIS> من V
3. يجب سحبها إلى الأعلى باستخدام: k - 10k أوم على اللوحة المضيفة إلى جهد بين من من من من من من من من من وإلى V. Mod-def (0) خط يسحب منخفض للإشارة إلى أن الوحدة موصولة.
4. Lvl متوافق مع أقصى جهد ممكن من ، ،
الشكل 1. رسم بياني لأرقام دبوس كتلة موصل لوحة المضيف والأسماء
+ ، واجهة الطاقة الكهربائية V Volt
نطاق جهد دخل SFP +-10 gbas-t هو من من من من من من من من من من من +/-. لا يسمح بالجهد الأقصى 4 فولت للتشغيل المستمر.
+ واجهة طاقة كهربائية | ||||||
المعلَمة | رمز | دقيقة | النوع | ماكس | وحدة | ملاحظات/شروط |
العرض الحالي | هو | 700 | 900 | أماه | ويتجاوز القوة مع W max مجموعة كاملة من الجهد ودرجة الحرارة. انظر ملاحظة التحذير أدناه | |
جهد الإدخال | Vcc | 3.13 | 3.3 | 3.47 | V | المشار إليها إلى GND |
أقصى الجهد | Vmax | 4 | V | |||
تيار عرام | أيزورج | TBD | أماه | المكونات الساخنة فوق حالة ثابتة تيار. انظر ملاحظة التحذير أدناه | ||
تحذير: استهلاك الطاقة وتيار الطفرة أعلى من القيم المحددة في SFP MSA
إشارات منخفضة السرعة
Moddef (1) (SCL) و_ moddef (2) (SDA) ، هي إشارات CMOS استنزاف مفتوحة (انظر القسم السابع ، "بروتوكول الاتصالات التسلسلية"). يجب سحب كل من mod-def (1) و moddef (2) إلى Host_ vcc
إشارات منخفضة السرعة ، الخصائص الإلكترونية | |||||
المعلَمة | رمز | دقيقة | ماكس | وحدة | ملاحظات/شروط |
SFP الناتج منخفض | المجلد | 0 | 0.5 | V | من ايسو إلى 10k سحب ما يصل إلى هوستوفسك ، يقاس في جانب المضيف للموصل |
SFP الناتج عالية | فوه | عرض مخفض | هوستفسي سي + قائقي | V | من ايسو إلى 10k سحب ما يصل إلى هوستوفسك ، يقاس في جانب المضيف للموصل |
مدخل SFP منخفض | فيل | 0 | 0.8 | V | من من من من من من من من من من إلى إلى Vcc ، يقاس في جانب SFP للموصل |
SFP مدخلات عالية | فيف | 2 | + سي سي دي | V | من من من من من من من من من من إلى إلى Vcc ، يقاس في جانب SFP للموصل |
واجهة كهربائية عالية السرعة
جميع الإشارات عالية السرعة مقترنة داخليًا.
واجهة كهربائية عالية السرعة ، خط نقل SFP | ||||||||||||
المعلَمة | رمز | دقيقة | تايب | ماكس | وحدة | ملاحظات/شروط | ||||||
تردد الخط | FL | 125 | MHz | ترميز 5 مستويات ، لكل وياي ، | ||||||||
Tx الإخراج مقاومة | Zout TX | 100 | أوم | تفاضلية ، للجميع الترددات بين 1 ميغاهيرتز وMHZ | ||||||||
Rx إدخال مقاومة | زين ، RX | 100 | أوم | تفاضلية ، للجميع الترددات بين 1 ميغاهيرتز وMHZ | ||||||||
واجهة كهربائية عالية السرعة ، مضيف-SFP | ||||||||||||
المعلَمة | رمز | دقيقة | تايب | ماكس | وحدة | ملاحظات/شروط | ||||||
مدخل بيانات أحادي الطرف أرجوحة | فينسنج | 250 | 1200 | MV | وحيد الأطراف | |||||||
مخرج بيانات أحادي الطرف أرجوحة | رداء | 350 | 800 | MV | وحيد الأطراف | |||||||
وقت الارتفاع/الخريف | Tr, Tf | 175 | بسك | من من من من | ||||||||
Tx مقاومة الإدخال | زين | 50 | أوم | وحيد الأطراف | ||||||||
Rx مقاومة الإخراج | زوت | 50 | أوم | وحيد الأطراف | ||||||||
مواصفات عامة
عام | ||||||
المعلَمة | رمز | دقيقة | تايب | ماكس | وحدة | ملاحظات/شروط |
معدل البيانات | BR | 1 | 10 | جيجابايت/ثانية | متوافق مع IEEE. انظر الملاحظات أدناه. | |
ملاحظات:
1. تحمل الساعة هو/- 50 جزء في المليون
معلومات EEPROM (A0)
ادر | حجم الحقل (بايت) | اسم الحقل | سداسية | الوصف |
0 | 1 | معرّف | 03 | سفب |
1 | 1 | تحويلة. معرّف | 04 | MOD4 |
2 | 1 | موصل | 07 | LC |
3-10 | 8 | الإرسال | 10 00 00 00 00 00 00 00 00 | رمز الارسال |
11 | 1 | ترميز | 06 | 64 ب 66 ب |
12 | 1 | ر ، الاسمية | 67 | حسم في الثانية |
13 | 1 | محجوز | 00 | |
14 | 1 | طول (9um)-km | 00 | |
15 | 1 | طول (9um) | 00 | |
16 | 1 | طول (50um) | 08 | |
17 | 1 | طول (62.5um) | 02 | |
18 | 1 | طول (النحاس) | 00 | |
19 | 1 | محجوز | 00 | |
20-35 | 16 | اسم البائع | 57 49 4E 54 4F 50 20 20 20 20 20 20 20 20 20 20 | |
36 | 1 | محجوز | 00 | |
37-39 | 3 | بائع OUI | 00 00 00 | |
40-55 | 16 | بائع PN | Xx xx xx xx xx Xx xx xx xx xx | ASC الثاني |
56-59 | 4 | البائع ريف | 31 2E 30 20 | V1.0 |
60-61 | 2 | الطول الموجي | 03 52 | 850 نانومتر |
62 | 1 | محجوز | 00 | |
63 | 1 | قاعدة سي سي | XX | تحقق من مجموع البايت 0 ~ 62 |
64-65 | 2 | خيارات | 00 1 أ | لوس ، tx_ تعطيل ، tx_ خطأ |
66 | 1 | BR, max | 00 | |
67 | 1 | BR ، دقيقة | 00 | |
68-83 | 16 | بائع SN | 00 00 00 00 00 00 00 00 00 00 00 00 00 00 00 00 00 00 00 00 | غير محدد |
84-91 | 8 | رمز تاريخ البائع | XX XX 20 | عام ، شهر ، يوم |
92-94 | 3 | محجوز | 00 | |
95 | 1 | Ccext _ | XX | تحقق من مجموع البايت 64 ~ 94 |
96-في | 160 | بائع محدد |
معلومات EEPROM (A2) اختياري

المواصفات البيئية
تم تمكين الكشف التلقائي عن التقاطع. كابل كروس خارجي غير مطلوب
المواصفات البيئية | ||||||
المعلَمة | رمز | دقيقة | تايب | ماكس | وحدة | ملاحظات/شروط |
درجة حرارة التشغيل | أعلى | 0 | 65 | درجة مئوية | درجة حرارة القضية | |
درجة حرارة التخزين | تسو | -40 | 85 | درجة مئوية | درجة الحرارة المحيطة | |
بروتوكول الاتصالات التسلسلية
توقيت الحافلة التسلسلية ، المتطلبات | ||||||
المعلَمة | رمز | دقيقة | تايب | ماكس | وحدة | ملاحظات/شروط |
معدل الساعة I 2C | 0 | 200,000 | هرتز | |||
تدعم جميع SFPs بروتوكول الاتصال التسلسلي ثنائي الأسلاك المبين في SFP MSA. هذه SFPs تستخدم MCU ، يمكن الوصول إليها بعنوان A0h.
دائرة تطبيق موصى بها

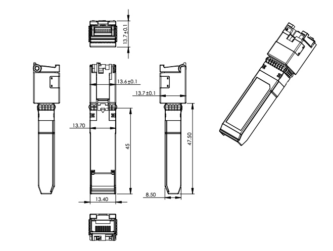
رسم مخطط (مم)
| Date | Version | Description | Download | ||
| 2025-03-17 | ورقة بيانات 10g SFP النحاس | ||||
اشترك الآن ، يمكنك الحصول على الموارد القيمة والأوراق البيضاء.
تابعنا أيضا يمكن الحصول على أحدث المنتجات ومعلومات الصناعة في رسائل البريد الإلكتروني لأعضائنا.تعلم التفاصيل ، مجموعة
اتصل بنا:
البريد الإلكتروني لنا:
2106B ، # 3D ، المتربة 1 من منتزه السعودية ، بانتينة ، لندن ، شنان ، P.R.C