حزمة SFP مع موصل LC ، ليزر DFB dwdm DFB و photodetector ، حتى 40 في الإرسال على SMF.
الميزات
● حزمة SFP مع موصل LC
● DML CWDM DFB ليزر ومحول ضوئي
● ما يصل إلى 40 علبة نقل على SMF
● حتى وصلات بيانات Gbps
● ، مصدر طاقة فردي
● تبديد الطاقة> من W
● واجهة من سلكين مع مراقبة تشخيصية رقمية متكاملة
● انخفاض EMI وحماية ESD ممتازة
● معيار سلامة الليزر المتوافق
● متوافق مع RoHS
● متوافقة مع ، SFP MSA
● متوافقة مع SFP ، و RC
التقييمات القصوى المطلقة
المعلَمة | رمز | الحد الأدنى | أقصى | وحدات |
درجة حرارة التخزين | Tst | -40 | + 85 | درجة مئوية |
جهد الإمداد | Vcc | -موج | + أو | V |
التشغيل النسبي الرطوبة | RH | 5 | 95 | % |
بيئة التشغيل
المعلَمة | رمز | دقيقة | نموذجي | ماكس | وحدات |
جهد الإمداد | Vcc | 3.15 | 3.3 | 3.45 | V |
حقيبة تشغيل درجة الحرارة | Tc | 0 | + 70 | درجة مئوية | |
تبديد الطاقة | 1.5 | ث | |||
معدل البيانات | 10.3125 | Gbps |
الخصائص البصرية
المعلَمة | رمز | دقيقة. | الطّبيب. | ماكس. | وحدات |
قسم الارسال | |||||
الطول الموجي المركزي | لو | 1270 | 1370 | نانومتر | |
العرض الطيفي (-20dB) | دل | 1 | نانومتر | ||
متوسط انتاج الطاقة | بو | 0 | 5 | ديسيبل | |
نسبة الانقراض | Er | 3.5 | ديسيبل | ||
الوضع الجانبي نسبة القمع | SMSR | 30 | ديسيبل | ||
إجمالي ارتعاش | تي جي | ايي 802.3ae | |||
قسم الاستقبال | |||||
الطول الموجي المركزي | لو | 1270 | 1610 | نانومتر | |
حساسية جهاز الاستقبال | رسن | -15 | ديسيبل | ||
الزائد المتلقي | روف | 0 | ديسيبل | ||
خسارة الإرجاع | 12 | ديسيبل | |||
لوس تأكيد | لوسا | -28 | ديسيبل | ||
حلوى لوس | لوسد | -16 | ديسيبل | ||
لوس التباطؤ | 0.5 | 4 | |||
الخصائص الكهربائية
المعلَمة | رمز | دقيقة. | الطّبيب. | ماكس. | وحدة | |
قسم الارسال | ||||||
إدخال تفاضلي عثرة | زين | 90 | 100 | 110 | أوم | |
أرجوحة إدخال البيانات تفاضلية | فين | 180 | 700 | MV | ||
TX تعطيل | تعطيل | 2.0 | Vcc | V | ||
تمكين | -موج | 0.8 | V | |||
خطأ TX | تأكيد | 2.4 | Vcc | V | ||
ديريزي | -موج | 0.8 | V | |||
قسم الاستقبال | ||||||
الفرق الناتج عثرة | زوت | 80 | 100 | 120 | أوم | |
أرجوحة إدخال البيانات تفاضلية | فاوت | 300 | 850 | MV | ||
Rx_ los | تأكيد | 2.0 | Vcc | V | ||
ديريزي | -موج | 0.4 | V | |||
التشخيص
المعلَمة | النطاق | الدقة | وحدة | معايرة |
درجة الحرارة | 0 ~ 70 | ± 5 | درجة مئوية | داخلي |
الجهد | ، ~ ، من | ± من | V | داخلي |
تيار متحيز | 10 ~ 80 | ± 2 | أماه | داخلي |
طاقة Tx | -2 ~ 5 | ± 2 | ديسيبل | داخلي |
Rx السلطة | -16 ~ -3 | ± 3 | ديسيبل | داخلي |
وصف دبوس

دبابيس | الاسم | الوصف | ملاحظة |
1 | فييت | جهاز إرسال أرضي | |
2 | خطأ Tx | إشارة خطأ الارسال | 1 |
3 | Tx تعطيل | تعطيل الارسال | 2 |
4 | MOD DEF2 | تعريف الوحدة 2 | 3 |
5 | MOD DEF1 | تعريف الوحدة 1 | 3 |
6 | وزارة الدفاع DEF0 | تعريف الوحدة 0 | 3 |
7 | RS0 | غير متصل | |
8 | لوس | فقدان الإشارة | 4 |
9 | RS1 | غير متصل | |
10 | فير | جهاز استقبال أرضي | |
11 | فير | جهاز استقبال أرضي | |
12 | RD- | Inv. خرج البيانات المستلمة | 5 |
13 | RD | إخراج البيانات iالمتلقاة | 5 |
14 | فير | جهاز استقبال أرضي | |
15 | Vcr | طاقة جهاز الاستقبال | |
16 | فكت | طاقة جهاز الإرسال | |
17 | فييت | جهاز إرسال أرضي | |
18 | TD | إدخال بيانات الإرسال | 6 |
19 | TD- | Inv. إدخال بيانات الإرسال | 6 |
20 | فييت | جهاز إرسال أرضي |
ملاحظات:
1. خطأ TX هو مخرج جامع مفتوح ، يجب سحبه بمقاوم k ~ 10kΩ على اللوحة المضيفة إلى جهد بين V و Vcc V. يشير المنطق 0 إلى التشغيل العادي ؛ يشير المنطق 1 إلى وجود خطأ ليزر من نوع ما. في الحالة المنخفضة ، سيتم سحب المخرجات إلى أقل من ، أقل من ، V.
2. TX تعطيل هو أحد المدخلات التي يتم استخدامها لإغلاق الإخراج البصري للمرسل. يتم سحبه لأعلى داخل الوحدة مع مقاوم من ، k ~ 10kΩ. دولها هي:
منخفض (0 ~ ، V): جهاز إرسال يعمل
(> من من من من ؟ ؟ ؟ V): غير محدد
جهاز إرسال عالي (~ من من من من أجل الحياة): معطل
فتح: الارسال تعطيل
3. ، 2 هي دبابيس تعريف الوحدة النمطية. يجب سحبها مع مقاوم ، مقاوم من ~ 10kΩ على اللوحة المضيفة. يجب أن يكون جهد السحب VccT أو VccR.
تم تأريض 0 بواسطة الوحدة للإشارة إلى أن الوحدة موجودة
X 1 هو خط الساعة لواجهة تسلسلية سلكين للمعرف التسلسلي
2 هو خط بيانات من سلكين واجهة تسلسلية للمعرف التسلسلي
4. LOS هو مخرج جامع مفتوح ، والذي يجب سحبه باستخدام مقاوم ~ 10kΩ للوحة المضيفة إلى جهد بين V و Vcc V. يشير المنطق 0 إلى التشغيل العادي ؛ ويشير المنطق 1 إلى فقدان الإشارة. في الحالة المنخفضة ، سيتم سحب المخرجات إلى أقل من ، أقل من ، V.
5. هذه هي مخرجات الاستقبال التفاضلية. وهي خطوط تفاضلية داخلية مع تيار متردد 100Ω والتي يجب إنهاؤها بـ 100Ω (تفاضلي) في سيردس المستخدم.
6. هذه هي مدخلات الإرسال التفاضلية. إنها خطوط تفاضلية مع إنهاء تفاضلي 100Ω داخل الوحدة.
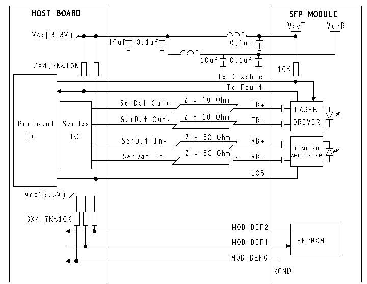
دائرة تطبيق موصى بها
رسم مخطط (مم)
استخدام
● إيثرنت
● الاتصالات
● قناة الألياف
| Date | Version | Description | Download | ||
| 2025-03-17 | Datasheet-10g CWDM SFP 1270 نانومتر ~ 1370 نانومتر | ||||
اشترك الآن ، يمكنك الحصول على الموارد القيمة والأوراق البيضاء.
تابعنا أيضا يمكن الحصول على أحدث المنتجات ومعلومات الصناعة في رسائل البريد الإلكتروني لأعضائنا.تعلم التفاصيل ، مجموعة
اتصل بنا:
البريد الإلكتروني لنا:
2106B ، # 3D ، المتربة 1 من منتزه السعودية ، بانتينة ، لندن ، شنان ، P.R.C