هذا المنتج عبارة عن وحدة بصرية رباعية الشكل قابلة للتجميع-وحدة بصرية مزدوجة الكثافة (من) مصممة لـ 10 تطبيقات اتصالات بصرية.
هذا المنتج عبارة عن وحدة بصرية رباعية الشكل قابلة للتجميع-وحدة بصرية مزدوجة الكثافة (من) مصممة لـ 10 تطبيقات اتصالات بصرية. تقوم الوحدة بتحويل 8 قنوات من 50 (PAM4) بيانات مدخلات كهربائية إلى 4 قنوات من إشارات CWDM الضوئية ، وتتعدد الإرسال في قناة واحدة لـ بشكل عكسي ، على جانب المستقبِل ، الوحدة النمطية بصريًا de-multipexes مدخل بصري إلى 4 قنوات من الإشارات البصرية wdm ، وتحولها إلى 8 قنوات من 50 (PAM4) بيانات الإخراج الكهربائي.
الأطوال الموجية المركزية للقنوات الأربعة هي من من من من من من حيث الطول الموجي ، من من من من من من حيث الطول الموجي للقنوات الأربعة هي: g.694.2 يحتوي على موصل LC مزدوج للواجهة البصرية وموصل 76-دبوس للواجهة الكهربائية. لتقليل التشتت البصري في نظام المسافات الطويلة ، يجب تطبيق الألياف أحادية النمط (SMF) في هذه الوحدة. المضيف FEC المطلوب لدعم ما يصل إلى 10 ، هو انتقال الألياف.
تم تصميمه بعامل نموذج ، وصلة تشخيص بصرية/كهربائية ، واجهة تشخيص رقمية وفقًا لاتفاقية متعددة المصادر (MSA) النوع 2. لقد تم تصميمه لتلبية أقسى ظروف التشغيل الخارجية بما في ذلك درجة الحرارة والرطوبة وتداخل EMI.
وصف وظيفي
تتضمن الوحدة 4 قنوات مستقلة على طول موجي مركزي CWDM4/من من من حيث الطول موجي/1331 نانومتر ، وتعمل بسعر + G لكل قناة. مسار الارسال يتضمن محرك يمل رباعية القنوات والليزر يمل جنبا إلى جنب مع معدد بصري. على مسار المتلقي ، يقترن المضاعف البصري إلى صفيف ثنائي الضوء 4 قنوات. يتم استخدام علبة التروس الأساسية DSP لتحويل 8 قنوات من إشارات 25GBaud PAM4 إلى 4 قنوات من 50 إشارة GBaud PAM4 وأيضًا يتم دمج جهاز إعادة ضبط الوقت 8 قنوات وكتلة FEC في هذا DSP. الواجهة الكهربائية متوافقة مع iee 802.3bs و MSA في اتجاهات الإرسال والاستقبال ، والواجهة البصرية متوافقة مع iee 802.3bs مع موصل LC مزدوج.
يلزم وجود مصدر طاقة فردي بجهد V لتشغيل هذا المنتج. جميع دبابيس تزويد الطاقة متصلة داخليًا ويجب تطبيقها بشكل متزامن. حسب مواصفات MSA ، توفر الوحدة سبعة دبابيس تحكم في الأجهزة منخفضة السرعة (بما في ذلك الواجهة التسلسلية ثنائية الأسلاك): ModSelL ، SCL ، SDA ، ResetL ، InitMode ، ModPrsL و IntL.
تحديد الوحدة النمطية (ModSelL) هو دبوس إدخال. عندما يكون هذا المنتج منخفضًا من قبل المضيف ، يستجيب هذا المنتج لأوامر الاتصال التسلسلي المكونة من سلكين. يسمح ModSelL باستخدام هذا المنتج على ناقل واجهة واحد من سلكين-يجب استخدام خطوط ModSelL الفردية. الساعة التسلسلية (SCL) والبيانات التسلسلية (SDA) مطلوبة لواجهة اتصال الناقل التسلسلي ذو السلكين وتمكين المضيف من الوصول إلى خريطة الذاكرة.
يتيح دبوس ResetL إعادة ضبط كاملة ، وإعادة الإعدادات إلى حالتها الافتراضية ، عندما يتم الاحتفاظ بمستوى منخفض على دبوس ResetL لفترة أطول من الحد الأدنى لطول النبض. أثناء تنفيذ إعادة الضبط ، يجب على المضيف أن يتجاهل جميع بتات الحالة حتى يشير إلى الانتهاء من مقاطعة إعادة الضبط. يشير المنتج إلى ذلك عن طريق نشر إشارة إنتل (المقاطعة) مع البيانات _ not بت جاهز في خريطة الذاكرة. لاحظ أنه عند تشغيل الطاقة (بما في ذلك الأيون الساخن) ، يجب أن تنشر الوحدة إكمال إعادة الضبط هذه دون الحاجة إلى إعادة الضبط.
وضع التهيئة (InitMode) هو إشارة إدخال. يتم سحبها إلى Vcc في الوحدة النمطية. تسمح إشارة InitMode للمضيف بتحديد ما إذا كانت الوحدة النمطية ستتم تهيئتها تحت تحكم برنامج المضيف (تم تأكيد ارتفاع InitMode) أو التحكم في أجهزة الوحدة النمطية (انخفاض InitMode decoted). تحت تحكم البرنامج المضيف ، تبقى الوحدة في وضع الطاقة المنخفضة حتى يتيح البرنامج الانتقال إلى وضع الطاقة العالية ، كما هو محدد في مواصفات واجهة الإدارة. تحت التحكم في الأجهزة (InitMode de-reserved منخفض) ، قد تنتقل الوحدة على الفور إلى وضع الطاقة العالية بعد تهيئة واجهة الإدارة. لا يغير المضيف حالة هذه الإشارة أثناء وجود الوحدة. في تطبيقات QSFP القديمة ، تُسمى هذه الإشارة LPMode. انظر! لـ LPMode signal deion.
الوحدة الحالية (ModPrsL) هي إشارة محلية إلى اللوحة المضيفة والتي ، في حالة عدم وجود منتج ، يتم سحبها عادة إلى المضيف Vcc. عندما يتم تثبيت المنتج في الموصل ، فإنه يُكمل المسار إلى الأرض من خلال مقاوم على لوحة المضيف ويؤكد الإشارة. ثم يشير ModPrsL إلى حاضره عن طريق ضبط ModPrsL إلى حالة منخفضة.
المقاطعة (IntL) هي دبوس إخراج. أقل من ، يشير إلى خطأ تشغيلي محتمل أو حالة حرجة للنظام المضيف. يحدد المضيف مصدر المقاطعة باستخدام الواجهة التسلسلية ذات السلك. دبوس IntL هو مخرج جامع مفتوح ويجب سحبه إلى الجهد المضيف Vcc على اللوحة المضيفة.
الميزات
● 4 CWDM lanes MUX/DEMUX تصميم
● G Lambda MSA 400G-lr4 متوافقة مع المواصفات
● ما يصل إلى 10 انتقال على الألياف أحادية الوضع (SMF) مع FEC
● درجة حرارة حالة التشغيل: 0 إلى 70 ℃
● الواجهة الكهربائية 8x53. من الخارج (400gau-8)
● معدل البيانات ، Gbps (PAM4) لكل قناة.
● أقصى استهلاك للطاقة 12 واط • موصل LC مزدوج
● بنفايات متوافقة
مخطط كتلة الإرسال

الشكل 1. مخطط كتلة الإرسال
تعيين دبوس والوصف
يظهر الدبوس الكهربائي للوحدة في الشكل 2 أدناه.
الشكل 2. موصل متوافق مع MSA
تعريف دبوس
دبوس # | المنطق | رمز | ديون | تسلسل القابس |
1 | GN | أرضي | 1 ب | |
2 | CML-I | Tx2n | إدخال بيانات مقلوب للمرسل | 3B |
3 | CML-I | Tx2p | جهاز إرسال إدخال بيانات غير مقلوب | 3B |
4 | GN | أرضي | 1 ب | |
5 | CML-I | Tx4n | إدخال بيانات مقلوب للمرسل | 3B |
6 | CML-I | X4p | جهاز إرسال إدخال بيانات غير مقلوب | 3B |
7 | GN | أرضي | 1 ب | |
8 | LVTTL-I | مودسيل | تحديد الوحدة النمطية | 3B |
9 | LVTTL-I | ريستل | إعادة ضبط الوحدة | 3B |
10 | VccRx | استقبال امدادات الطاقة V | 2B | |
11 | من من من | SCL | ساعة واجهة تسلسلية بسلك 2 | 3B |
12 | من من من | سدا | بيانات الواجهة التسلسلية 2-سلك | 3B |
13 | GN | أرضي | 1 ب | |
14 | CML-O | Rx3p | جهاز استقبال إخراج بيانات غير مقلوب | 3B |
15 | CML-O | Rx3n | مخرج بيانات مقلوب للمستلم | 3B |
16 | GN | أرضي | 1 ب | |
17 | CML-O | Rx1p | جهاز استقبال إخراج بيانات غير مقلوب | 3B |
18 | CML-O | Rx1n | مخرج بيانات مقلوب للمستلم | 3B |
19 | GN | أرضي | 1 ب | |
20 | GN | أرضي | 1 ب | |
21 | CML-O | Rx2n | مخرج بيانات مقلوب للمستلم | 3B |
22 | CML-O | Rx2p | جهاز استقبال إخراج بيانات غير مقلوب | 3B |
23 | GN | أرضي | 1 ب | |
24 | CML-O | Rx4n | مخرج بيانات مقلوب للمستلم | 3B |
25 | CML-O | Rx4p | جهاز استقبال إخراج بيانات غير مقلوب | 3B |
26 | GN | أرضي | 1 ب | |
27 | LVTTL-O | مودرسل | وحدة الحاضر | 3B |
28 | LVTTL-O | IntL | المقاطعة | 3B |
29 | فكتكس | سينج V الارسال امدادات الطاقة | 2B | |
30 | Vcc1 | امدادات الطاقة ODV V | 2B | |
31 | LVTTL-I | InitMode | وضع التهيئة. في تطبيقات QSFP القديمة ، وضع InitMode لوحة تسمى LPMODE | 3B |
32 | GN | أرضي | 1 ب | |
33 | CML-I | Tx3p | جهاز إرسال إدخال بيانات غير مقلوب | 3B |
34 | CML-I | Tx3n | إدخال بيانات مقلوب للمرسل | 3B |
35 | GN | أرضي | 1 ب | |
36 | CML-I | Tx1p | جهاز إرسال إدخال بيانات غير مقلوب | 3B |
37 | CML-I | Tx1n | إدخال بيانات مقلوب للمرسل | 3B |
38 | GN | أرضي | 1 ب | |
39 | GN | أرضي | 1 أ | |
40 | CML-I | Tx6n | إدخال بيانات مقلوب للمرسل | 3A |
41 | CML-I | Tx6p | جهاز إرسال إدخال بيانات غير مقلوب | 3A |
42 | GN | أرضي | 1 أ | |
43 | CML-I | Tx8n | إدخال بيانات مقلوب للمرسل | 3A |
44 | CML-I | Tx8p | جهاز إرسال إدخال بيانات غير مقلوب | 3A |
45 | GN | أرضي | 1 أ | |
46 | محجوز | للاستخدام في المستقبل | 3A | |
47 | VS1 | وحدة بائع محددة 1 | 3A | |
48 | VccRx1 | امدادات الطاقة ODV V | 2A | |
49 | VS2 | وحدة بائع محددة 2 | 3A | |
50 | VS3 | وحدة بائع محددة 3 | 3A | |
51 | GN | أرضي | 1 أ | |
52 | CML-O | Rx7p | جهاز استقبال إخراج بيانات غير مقلوب | 3A |
53 | CML-O | Rx7n | مخرج بيانات مقلوب للمستلم | 3A |
54 | GN | أرضي | 1 أ | |
55 | CML-O | Rx5p | جهاز استقبال إخراج بيانات غير مقلوب | 3A |
56 | CML-O | Rx5n | مخرج بيانات مقلوب للمستلم | 3A |
57 | GN | أرضي | 1 أ | |
58 | GN | أرضي | 1 أ | |
59 | CML-O | Rx6n | مخرج بيانات مقلوب للمستلم | 3A |
60 | CML-O | Rx6p | جهاز استقبال إخراج بيانات غير مقلوب | 3A |
61 | GN | أرضي | 1 أ | |
62 | CML-O | Rx8n | مخرج بيانات مقلوب للمستلم | 3A |
63 | CML-O | Rx8p | جهاز استقبال إخراج بيانات غير مقلوب | 3A |
64 | GN | أرضي | 1 أ | |
65 | نورث كارولاينا | لا اتصال | 3A | |
66 | محجوز | للاستخدام في المستقبل | 3A | |
67 | VccTx1 | امدادات الطاقة ODV V | 2A | |
68 | Vcc2 | امدادات الطاقة ODV V | 2A | |
69 | محجوز | للاستخدام في المستقبل | 3A | |
70 | GN | أرضي | 1 أ | |
71 | CML-I | Tx7p | جهاز إرسال إدخال بيانات غير مقلوب | 3A |
72 | CML-I | Tx7n | إدخال بيانات مقلوب للمرسل | 3A |
73 | GN | أرضي | 1 أ | |
74 | CML-I | Tx5p | جهاز إرسال إدخال بيانات غير مقلوب | 3A |
75 | CML-I | Tx5n | إدخال بيانات مقلوب للمرسل | 3A |
76 | GN | أرضي | 1 أ |
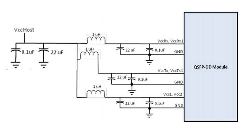
مرشح مزود طاقة موصى به

الشكل 3. مرشح تزويد الطاقة الموصى به
التقييمات القصوى المطلقة
تجدر الإشارة إلى أن العملية التي تتجاوز أي تقييمات قصوى مطلقة فردية قد تسبب ضررًا دائمًا لهذه الوحدة.
المعلَمة | رمز | دقيقة | ماكس | وحدات | ملاحظة |
درجة حرارة التخزين | TS | -40 | 85 | ديغك | |
درجة حرارة حالة التشغيل | أعلى | 0 | 70 | ديغك | |
الجهد امدادات الطاقة | VCC | -تقييم | 3.6 | V | |
الرطوبة النسبية (بدون تكاثف) | RH | 0 | 85 | % | |
عتبة الضرر ، كل ممر | THd | 5 | ديسيبل |
ظروف التشغيل ومتطلبات إمدادات الطاقة الموصى بها
المعلَمة | رمز | دقيقة | نموذجي | ماكس | وحدات | ملاحظات |
درجة حرارة حالة التشغيل | أعلى | 0 | 70 | ديغك | ||
الجهد امدادات الطاقة | VCC | 3.135 | 3.3 | 3.465 | V | |
معدل البيانات ، كل حارة | 26.5625 | جيجابايت | بام 4 | |||
دقة معدل البيانات | -من | 100 | جزء | |||
نسبة الخطأ بت ما قبل FEC | 0 | 2.4x10-4 | ||||
نسبة خطأ بت ما بعد FEC | 0.002 | 1x10-12 | ك | 1 | ||
مسافة الارتباط | د | 0.002 | 10 | كم | 2 |
ملاحظات:
1. FEC المقدمة من النظام المضيف.
2. FEC مطلوب على النظام المضيف لدعم أقصى مسافة.
الخصائص الكهربائية
يتم تعريف الخصائص الكهربائية التالية على بيئة التشغيل الموصى بها ما لم يتم تحديد خلاف ذلك.
المعلَمة | نقطة الاختبار | دقيقة | نموذجي | ماكس | وحدات | ملاحظات |
استهلاك الطاقة | 12 | ث | ||||
العرض الحالي | Icc | 3.64 | أ | |||
جهاز إرسال (كل ممر) | ||||||
معدل الإشارة ، كل ممر | TP1 | ± جزء في المليون | جيجابايت | |||
Pk-pk تفاضلي مساهمة الجهد التسامح | TP1a | 900 | MVpp | 1 | ||
تفاضلية إنهاء غير متطابقة | TP1 | 10 | % | |||
تفاضلية إدخال إرجاع خسارة | TP1 | وسي-- 2015 المعادلة (83E-5) | ديسيبل | |||
الفرق إلى مشترك إدخال الوضع خسارة الإرجاع | TP1 | وسي-- 2015 المعادلة (83E-6) | ديسيبل | |||
وحدة الإجهاد اختبار الإدخال | TP1a | انظر iee 802.3bs 120.3.4.1 | 2 | |||
ذات نهاية واحدة تحمل الجهد المدى (دقيقة) | TP1a | من من من من من من | V | |||
العاصمة المشتركة إدخال الوضع الجهد | TP1 | -من | 2850 | MV | 3 | |
جهاز استقبال (كل حارة) | ||||||
معدل الإشارة ، كل ممر | TP4 | ± جزء في المليون | جيجابايت | |||
تفاضلية الذروة إلى الذروة الإخراج الجهد | TP4 | 900 | MVpp | |||
تيار متردد مشترك إخراج الوضع الجهد ، RMS | TP4 | 17.5 | MV | |||
تفاضلية إنهاء غير متطابقة | TP4 | 10 | % | |||
تفاضلية الإخراج إرجاع خسارة | TP4 | وسي-- 2015 المعادلة (83E-2) | ||||
مشترك إلى تفاضلية الوضع تحويل إرجاع خسارة | TP4 | وسي-- 2015 المعادلة (83E-3) | ||||
الانتقال الوقت ، 20% إلى 80% | TP4 | 9.5 | Ps | |||
قرب النهاية عين التماثل قناع عرض (ESMW) | TP4 | 0.265 | UI | |||
قرب النهاية عين ارتفاع ، تفاضلية | TP4 | 70 | MV | |||
نهاية بعيدة عين التماثل قناع عرض (ESMW) | TP4 | 0.2 | UI | |||
نهاية بعيدة عين ارتفاع ، تفاضلية | TP4 | 30 | MV | |||
نهاية بعيدة قبل المؤشر نسبة ISI | TP4 | -تاج | 2.5 | % | ||
مشترك الوضع الإخراج الجهد (Vcm) | TP4 | -من | 2850 | MV | 3 | |
ملاحظات:
1. باستثناء iee 802.3bs 120.3.1.2 أن النمط PRBS31Q أو الخمول.
2. يلتقي بير المحدد في IEEE 802.3bs 120.1.1.
جهد الوضع الشائع 3. DC الذي تم إنشاؤه بواسطة المضيف. تشمل المواصفات آثار جهد الإزاحة الأرضي.
الخصائص البصرية
المعلَمة | رمز | دقيقة | نموذجي | ماكس | وحدة | ملاحظات |
الطول الموجي التعيين | L0 | 1264.5 | 1271 | 1277.5 | نانومتر | |
L1 | 1284.5 | 1291 | 1297.5 | نانومتر | ||
L2 | 1304.5 | 1311 | 1317.5 | نانومتر | ||
L3 | 1324.5 | 1331 | 1337.5 | نانومتر | ||
مرسل | ||||||
معدل البيانات ، كل ممر | ± جزء في المليون | جيجابايت | ||||
تعديل تنسيق | بام 4 | |||||
الوضع الجانبي نسبة القمع | SMSR | 30 | ديسيبل | |||
مجموع المتوسط طاقة إطلاق | PT | 10.0 | ديسيبل | |||
متوسط الإطلاق قوة ، كل ممر | خنزير | -سق | 4.0 | ديسيبل | 1 | |
بصري خارجي سعة التعديل (أوماوتر) ، كل ممر | بوما | 0.2 | 4.2 | ديسيبل | 2 | |
إطلاق الطاقة في أوماوتر ناقص TDECQ) ، كل حارة ل ER ≥ 4.5dB لاير> 4.5 ديسيبل | -من -من | ديسيبل | ||||
الارسال و عين متبعدة إغلاق ل PAM4 ، كل ممر | TDECQ | 3.9 | ديسيبل | |||
TDECQ - 10 * log10(Ceq) ، كل ممر | 3.9 | ديسيبل | 3 | |||
نسبة الانقراض | ER | 3.5 | ديسيبل | |||
الفرق في طاقة إطلاق بين أي حارات (أوماووتر) | 4 | ديسيبل | ||||
رينوما 15.6oma | رين | -مكعب | ديسيبل/هرتز | |||
العودة البصرية تحمل الخسارة | تول | 15.6 | ديسيبل | |||
انعكاس جهاز الإرسال | RT | -26 | ديسيبل | |||
مرسل الانتقال الوقت | 17 | Ps | ||||
متوسط الإطلاق قوة خارج جهاز إرسال ، كل ممر | بوف | -20 | ديسيبل | |||
جهاز استقبال | ||||||
معدل البيانات ، كل حارة | ± جزء في المليون | جيجابايت | ||||
تنسيق التعديل | بام 4 | |||||
عتبة الضرر ، كل ممر | THd | 5.0 | ديسيبل | 4 | ||
متوسط استلام قوة ، كل ممر | -أولاً | 4.0 | ديسيبل | 5 | ||
استلام الطاقة (أوماوتر) ، كل ممر | 4.2 | ديسيبل | ||||
الفرق في طاقة جهاز الاستقبال بين أي اثنين من حاربي (أوماووتر) | 4.6 | ديسيبل | ||||
حساسية جهاز الاستقبال (أوماوتر) ، كل ممر | سين | المعادلة (1) | ديسيبل | 6 | ||
جهاز استقبال متوتر حساسية (OMAouter) ، كل ممر | خروس | -أولاً | ديسيبل | 7 | ||
انعكاس جهاز استقبال | آر آر | -26 | ديسيبل | |||
لوس تأكيد | لوسا | -20 | ديسيبل | |||
لوس دي-سيريس | لوسد | -من | ديسيبل | |||
لوس التباطؤ | لوش | 0.5 | ديسيبل | |||
ظروف متوترة للإجهاد حساسية جهاز الاستقبال (الملاحظة 8) | ||||||
العين المجهدة إغلاق ل PAM4 (SECQ) ، ممر تحت الاختبار | 3.9 | ديسيبل | ||||
SECQ - 10 * log10(Ceq) ، ممر تحت الاختبار | 3.9 | ديسيبل | ||||
أوماوتر من كل ممر معتدي | 0.5 | ديسيبل | ||||
ملاحظات:
1. متوسط قوة الإطلاق ، كل مسار (دقيقة) غني بالمعلومات وليس المؤشر الرئيسي لقوة الإشارة. لا يمكن أن يكون جهاز إرسال بقوة إطلاق أقل من هذه القيمة متوافقًا ؛ ومع ذلك ، فإن القيمة التي تفوق هذا لا تضمن الامتثال.
2. حتى إذا كان TDECQ> 1.4 ديسيبل لنسبة انقراض تبلغ ≥ 4.5dB أو TDECQ> 1.3 ديسيبل لنسبة انقراض أقل من 4.5 ديسيبل ، يجب أن يتجاوز أوماووتر (دقيقة) الحد الأدنى للقيمة المحددة هنا.
3. Ceq هو معامل محدد في iee Std-ise البند 121.8.5.3 والذي يمثل تعزيز الضوضاء المرجعي المعادل.
4. متوسط طاقة الاستقبال ، كل مسار (دقيقة) غني بالمعلومات وليس المؤشر الرئيسي لقوة الإشارة. لا يمكن أن تكون الطاقة المستلمة أقل من هذه القيمة متوافقة ؛ ومع ذلك ، فإن القيمة التي تفوق هذا لا تضمن الامتثال.
5. يجب أن يكون المتلقي قادرًا على تحمل ، دون ضرر ، التعرض المستمر لإشارة دخل بصري معدلة لها مستوى الطاقة هذا على ممر واحد. لا يتعين على المستلم أن يعمل بشكل صحيح عند طاقة الإدخال هذه.
6. حساسية المتلقي (OMAouter) ، كل حارة (حد أقصى) غنية بالمعلومات ويتم تعريفها للمرسل بقيمة SECQ تصل إلى dB. يجب أن تفي بالمعادلة (1) ، الموضحة في الشكل 4.
RS = max(− − ، SECQ−) dBm
أين:
RS هي حساسية المتلقي ، و
SECQ هو جهاز الإرسال المستخدم لقياس حساسية جهاز الاستقبال.
7. يقاس بإشارة اختبار المطابقة في TP3 للبير يساوي 2.0x10-4.
8. شروط الاختبار هذه لقياس حساسية المستقبل المجهدة. فهي ليست من الخصائص الخاصة بجهاز الاستقبال.
الشكل 4. توضيح قناع حساسية جهاز الاستقبال لـ 400 جم-lr4
وظائف التشخيص الرقمية
يتم تعريف الخصائص التشخيصية الرقمية التالية على ظروف التشغيل العادية ما لم ينص على خلاف ذلك.
المعلَمة | رمز | دقيقة | ماكس | وحدات | ملاحظات |
مراقب درجة الحرارة خطأ مطلق | Dmi-temp | -3 | + 3 | ديغك | فوق نطاق درجة حرارة التشغيل |
جهد الإمداد رصد خطأ مطلق | DMI _ VCC | -تقييم | 0.1 | V | أكثر من نطاق التشغيل الكامل |
قناة الطاقة RX رصد خطأ مطلق | Dmi-rxych | -2 | 2 | ديسيبل | 1 |
قناة التحيز شاشة حالية | Dmiebiasch | -تقييم | 10% | أماه | |
قناة TX السلطة رصد خطأ مطلق | Dmi-txych | -2 | 2 | ديسيبل | 1 |
ملاحظات:
1. نظرًا لدقة قياس ألياف أحادية النمط مختلفة ، يمكن أن يكون هناك تذبذب إضافي +/-1 ديسيبل ، أو دقة كلية +/- 3 ديسيبل.
رسم مخطط (مم)
الشكل 5. مخطط ميكانيكي
ESD
تم تحديد جهاز الإرسال والاستقبال هذا على أنه عتبة 1 كيلو فولت لدبابيس البيانات عالية السرعة و 2 كيلو فولت لجميع دبابيس المدخلات الكهربائية الأخرى ، تم اختبارها لكل ، طريقة (HBM). ومع ذلك ، لا تزال هناك حاجة إلى احتياطات ESD العادية أثناء التعامل مع هذه الوحدة. يتم شحن هذا المرسل المستقبل في عبوة واقية من ESD. يجب إزالته من العبوة والتعامل معه فقط في بيئة محمية من ESD.
سلامة الليزر
هذا منتج ليزر من الفئة 1 وفقًا لـ EN-1: ، يتوافق المنتج مع 21 CFR و 42 باستثناء الانحرافات بموجب إشعار الليزر رقم 50 ، بتاريخ (June 24, 100).
تحذير: قد يؤدي استخدام ضوابط أو تعديلات أو أداء إجراءات غير تلك المحددة هنا إلى تعرض إشعاعي خطير.
استخدام
● ○ ز إيثرنت
● ربط مركز البيانات
● وصلات إنفينيب
● شبكة مؤسسة مركز البيانات
| Date | Version | Description | Download | ||
| 2025-03-17 | داتاسفيت _ 400 جم ، LR4 1310 نانومتر | ||||
اشترك الآن ، يمكنك الحصول على الموارد القيمة والأوراق البيضاء.
تابعنا أيضا يمكن الحصول على أحدث المنتجات ومعلومات الصناعة في رسائل البريد الإلكتروني لأعضائنا.تعلم التفاصيل ، مجموعة
اتصل بنا:
البريد الإلكتروني لنا:
2106B ، # 3D ، المتربة 1 من منتزه السعودية ، بانتينة ، لندن ، شنان ، P.R.C