هذا المنتج عبارة عن وحدة بصرية رباعية الشكل قابلة للتغير-وحدة بصرية مزدوجة الكثافة (من) مصممة لتطبيقات الاتصال البصري 2.
هذا المنتج عبارة عن وحدة بصرية رباعية الشكل قابلة للتغير-وحدة بصرية مزدوجة الكثافة (من) مصممة لتطبيقات الاتصال البصري 2. تقوم الوحدة بتحويل 8 قنوات من 50 (PAM4) بيانات مدخلات كهربائية إلى 4 قنوات من إشارات CWDM الضوئية ، وتتعدد الإرسال في قناة واحدة لـ بشكل عكسي ، على جانب المستقبِل ، الوحدة النمطية بصريًا de-multipexes مدخل بصري إلى 4 قنوات من الإشارات البصرية wdm ، وتحولها إلى 8 قنوات من 50 (PAM4) بيانات الإخراج الكهربائي. الأطوال الموجية المركزية للقنوات الأربعة هي من من من من من من حيث الطول الموجي ، من من من من من من حيث الطول الموجي للقنوات الأربعة هي: g.694.2 يحتوي على موصل LC مزدوج للواجهة البصرية وموصل 76-دبوس للواجهة الكهربائية. لتقليل التشتت البصري في نظام المسافات الطويلة ، يجب تطبيق الألياف أحادية النمط (SMF) في هذه الوحدة. مطلوب من المضيف FEC لدعم ما يصل إلى 2 من الألياف انتقال المنتج مصمم بعامل الشكل والاتصال البصري/الكهربائي وواجهة التشخيص الرقمية وفقًا لاتفاق متعدد المصادر (MSA) نوع 2. لقد تم تصميمه لتلبية أقسى ظروف التشغيل الخارجية بما في ذلك درجة الحرارة والرطوبة وتداخل EMI.
الميزات
● ، متوافقة مع MSA
● 4 CWDM lanes MUX/DEMUX تصميم
● G Lambda MSA 400G-fr4 مواصفة متوافقة
● ما يصل إلى 2 ناقل حركة على الألياف أحادية الوضع (SMF) مع FEC
● درجة حرارة حالة التشغيل: 0 إلى 70oC
● الواجهة الكهربائية 8x53. من الخارج (400gau-8)
● معدل البيانات ، Gbps (PAM4) لكل قناة.
● الحد الأقصى لاستهلاك الطاقة 12W
● موصل LC مزدوج
● بنفايات متوافقة
مخطط كتلة الإرسال

الشكل 1. مخطط كتلة الإرسال
تعيين دبوس و ديون
يظهر الدبوس الكهربائي للوحدة في الشكل 2 أدناه.

الشكل 2. موصل متوافق مع MSA
تعريف دبوس
دبوس | المنطق | رمز | ديون | تسلسل القابس | ملاحظات |
1 | GN | أرضي | 1 ب | 1 | |
2 | CML-I | Tx2n | إدخال بيانات مقلوب للمرسل | 3B | |
3 | CML-I | Tx2p | جهاز إرسال بيانات غير مقلوب إدخال | 3B | |
4 | GN | أرضي | 1 ب | 1 | |
5 | CML-I | Tx4n | إدخال بيانات مقلوب للمرسل | 3B | |
6 | CML-I | X4p | جهاز إرسال إدخال بيانات غير مقلوب | 3B | |
7 | GN | أرضي | 1 ب | 1 | |
8 | LVTTL-I | مودسيل | تحديد الوحدة النمطية | 3B | |
9 | LVTTL-I | ريستل | إعادة ضبط الوحدة | 3B | |
10 | VccRx | استقبال امدادات الطاقة V | 2B | 2 | |
11 | LVCMOS- ط/س | SCL | ساعة واجهة تسلسلية بسلك 2 | 3B | |
12 | LVCMOS- ط/س | سدا | بيانات الواجهة التسلسلية 2-سلك | 3B | |
13 | GN | أرضي | 1 ب | 1 | |
14 | CML-O | Rx3p | جهاز استقبال إخراج بيانات غير مقلوب | 3B | |
15 | CML-O | Rx3n | مخرج بيانات مقلوب للمستلم | 3B | |
16 | GN | أرضي | 1 ب | 1 | |
17 | CML-O | Rx1p | جهاز استقبال إخراج بيانات غير مقلوب | 3B | |
18 | CML-O | Rx1n | مخرج بيانات مقلوب للمستلم | 3B | |
19 | GN | أرضي | 1 ب | 1 | |
20 | GN | أرضي | 1 ب | 1 | |
21 | CML-O | Rx2n | مخرج بيانات مقلوب للمستلم | 3B | |
22 | CML-O | Rx2p | جهاز استقبال إخراج بيانات غير مقلوب | 3B | |
23 | GN | أرضي | 1 ب | 1 | |
24 | CML-O | Rx4n | مخرج بيانات مقلوب للمستلم | 3B | |
25 | CML-O | Rx4p | جهاز استقبال إخراج بيانات غير مقلوب | 3B | |
26 | GN | أرضي | 1 ب | 1 | |
27 | LVTTL-O | مودرسل | وحدة الحاضر | 3B | |
28 | LVTTL-O | IntL | المقاطعة | 3B | |
29 | فكتكس | سينج V الارسال امدادات الطاقة | 2B | 2 | |
30 | Vcc1 | امدادات الطاقة ODV V | 2B | 2 | |
31 | LVTTL-I | InitMode | وضع التهيئة ؛ في QSFP القديمة التطبيقات ، وتسمى لوحة InitMode LPMODE | 3B | |
32 | GN | أرضي | 1 ب | 1 | |
33 | CML-I | Tx3p | جهاز إرسال بيانات غير مقلوب إدخال | 3B | |
34 | CML-I | Tx3n | إدخال بيانات مقلوب للمرسل | 3B | |
35 | GN | أرضي | 1 ب | 1 | |
36 | CML-I | Tx1p | جهاز إرسال بيانات غير مقلوب إدخال | 3B | |
37 | CML-I | Tx1n | إدخال بيانات مقلوب للمرسل | 3B | |
38 | GN | أرضي | 1 ب | 1 | |
39 | GN | أرضي | 1 أ | 1 | |
40 | CML-I | Tx6n | إدخال بيانات مقلوب للمرسل | 3A | |
41 | CML-I | Tx6p | جهاز إرسال بيانات غير مقلوب إدخال | 3A | |
42 | GN | أرضي | 1 أ | 1 | |
43 | CML-I | Tx8n | إدخال بيانات مقلوب للمرسل | 3A | |
44 | CML-I | Tx8p | جهاز إرسال بيانات غير مقلوب إدخال | 3A | |
45 | GN | أرضي | 1 أ | 1 | |
46 | محجوز | للاستخدام في المستقبل | 3A | 3 | |
47 | VS1 | وحدة بائع محددة 1 | 3A | 3 | |
48 | VccRx1 | امدادات الطاقة ODV V | 2A | 2 | |
49 | VS2 | وحدة بائع محددة 2 | 3A | 3 | |
50 | VS3 | وحدة بائع محددة 3 | 3A | 3 | |
51 | GN | أرضي | 1 أ | 1 | |
52 | CML-O | Rx7p | جهاز استقبال إخراج بيانات غير مقلوب | 3A | |
53 | CML-O | Rx7n | مخرج بيانات مقلوب للمستلم | 3A | |
54 | GN | أرضي | 1 أ | 1 | |
55 | CML-O | Rx5p | جهاز استقبال إخراج بيانات غير مقلوب | 3A | |
56 | CML-O | Rx5n | مخرج بيانات مقلوب للمستلم | 3A | |
57 | GN | أرضي | 1 أ | 1 | |
58 | GN | أرضي | 1 أ | 1 | |
59 | CML-O | Rx6n | مخرج بيانات مقلوب للمستلم | 3A | |
60 | CML-O | Rx6p | جهاز استقبال إخراج بيانات غير مقلوب | 3A | |
61 | GN | أرضي | 1 أ | 1 | |
62 | CML-O | Rx8n | مخرج بيانات مقلوب للمستلم | 3A | |
63 | CML-O | Rx8p | جهاز استقبال إخراج بيانات غير مقلوب | 3A | |
64 | GN | أرضي | 1 أ | 1 | |
65 | نورث كارولاينا | لا اتصال | 3A | 3 | |
66 | محجوز | للاستخدام في المستقبل | 3A | 3 | |
67 | VccTx1 | امدادات الطاقة ODV V | 2A | 2 | |
68 | Vcc2 | امدادات الطاقة ODV V | 2A | 2 | |
69 | محجوز | للاستخدام في المستقبل | 3A | 3 | |
70 | GN | أرضي | 1 أ | 1 | |
71 | CML-I | Tx7p | جهاز إرسال إدخال بيانات غير مقلوب | 3A | |
72 | CML-I | Tx7n | إدخال بيانات مقلوب للمرسل | 3A | |
73 | GN | أرضي | 1 أ | 1 | |
74 | CML-I | Tx5p | جهاز إرسال إدخال بيانات غير مقلوب | 3A | |
75 | CML-I | Tx5n | إدخال بيانات مقلوب للمرسل | 3A | |
76 | GN | أرضي | 1 أ | 1 |
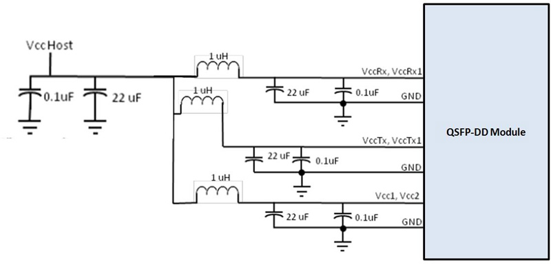
مرشح مزود طاقة موصى به
الشكل 3. مرشح تزويد الطاقة الموصى به
التقييمات القصوى المطلقة
تجدر الإشارة إلى أن العملية التي تتجاوز أي تقييمات قصوى مطلقة فردية قد تسبب ضررًا دائمًا لهذه الوحدة.
ظروف التشغيل ومتطلبات إمدادات الطاقة الموصى بها
المعلَمة | رمز | دقيقة | نموذجي | ماكس | وحدات | ملاحظات |
حقيبة تشغيل درجة الحرارة | أعلى | 0 | 70 | ديغك | ||
مزود طاقة الجهد | VCC | 3.135 | 3.3 | 3.465 | V | |
معدل البيانات ، كل حارة | 26.5625 | جيجابايت | بام 4 | |||
دقة معدل البيانات | -من | 100 | جزء | |||
نسبة الخطأ بت ما قبل FEC | 2.4x10-4 | |||||
نسبة خطأ بت ما بعد FEC | 1x10-12 | 1 | ||||
مسافة الارتباط | د | 0.002 | 2 | كم | 2 |
ملاحظات:
1. FEC المقدمة من النظام المضيف.
2. FEC مطلوب على النظام المضيف لدعم أقصى مسافة.
الخصائص الكهربائية
يتم تعريف الخصائص الكهربائية التالية على بيئة التشغيل الموصى بها ما لم يتم تحديد خلاف ذلك.
المعلَمة | اختبار نقطة | دقيقة | نموذجي | ماكس | وحدات | ملاحظات | |||||||
استهلاك الطاقة | 12 | ث | |||||||||||
العرض الحالي | Icc | 3.63 | أ | ||||||||||
جهاز إرسال (كل ممر) | |||||||||||||
معدل الإشارة ، كل ممر | TP1 | ± جزء في المليون | جيجابايت | ||||||||||
تفاضلية Pk-pk إدخال الجهد التسامح | TP1a | 900 | MVpp | 1 | |||||||||
تفاضلية إنهاء غير متطابقة | TP1 | 10 | % | ||||||||||
تفاضلية إدخال إرجاع خسارة | TP1 | وسي-- 2015 المعادلة (83E-5) | ديسيبل | ||||||||||
الفرق إلى مشترك إدخال الوضع خسارة الإرجاع | TP1 | وسي-- 2015 المعادلة (83E-6) | ديسيبل | ||||||||||
الوحدة متوتر اختبار الإدخال | TP1a | انظر iee 802.3bs 120.3.4.1 | 2 | ||||||||||
ذات نهاية واحدة الجهد التسامح المدى (دقيقة) | TP1a | من من من من من من | V | ||||||||||
العاصمة المشتركة إدخال الوضع الجهد | TP1 | -من | 2850 | MV | 3 | ||||||||
جهاز استقبال (كل حارة) | |||||||||||||
معدل الإشارة ، كل ممر | TP4 | ± جزء في المليون | جيجابايت | ||||||||||
تفاضلية الذروة إلى الذروة الإخراج الجهد | TP4 | 900 | MVpp | ||||||||||
تيار متردد مشترك إخراج الوضع الجهد ، RMS | TP4 | 17.5 | MV | ||||||||||
تفاضلية إنهاء غير متطابقة | TP4 | 10 | % | ||||||||||
تفاضلية الإخراج خسارة الإرجاع | TP4 | وسي-- 2015 المعادلة (83E-2) | |||||||||||
مشترك إلى تفاضلية تحويل الوضع خسارة الإرجاع | TP4 | وسي-- 2015 المعادلة (83E-3) | |||||||||||
وقت الانتقال ، من من من من من | TP4 | 9.5 | Ps | ||||||||||
قرب النهاية تناظر العين قناع عرض (ESMW) | TP4 | 0.265 | UI | ||||||||||
قرب النهاية ارتفاع العين ، تفاضلية | TP4 | 70 | MV | ||||||||||
نهاية بعيدة تناظر العين قناع عرض (ESMW) | TP4 | 0.2 | UI | ||||||||||
نهاية بعيدة ارتفاع العين ، تفاضلية | TP4 | 30 | MV | ||||||||||
نهاية بعيدة قبل المؤشر نسبة ISI | TP4 | -Ww | 2.5 | % | |||||||||
مشترك إخراج الوضع الجهد (Vcm) | TP4 | -من | 2850 | MV | 3 | ||||||||
ملاحظات:
1. باستثناء iee 802.3bs 120.3.1.2 أن النمط PRBS31Q أو الخمول.
2. يلتقي بير المحدد في IEEE 802.3bs 120.1.1.
جهد الوضع الشائع 3. DC الذي تم إنشاؤه بواسطة المضيف. تشمل المواصفات آثار جهد الإزاحة الأرضي.
الخصائص البصرية
المعلَمة | رمز | دقيقة | نموذجي | ماكس | وحدات | ملاحظات | |||||||
تعيين الطول الموجي | L0 | 1264.5 | 1271 | 1277.5 | نانومتر | ||||||||
L1 | 1284.5 | 1291 | 1297.5 | نانومتر | |||||||||
L2 | 1304.5 | 1311 | 1317.5 | نانومتر | |||||||||
L3 | 1324.5 | 1331 | 1337.5 | نانومتر | |||||||||
مرسل | |||||||||||||
معدل البيانات ، كل حارة | ± جزء في المليون | جيجابايت | |||||||||||
تنسيق التعديل | بام 4 | ||||||||||||
الوضع الجانبي نسبة القمع | SMSR | 30 | ديسيبل | ||||||||||
مجموع المتوسط طاقة إطلاق | PT | 9.3 | ديسيبل | ||||||||||
متوسط الإطلاق قوة ، كل ممر | خنزير | -موج | 3.5 | ديسيبل | 1 | ||||||||
بصري خارجي تعديل السعة (OMAouter) ، كل ممر | بوما | -موج | 3.7 | ديسيبل | 2 | ||||||||
إطلاق الطاقة في أوماوتر ناقص TDECQ ، كل حارة ل ER ≥ 4.5dB لاير> 4.5 ديسيبل | -موج -موج | ديسيبل | |||||||||||
الارسال و عين متبعدة إغلاق ل PAM4 ، كل ممر | TDECQ | 3.4 | ديسيبل | ||||||||||
TDECQ - 10 * log10(Ceq) ، كل ممر | 3.4 | ديسيبل | 3 | ||||||||||
نسبة الانقراض | ER | 3.5 | ديسيبل | ||||||||||
الفرق في طاقة إطلاق بين أي اثنين من حاربي (أوماووتر) | 4 | ديسيبل | |||||||||||
RIN17.1OMA | رين | -مكعب | ديسيبل/هرتز | ||||||||||
العودة البصرية تحمل الخسارة | تول | 17.1 | ديسيبل | ||||||||||
انعكاس جهاز الإرسال | RT | -26 | ديسيبل | ||||||||||
انتقال الارسال الوقت | 17 | Ps | |||||||||||
متوسط الإطلاق قوة خارج جهاز إرسال ، كل ممر | بوف | -20 | ديسيبل | ||||||||||
جهاز استقبال | |||||||||||||
معدل البيانات ، كل ممر | ± جزء في المليون | جيجابايت | |||||||||||
تنسيق التعديل | بام 4 | ||||||||||||
عتبة الضرر ، كل ممر | THd | 4.5 | ديسيبل | 4 | |||||||||
متوسط القوة تلقي ، كل ممر | -من | 3.5 | ديسيبل | 5 | |||||||||
استلام الطاقة (أوماوتر) ، كل ممر | 3.7 | ديسيبل | |||||||||||
الفرق في طاقة جهاز الاستقبال بين أي اثنين من حاربي (أوماووتر) | 4.1 | ديسيبل | |||||||||||
جهاز استقبال حساسية (OMAouter) ، كل ممر | سين | معادلة (1) | ديسيبل | 6 | |||||||||
جهاز استقبال متوتر حساسية (أوماوتر) ، كل ممر | خروس | -من | ديسيبل | 7 | |||||||||
انعكاس جهاز استقبال | آر آر | -26 | ديسيبل | ||||||||||
لوس تأكيد | لوسا | -20 | ديسيبل | ||||||||||
لوس دي-سيريس | لوسد | -من | ديسيبل | ||||||||||
لوس التباطؤ | لوش | 0.5 | ديسيبل | ||||||||||
ظروف متوترة لجهاز استقبال الإجهاد الحساسية (الملاحظة 8) | |||||||||||||
العين المجهدة إغلاق ل PAM4 (SECQ) ، ممر تحت الاختبار | 3.4 | ديسيبل | |||||||||||
SECQ - 10 * log10(Ceq) ، ممر تحت الاختبار | 3.4 | ديسيبل | |||||||||||
أوماوتر من كل ممر معتدي | 1.5 | ديسيبل | |||||||||||
تنسيق التعديل | بام 4 | ||||||||||||
ملاحظات: 1. متوسط قوة الإطلاق ، كل مسار (دقيقة) غني بالمعلومات وليس المؤشر الرئيسي لقوة الإشارة. لا يمكن أن يكون جهاز إرسال بقوة إطلاق أقل من هذه القيمة متوافقًا ؛ ومع ذلك ، فإن القيمة التي تفوق هذا لا تضمن الامتثال. 2. حتى إذا كانت نسبة الانقراض TDECQ> من أجل نسبة انقراض تبلغ ≥ dB أو TDECQ> من أجل نسبة انقراض أقل من:-dB ، نسبة الانقراض (دقيقة) يجب أن يتجاوز الحد الأدنى للقيمة المحددة هنا. 3. Ceq هو معامل محدد في iee Std-ise البند 121.8.5.3 والذي يمثل تعزيز الضوضاء المرجعي المعادل. 4. متوسط طاقة الاستقبال ، كل مسار (دقيقة) غني بالمعلومات وليس المؤشر الرئيسي لقوة الإشارة. لا يمكن أن تكون الطاقة المستلمة أقل من هذه القيمة متوافقة ؛ ومع ذلك ، فإن القيمة التي تفوق هذا لا تضمن الامتثال. 5. يجب أن يكون المستلم قادرًا على تحمل التعرض المستمر لإشارة دخل بصري ذات مستوى الطاقة المتوسط هذا دون ضرر. 6. حساسية المستقبل (أوماووتر) معلوماتية ويتم تعريفها للمرسل بقيمة SECQ تصل إلى: dB. يجب أن تفي حساسية المتلقي بالمعادلة (1) ، الموضحة في الشكل 4. أين: RS هي حساسية المتلقي ، و SECQ هو جهاز الإرسال المستخدم لقياس حساسية جهاز الاستقبال. 7. تقاس بإشارة اختبار المطابقة في TP3 للبير يساوي 2.4x10-4. | |||||||||||||
وظائف التشخيص الرقمية
يتم تعريف الخصائص التشخيصية الرقمية التالية على ظروف التشغيل العادية ما لم ينص على خلاف ذلك.
المعلَمة | رمز | دقيقة | ماكس | وحدات | ملاحظات |
مراقب درجة الحرارة خطأ مطلق | Dmi-temp | -3 | 3 | ديغك | فوق نطاق درجة حرارة التشغيل |
جهد الإمداد شاشة خطأ مطلق | DMI _ VCC | -تقييم | 0.1 | V | فوق التشغيل الكامل النطاق |
قناة RX مراقب الطاقة خطأ مطلق | Dmi-rxych | -2 | 2 | ديسيبل | 1 |
قناة التحيز الحالي شاشة | Dmiebiasch | -تقييم | 10% | أماه | |
قناة TX مراقب الطاقة خطأ مطلق | Dmi-txych | -2 | 2 | ديسيبل | 1 |
ملاحظات:
1. نظرًا لدقة قياس ألياف أحادية النمط مختلفة ، يمكن أن يكون هناك تذبذب إضافي +/-1 ديسيبل ، أو دقة كلية +/- 3 ديسيبل.
رسم مخطط (مم)

التطبيقات
● ربط مركز البيانات
● ○ ز إيثرنت
● وصلات إنفينباند
● الربط الشبكي بين المؤسسات
| Date | Version | Description | Download | ||
| 2025-03-17 | Datasheet-400g FR4 1310nm 2km-la-400g-fr4 | ||||
اشترك الآن ، يمكنك الحصول على الموارد القيمة والأوراق البيضاء.
تابعنا أيضا يمكن الحصول على أحدث المنتجات ومعلومات الصناعة في رسائل البريد الإلكتروني لأعضائنا.تعلم التفاصيل ، مجموعة
اتصل بنا:
البريد الإلكتروني لنا:
2106B ، # 3D ، المتربة 1 من منتزه السعودية ، بانتينة ، لندن ، شنان ، P.R.C