هذا المنتج عبارة عن وحدة بصرية رباعية الشكل قابلة للتوصيل-وحدة بصرية مزدوجة الكثافة (من من من من من من من أجل تطبيقات الاتصالات البصرية من من من من m.
هذا المنتج عبارة عن وحدة بصرية رباعية الشكل قابلة للتوصيل-وحدة بصرية مزدوجة الكثافة (من من من من من من من أجل تطبيقات الاتصالات البصرية من من من من m. تقوم الوحدة بتحويل 8 قنوات من 50 (PAM4) بيانات مدخلات كهربائية إلى 4 قنوات من الإشارات الضوئية المتوازية ، كل منها قادرة على تشغيل بالسعر الإجمالي من من من من من من أجل بشكل عكسي ، على جانب المتلقي ، تقوم الوحدة بتحويل قنوات إشارات بصرية متوازية من 4 قنوات لكل قناة لمعدل بيانات إجمالي من من من من من من من 8 قنوات من 50 (PAM4) بيانات الإخراج الكهربائي. يمكن توصيل كابل الألياف الضوئية MTP/our إلى وعاء الوحدة النمطية DR4. يتم ضمان المحاذاة الصحيحة بواسطة دبابيس التوجيه داخل الوعاء. لا يمكن ثني الكبل عادةً من أجل محاذاة القناة المناسبة إلى القناة. يتم التوصيل الكهربائي من خلال موصل حافة من نوع MSA.
تم تصميم المنتج بعامل شكل واتصال بصري/كهربائي وواجهة تشخيص رقمية وفقًا لاتفاقية متعددة المصادر (MSA) النوع 2. لقد تم تصميمه لتلبية أقسى ظروف التشغيل الخارجية بما في ذلك درجة الحرارة والرطوبة وتداخل EMI.
ديون وظيفية. تتضمن الوحدة 4 قنوات متوازية على طول موجي مركزي 1310 نانومتر ، تعمل على طول موجي لكل قناة. مسار الارسال يتضمن رباعية القناة سائق يمل جنبا إلى جنب مع 4 مواز يملس. على مسار المستقبل ، يتم توصيل مصفوفة PD مع قناة TIA رباعية لتحويل المدخل البصري المتوازي إلى 4 قنوات من الإشارات الكهربائية المتوازية (PAM4). يتم استخدام علبة التروس الأساسية DSP لتحويل 8 قنوات من إشارات 25GBaud PAM4 إلى 4 قنوات من 50 إشارة GBaud PAM4 وأيضًا يتم دمج جهاز إعادة ضبط الوقت 8 قنوات وكتلة FEC في هذا DSP. الواجهة الكهربائية متوافقة مع 802.3bs و MSA في اتجاهات الإرسال والاستقبال ، والواجهة البصرية متوافقة مع MSA مع موصل.
يلزم وجود مصدر طاقة فردي بجهد V لتشغيل هذا المنتج. جميع دبابيس تزويد الطاقة متصلة داخليًا ويجب تطبيقها بشكل متزامن. حسب مواصفات MSA ، توفر الوحدة سبعة دبابيس تحكم في الأجهزة منخفضة السرعة (بما في ذلك الواجهة التسلسلية ثنائية الأسلاك): ModSelL ، SCL ، SDA ، ResetL ، InitMode ، ModPrsL و IntL. تحديد الوحدة النمطية (ModSelL) هو دبوس إدخال. عندما يكون هذا المنتج منخفضًا من قبل المضيف ، يستجيب هذا المنتج لأوامر الاتصال التسلسلي المكونة من سلكين. يسمح ModSelL باستخدام هذا المنتج على ناقل واجهة واحد من سلكين-يجب استخدام خطوط ModSelL الفردية. الساعة التسلسلية (SCL) والبيانات التسلسلية (SDA) مطلوبة لواجهة اتصال الناقل التسلسلي ذو السلكين وتمكين المضيف من الوصول إلى خريطة الذاكرة.
يتيح دبوس ResetL إعادة ضبط كاملة ، وإعادة الإعدادات إلى حالتها الافتراضية ، عندما يتم الاحتفاظ بمستوى منخفض على دبوس ResetL لفترة أطول من الحد الأدنى لطول النبض. أثناء تنفيذ إعادة الضبط ، يجب على المضيف أن يتجاهل جميع بتات الحالة حتى يشير إلى الانتهاء من مقاطعة إعادة الضبط. يشير المنتج إلى ذلك عن طريق نشر إشارة إنتل (المقاطعة) مع البيانات _ not بت جاهز في خريطة الذاكرة. لاحظ أنه عند تشغيل الطاقة (بما في ذلك الأيون الساخن) ، يجب أن تنشر الوحدة إكمال إعادة الضبط هذه دون الحاجة إلى إعادة الضبط. وضع التهيئة (InitMode) هو إشارة إدخال. يتم سحبها إلى Vcc في الوحدة النمطية. تسمح إشارة InitMode للمضيف بتحديد ما إذا كانت الوحدة النمطية ستتم تهيئتها تحت تحكم برنامج المضيف (تم تأكيد ارتفاع InitMode) أو التحكم في أجهزة الوحدة النمطية (انخفاض InitMode decoted). تحت تحكم البرنامج المضيف ، تبقى الوحدة في وضع الطاقة المنخفضة حتى يتيح البرنامج الانتقال إلى وضع الطاقة العالية ، كما هو محدد في مواصفات واجهة الإدارة. تحت التحكم في الأجهزة (InitMode de-reserved منخفض) ، قد تنتقل الوحدة على الفور إلى وضع الطاقة العالية بعد تهيئة واجهة الإدارة. لا يغير المضيف حالة هذه الإشارة أثناء وجود الوحدة. في تطبيقات QSFP القديمة ، تُسمى هذه الإشارة LPMode. انظر! لـ LPMode signal deion. الوحدة الحالية (ModPrsL) هي إشارة محلية إلى اللوحة المضيفة والتي ، في حالة عدم وجود منتج ، يتم سحبها عادة إلى المضيف Vcc. عندما يتم تثبيت المنتج في الموصل ، فإنه يُكمل المسار إلى الأرض من خلال مقاوم على لوحة المضيف ويؤكد الإشارة. ثم يشير ModPrsL إلى حاضره عن طريق ضبط ModPrsL إلى حالة منخفضة.
المقاطعة (IntL) هي دبوس إخراج. أقل من ، يشير إلى خطأ تشغيلي محتمل أو حالة حرجة للنظام المضيف. يحدد المضيف مصدر المقاطعة باستخدام الواجهة التسلسلية ذات السلك. دبوس IntL هو مخرج جامع مفتوح ويجب سحبه إلى الجهد المضيف Vcc على اللوحة المضيفة.
الميزات
● ، متوافقة مع MSA
● 4 مداخل بصرية متوازية
● Iee 802.3bs 400 gbase.dr4 متوافقة مع المواصفات
● حتى عرض m على الألياف أحادية الوضع (SMF) مع FEC
● درجة حرارة حالة التشغيل: 0 إلى 70 ℃
● الواجهة الكهربائية 8x53. من الخارج (400gau-8)
● معدل البيانات ، Gbps (PAM4) لكل قناة
● الحد الأقصى لاستهلاك الطاقة 12W
● الموصل
● بنفايات متوافقة
مخطط كتلة الإرسال

الشكل 1. مخطط كتلة الإرسال
تعيين دبوس والوصف
يظهر الدبوس الكهربائي للوحدة في الشكل 2 أدناه.
الشكل 2. موصل متوافق مع MSA
تعريف دبوس
دبوس # | المنطق | رمز | ديون | تسلسل القابس |
1 | GN | أرضي | 1 ب | |
2 | CML-I | Tx2n | إدخال بيانات مقلوب للمرسل | 3B |
3 | CML-I | Tx2p | جهاز إرسال إدخال بيانات غير مقلوب | 3B |
4 | GN | أرضي | 1 ب | |
5 | CML-I | Tx4n | إدخال بيانات مقلوب للمرسل | 3B |
6 | CML-I | X4p | جهاز إرسال إدخال بيانات غير مقلوب | 3B |
7 | GN | أرضي | 1 ب | |
8 | LVTTL-I | مودسيل | تحديد الوحدة النمطية | 3B |
9 | LVTTL-I | ريستل | إعادة ضبط الوحدة | 3B |
10 | VccRx | استقبال امدادات الطاقة V | 2B | |
11 | من من من | SCL | ساعة واجهة تسلسلية بسلك 2 | 3B |
12 | من من من | سدا | بيانات الواجهة التسلسلية 2-سلك | 3B |
13 | GN | أرضي | 1 ب | |
14 | CML-O | Rx3p | جهاز استقبال إخراج بيانات غير مقلوب | 3B |
15 | CML-O | Rx3n | مخرج بيانات مقلوب للمستلم | 3B |
16 | GN | أرضي | 1 ب | |
17 | CML-O | Rx1p | جهاز استقبال إخراج بيانات غير مقلوب | 3B |
18 | CML-O | Rx1n | مخرج بيانات مقلوب للمستلم | 3B |
19 | GN | أرضي | 1 ب | |
20 | GN | أرضي | 1 ب | |
21 | CML-O | Rx2n | مخرج بيانات مقلوب للمستلم | 3B |
22 | CML-O | Rx2p | جهاز استقبال إخراج بيانات غير مقلوب | 3B |
23 | GN | أرضي | 1 ب | |
24 | CML-O | Rx4n | مخرج بيانات مقلوب للمستلم | 3B |
25 | CML-O | Rx4p | جهاز استقبال إخراج بيانات غير مقلوب | 3B |
26 | GN | أرضي | 1 ب | |
27 | LVTTL-O | مودرسل | وحدة الحاضر | 3B |
28 | LVTTL-O | IntL | المقاطعة | 3B |
29 | فكتكس | سينج V الارسال امدادات الطاقة | 2B | |
30 | Vcc1 | امدادات الطاقة ODV V | 2B | |
31 | LVTTL-I | InitMode | وضع التهيئة ؛ في تطبيقات QSFP القديمة ، تسمى لوحة InitMode LPMODE | 3B |
32 | GN | أرضي | 1 ب | |
33 | CML-I | Tx3p | جهاز إرسال إدخال بيانات غير مقلوب | 3B |
34 | CML-I | Tx3n | إدخال بيانات مقلوب للمرسل | 3B |
35 | GN | أرضي | 1 ب | |
36 | CML-I | Tx1p | جهاز إرسال إدخال بيانات غير مقلوب | 3B |
37 | CML-I | Tx1n | إدخال بيانات مقلوب للمرسل | 3B |
38 | GN | أرضي | 1 ب | |
39 | GN | أرضي | 1 أ | |
40 | CML-I | Tx6n | إدخال بيانات مقلوب للمرسل | 3A |
41 | CML-I | Tx6p | جهاز إرسال إدخال بيانات غير مقلوب | 3A |
42 | GN | أرضي | 1 أ | |
43 | CML-I | Tx8n | إدخال بيانات مقلوب للمرسل | 3A |
44 | CML-I | Tx8p | جهاز إرسال إدخال بيانات غير مقلوب | 3A |
45 | GN | أرضي | 1 أ | |
46 | محجوز | للاستخدام في المستقبل | 3A | |
47 | VS1 | وحدة بائع محددة 1 | 3A | |
48 | VccRx1 | امدادات الطاقة ODV V | 2A | |
49 | VS2 | وحدة بائع محددة 2 | 3A | |
50 | VS3 | وحدة بائع محددة 3 | 3A | |
51 | GN | أرضي | 1 أ | |
52 | CML-O | Rx7p | جهاز استقبال إخراج بيانات غير مقلوب | 3A |
53 | CML-O | Rx7n | مخرج بيانات مقلوب للمستلم | 3A |
54 | GN | أرضي | 1 أ | |
55 | CML-O | Rx5p | جهاز استقبال إخراج بيانات غير مقلوب | 3A |
56 | CML-O | Rx5n | مخرج بيانات مقلوب للمستلم | 3A |
57 | GN | أرضي | 1 أ | |
58 | GN | أرضي | 1 أ | |
59 | CML-O | Rx6n | مخرج بيانات مقلوب للمستلم | 3A |
60 | CML-O | Rx6p | جهاز استقبال إخراج بيانات غير مقلوب | 3A |
61 | GN | أرضي | 1 أ | |
62 | CML-O | Rx8n | مخرج بيانات مقلوب للمستلم | 3A |
63 | CML-O | Rx8p | جهاز استقبال إخراج بيانات غير مقلوب | 3A |
64 | GN | أرضي | 1 أ | |
65 | نورث كارولاينا | لا اتصال | 3A | |
66 | محجوز | للاستخدام في المستقبل | 3A | |
67 | VccTx1 | امدادات الطاقة ODV V | 2A | |
68 | Vcc2 | امدادات الطاقة ODV V | 2A | |
69 | محجوز | للاستخدام في المستقبل | 3A | |
70 | GN | أرضي | 1 أ | |
71 | CML-I | Tx7p | جهاز إرسال إدخال بيانات غير مقلوب | 3A |
72 | CML-I | Tx7n | إدخال بيانات مقلوب للمرسل | 3A |
73 | GN | أرضي | 1 أ | |
74 | CML-I | Tx5p | جهاز إرسال إدخال بيانات غير مقلوب | 3A |
75 | CML-I | Tx5n | إدخال بيانات مقلوب للمرسل | 3A |
76 | GN | أرضي | 1 أ |
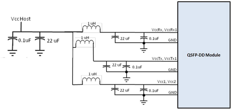
مرشح مزود طاقة موصى به

الشكل 3. مرشح تزويد الطاقة الموصى به
التقييمات القصوى المطلقة
تجدر الإشارة إلى أن العملية التي تتجاوز أي تقييمات قصوى مطلقة فردية قد تسبب ضررًا دائمًا لهذه الوحدة.
المعلَمة | رمز | دقيقة | ماكس | وحدات | ملاحظات |
درجة حرارة التخزين | TS | -40 | 85 | ديغك | |
حقيبة تشغيل درجة الحرارة | أعلى | 0 | 70 | ديغك | |
مزود طاقة الجهد | VCC | -تقييم | 3.6 | V | |
الرطوبة النسبية (بدون تكاثف) | RH | 0 | 85 | % | |
عتبة الضرر ، كل ممر | THd | 5 | ديسيبل |
ظروف التشغيل ومتطلبات إمدادات الطاقة الموصى بها
المعلَمة | رمز | دقيقة | نموذجي | ماكس | وحدات | ملاحظات |
التشغيل حافظة درجة الحرارة | أعلى | 0 | 70 | ديغك | ||
مزود طاقة V Oltage | VCC | 3.135 | 3.3 | 3.465 | V | |
معدل البيانات ، كل ممر | 26.5625 | جيجابايت | بام 4 | |||
معدل البيانات الدقة | -من | 100 | جزء | |||
لقمة ما قبل FEC نسبة الخطأ | 2.4x10-4 | |||||
لقمة ما بعد FEC نسبة الخطأ | 1x10-12 | 1 | ||||
مسافة الارتباط | د | 2 | 500 | م | 2 |
ملاحظات:
يتم توفير FEC بواسطة النظام المضيف.
مطلوب FEC على النظام المضيف لدعم أقصى مسافة.
الخصائص الكهربائية
يتم تعريف الخصائص الكهربائية التالية على بيئة التشغيل الموصى بها ما لم يتم تحديد خلاف ذلك.
المعلَمة | نقطة الاختبار | دقيقة | نموذجي | ماكس | وحدات | ملاحظات |
استهلاك الطاقة | 12 | ث | ||||
العرض الحالي | Icc | 3.64 | أ | |||
جهاز إرسال (كل ممر) | ||||||
معدل الإشارة ، كل ممر | TP1 | ± جزء في المليون | جيجابايت | |||
Pk-pk تفاضلي مساهمة الجهد التسامح | TP1a | 900 | MVpp | 1 | ||
تفاضلية إنهاء غير متطابقة | TP1 | 10 | % | |||
مدخل تفاضلي خسارة الإرجاع | TP1 | وسي-- 2015 المعادلة (83E-5) | ديسيبل | |||
الفرق إلى وضع مشترك خسارة إرجاع المدخلات | TP1 | وسي-- 2015 المعادلة (83E-6) | ديسيبل | |||
وحدة الإجهاد اختبار الإدخال | TP1a | انظر iee 802.3bs 120.3.4.1 | 2 | |||
ذات نهاية واحدة تحمل الجهد المدى (دقيقة) | TP1a | من من من من من من | V | |||
العاصمة المشتركة إدخال الوضع الجهد | TP1 | -من | 2850 | MV | 3 | |
جهاز استقبال (كل مسار) | ||||||
معدل الإشارة ، كل ممر | TP4 | ± جزء في المليون | جيجابايت | |||
تفاضلية الذروة إلى الذروة الجهد الناتج | TP4 | 900 | MVpp | |||
تيار متردد مشترك إخراج الوضع الجهد ، RMS | TP4 | 17.5 | MV | |||
تفاضلية عدم تطابق الإنهاء | TP4 | 10 | % | |||
الناتج التفاضلي خسارة الإرجاع | TP4 | وسي-- 2015 المعادلة (83E-2) | ||||
مشترك إلى وضع تفاضلي خسارة إرجاع التحويل | TP4 | وسي-- 2015 المعادلة (83E-3) | ||||
وقت الانتقال ، من من من من من | TP4 | 9.5 | Ps | |||
قرب النهاية تناظر العين عرض القناع (ESMW) | TP4 | 0.265 | UI | |||
العين القريبة من النهاية ارتفاع ، التفاضلية | TP4 | 70 | MV | |||
عين بعيدة النهاية قناع التماثل عرض (ESMW) | TP4 | 0.2 | UI | |||
عين بعيدة النهاية ارتفاع ، التفاضلية | TP4 | 30 | MV | |||
نهاية بعيدة قبل المؤشر نسبة ISI | TP4 | -Ww | 2.5 | % | ||
وضع مشترك جهد الخرج (Vcm) | TP4 | -من | 2850 | MV | 3 | |
ملاحظات:
باستثناء iee 802.3bs 120E.3.1.2 أن النمط PRBS31Q أو الخمول.
يلتقي بمحدد في iee 802.3bs 120.1.1.
جهد الوضع المشترك DC الذي تم إنشاؤه بواسطة المضيف. تشمل المواصفات آثار جهد الإزاحة الأرضي.
الخصائص البصرية
المعلَمة | رمز | دقيقة | نموذجي | ماكس | وحدات | ملاحظات |
الطول الموجي المركزي | Λc | 1304.5 | 1310 | 1317.5 | نانومتر | |
مرسل | ||||||
معدل البيانات ، كل ممر | ± جزء في المليون | جيجابايت | ||||
تنسيق التعديل | بام 4 | |||||
الوضع الجانبي نسبة القمع | SMSR | 30 | ديسيبل | |||
متوسط الإطلاق قوة ، كل ممر | خنزير | -من | 4 | ديسيبل | 1 | |
بصري خارجي سعة التعديل (أوماوتر) ، كل ممر | بوما | -من | 4.2 | ديسيبل | 2 | |
إطلاق الطاقة في أوماوتر ناقص TDECQ) ، كل ممر ل ER ≥ 5dB ل ER> 5dB | -تق -من | ديسيبل | ||||
الارسال و عين متبعدة إغلاق ل PAM4 ، كل ممر | TDECQ | 3.4 | ديسيبل | |||
TDECQ - 10 * log10(Ceq) ، كل ممر | 3.4 | ديسيبل | 3 | |||
نسبة الانقراض | ER | 3.5 | ديسيبل | |||
RIN21.4OMA | رين | -مكعب | ديسيبل/هرتز | |||
العودة البصرية تحمل الخسارة | تول | 21.4 | ديسيبل | |||
انعكاس جهاز الإرسال | آر | -26 | ديسيبل | |||
وقت انتقال المرسل | 17 | Ps | ||||
متوسط الإطلاق قوة خارج جهاز إرسال ، كل ممر | بوف | -15 | ديسيبل | |||
جهاز استقبال | ||||||
معدل البيانات ، كل حارة | ± جزء في المليون | جيجابايت | ||||
تنسيق التعديل | بام 4 | |||||
عتبة الضرر ، كل ممر | THd | 5 | ديسيبل | 4 | ||
متوسط استلام قوة ، كل ممر | -سق | 4 | ديسيبل | 5 | ||
استلام الطاقة (OMAouter) ، كل حارة | 4.2 | ديسيبل | ||||
حساسية جهاز الاستقبال (OMAouter) ، كل حارة | سين | معادلة (1) | ديسيبل | 6 | ||
جهاز استقبال متوتر حساسية (OMAouter) ، كل ممر | خروس | -من | ديسيبل | 7 | ||
انعكاس جهاز استقبال | آر آر | -26 | ديسيبل | |||
لوس تأكيد | لوسا | -15 | ديسيبل | |||
لوس دي-سيريس | لوسد | -من | ديسيبل | |||
لوس التباطؤ | لوش | 0.5 | ديسيبل | |||
ظروف متوترة لجهاز استقبال الإجهاد الحساسية (الملاحظة 8) | ||||||
العين المجهدة إغلاق ل PAM4 (SECQ) ، ممر تحت الاختبار | 3.4 | ديسيبل | ||||
SECQ - 10 * log10(Ceq) ، ممر تحت الاختبار | 3.4 | ديسيبل | ||||
أوماوتر من كل ممر معتدي | 4.2 | ديسيبل | ||||
ملاحظات:
1. متوسط قوة الإطلاق ، كل مسار (دقيقة) غني بالمعلومات وليس المؤشر الرئيسي لقوة الإشارة. لا يمكن أن يكون جهاز إرسال بقوة إطلاق أقل من هذه القيمة متوافقًا ؛ ومع ذلك ، فإن القيمة التي تفوق هذا لا تضمن الامتثال.
2. حتى إذا كان TDECQ> 1.4 ديسيبل لنسبة انقراض تبلغ ≥ 5dB أو TDECQ> 1.1dB لنسبة انقراض تبلغ أقل من 5 ديسيبل ، يجب أن يتجاوز OMAouter (min) الحد الأدنى للقيمة المحددة هنا.
3. Ceq هو معامل محدد في iee Std-ise البند 121.8.5.3 والذي يمثل تعزيز الضوضاء المرجعي المعادل.
4. متوسط طاقة الاستقبال ، كل مسار (دقيقة) غني بالمعلومات وليس المؤشر الرئيسي لقوة الإشارة. لا يمكن أن تكون الطاقة المستلمة أقل من هذه القيمة متوافقة ؛ ومع ذلك ، فإن القيمة التي تفوق هذا لا تضمن الامتثال.
5. يجب أن يكون المتلقي قادرًا على تحمل ، دون ضرر ، التعرض المستمر لإشارة دخل بصري معدلة لها مستوى الطاقة هذا على ممر واحد. لا يتعين على المستلم أن يعمل بشكل صحيح عند طاقة الإدخال هذه.
6. حساسية المتلقي (OMAouter) ، كل حارة (حد أقصى) غنية بالمعلومات ويتم تعريفها للمرسل بقيمة SECQ تصل إلى dB. يجب أن تفي بالمعادلة (1) ، الموضحة في الشكل 4.
أين:
RS هي حساسية المتلقي ، و
SECQ هو جهاز الإرسال المستخدم لقياس حساسية جهاز الاستقبال.
7. تقاس بإشارة اختبار المطابقة في TP3 للبير يساوي 2.4x10-4.
8. شروط الاختبار هذه لقياس حساسية المستقبل المجهدة. فهي ليست من الخصائص الخاصة بجهاز الاستقبال.

الشكل 4. توضيح قناع حساسية جهاز الاستقبال لـ 400 جم-dr4
وظائف التشخيص الرقمية
يتم تعريف الخصائص التشخيصية الرقمية التالية على ظروف التشغيل العادية ما لم ينص على خلاف ذلك.
المعلَمة | رمز | دقيقة | ماكس | وحدات | ملاحظات |
مراقب درجة الحرارة خطأ مطلق | Dmi-temp | -3 | 3 | ديغك | فوق نطاق درجة حرارة التشغيل |
مراقبة الجهد العرض خطأ مطلق | DMI _ VCC | -تقييم | 0.1 | V | فوق التشغيل الكامل النطاق |
قناة الطاقة RX رصد خطأ مطلق | Dmi-rxych | -2 | 2 | ديسيبل | 1 |
قناة التحيز الحالي شاشة | Dmiebiasch | -تقييم | 10% | أماه | |
قناة TX مراقب الطاقة خطأ مطلق | Dmi-txych | -2 | 2 | ديسيبل | 1 |
ملاحظات:
نظرًا لدقة قياس ألياف مختلفة أحادية النمط ، يمكن أن يكون هناك تذبذب إضافي +/-1 ديسيبل ، أو دقة كلية +/- 3 ديسيبل.
رسم مخطط (مم)

ESD
تم تحديد جهاز الإرسال والاستقبال هذا على أنه عتبة ESD 1kV لدبابيس البيانات عالية السرعة و 2kV لجميع دبابيس المدخلات الكهربائية الأخرى ، تم اختبارها لكل ، الطريقة ، بسم (HBM). ومع ذلك ، لا تزال هناك حاجة إلى احتياطات ESD العادية أثناء التعامل مع هذه الوحدة. يتم شحن هذا المرسل المستقبل في عبوة واقية من ESD. يجب إزالته من العبوة والتعامل معه فقط في بيئة محمية من ESD.
سلامة الليزر
هذا منتج ليزر من الفئة 1 وفقًا لـ EN-1: ، يتوافق هذا المنتج مع 21 CFR و 42 باستثناء الانحرافات بموجب إشعار الليزر رقم 50 ، بتاريخ (June 24, 100).
تحذير: قد يؤدي استخدام ضوابط أو تعديلات أو أداء إجراءات غير تلك المحددة هنا إلى تعرض إشعاعي خطير.
التطبيقات
● ○ ز إيثرنت
● وصلات إنفينباند
| Date | Version | Description | Download | ||
| 2025-03-17 | Datasheet-400g DR4 1310nm 500m-ot-400g-dr4 | ||||
اشترك الآن ، يمكنك الحصول على الموارد القيمة والأوراق البيضاء.
تابعنا أيضا يمكن الحصول على أحدث المنتجات ومعلومات الصناعة في رسائل البريد الإلكتروني لأعضائنا.تعلم التفاصيل ، مجموعة
اتصل بنا:
البريد الإلكتروني لنا:
2106B ، # 3D ، المتربة 1 من منتزه السعودية ، بانتينة ، لندن ، شنان ، P.R.C