جهاز الإرسال والاستقبال 2x100gbase-sr4 QSFPDD هو نوع واحد من جهاز الإرسال والاستقبال المتوازي ، حزمة مجموعة VCSEL والدبوس هي التقنية الرئيسية ، من خلال نظام I2C يمكن الاتصال مع الوحدة. إنها ثمانية قنوات ، قابلة للتوصيل.
جهاز الإرسال والاستقبال 2x100gbase-sr4 QSFPDD هو نوع واحد من جهاز الإرسال والاستقبال المتوازي ، حزمة مجموعة VCSEL والدبوس هي التقنية الرئيسية ، من خلال نظام I2C يمكن الاتصال مع الوحدة. إنها ثمانية قنوات ، قابلة للتوصيل ، متوازية ، ألياف بصرية QSFP كثافة مزدوجة لتطبيقات إيثرنت 2x Gigabit ، وحدة عالية الأداء لاتصالات البيانات القصيرة المدى متعددة المسارات وتطبيقات الربط البيني. فهو يدمج ثمانية حارات بيانات في كل اتجاه مع عرض النطاق الترددي 8x our. يمكن أن تعمل كل حارة بسعر 47 متر باستخدام ألياف OM3 أو m باستخدام ألياف OM4. تم تصميم هذه الوحدات للعمل عبر أنظمة الألياف متعددة الأوضاع باستخدام طول موجي اسمي يبلغ 850 نانومتر. تستخدم الواجهة الكهربائية موصل من نوع حافة الاتصال 76. تستخدم الواجهة البصرية موصل 24 ألياف MTP (MPO). تتضمن هذه الوحدة دارة مجربة وتقنية VCSEL لتوفير حياة طويلة موثوقة وأداء عالي وخدمة متسقة.

الشكل 1. مخطط كتلة الوحدة
الميزات
● وحدات الإرسال/الإرسال/الإرسال/الإرسال/الإرسال/8 قنوات مزدوجة بالكامل
● معدل نقل البيانات يصل إلى 26 جيجابايت في الثانية لكل قناة
● 8 قنوات 850nm مجموعة VCSEL
● مجموعة كاشف صور دبوس 8 قنوات
● دوائر cmb الداخلية على كل من قنوات الاستقبال والمرسل
● دعم تجاوز c24
● انخفاض استهلاك الطاقة> 4 وات
● عامل شكل QSFP DD قابل للتوصيل الساخن
● أقصى طول للرابط 70 متر على الألياف متعددة الأوضاع OM3 (MMF) و our m على OM4 MMF
● وعاء موصل MPO24
● درجة حرارة حالة التشغيل 0 درجة مئوية إلى 70 درجة مئوية
● امدادات الطاقة V الجهد
دبوس ديون




الشكل 2. تفاصيل دبوس كهربائي
دبوس مودل سيل
ModSelL هي إشارة إدخال يجب سحبها إلى Vcc في الوحدة النمطية. عندما يكون المضيف منخفضًا ، تستجيب الوحدة لأوامر الاتصال التسلسلي من سلكين. يسمح ModSelL باستخدام وحدات متعددة على ناقل واجهة واحد من سلكين. عندما تكون وحدة ModSelL عالية ، لا تستجيب الوحدة لأي اتصال واجهة من سلكين من المضيف أو تقر به.
لتجنب التعارض ، يجب ألا يحاول النظام المضيف إجراء اتصالات واجهة من سلكين داخل ModSelL de-تأكيد الوقت بعد أن تكون أي وحدات من السند. وبالمثل ، يجب على المضيف الانتظار على الأقل لفترة تأكيد ModSelL قبل التواصل مع وحدة ed الجديدة. قد تتداخل فترات التأكيد والتأكيد على الوحدات المختلفة طالما تم استيفاء متطلبات التوقيت المذكورة أعلاه.
دبوس ResetL
يجب سحب إشارة ResetL إلى Vcc في الوحدة النمطية. يبدأ مستوى منخفض في إشارة إعادة الضبط لفترة أطول من الحد الأدنى لطول النبض (t_ resetinit) (انظر الجدول 13) بإعادة ضبط الوحدة النمطية بالكامل ، وإعادة جميع إعدادات وحدة المستخدم إلى حالتها الافتراضية.
دبوس InitMode
InitMode عبارة عن إشارة إدخال. يجب سحب إشارة InitMode إلى Vcc في الوحدة النمطية. تسمح إشارة InitMode للمضيف بتحديد ما إذا كانت الوحدة النمطية ستتم تهيئتها تحت تحكم برنامج المضيف (تم تأكيد ارتفاع InitMode) أو التحكم في أجهزة الوحدة النمطية (انخفاض InitMode decoted). تحت تحكم البرنامج المضيف ، تبقى الوحدة في وضع الطاقة المنخفضة حتى يتيح البرنامج الانتقال إلى وضع الطاقة العالية ، كما هو محدد في القسم. تحت التحكم في الأجهزة (InitMode de-reserved منخفض) ، قد تنتقل الوحدة على الفور إلى وضع الطاقة العالية بعد تهيئة واجهة الإدارة. لا يغير المضيف حالة هذه الإشارة أثناء وجود الوحدة. في تطبيقات QSFP القديمة ، تُسمى هذه الإشارة LPMode. انظر في إشارة ديون.
دبوس ModPrsL
يجب سحب ModPrsL إلى مضيف Vcc على اللوحة المضيفة وترسيخه في الوحدة النمطية. يتم التأكيد على أن الوحدة النمطية ModPrsL منخفضة من من من حيث التكلفة ، عندما تكون الوحدة النمطية غير موجودة في موصل المضيف.
دبوس انتل
IntL عبارة عن إشارة خرج. إشارة IntL هي مخرج جامع مفتوح ويجب سحبه إلى مضيف Vcc على اللوحة المضيفة. عندما يتم التأكيد على انخفاض الإشارة IntL ، فإنه يشير إلى تغيير في حالة الوحدة النمطية ، أو خطأ تشغيلي محتمل في الوحدة النمطية أو حالة حرجة للنظام المضيف. يحدد المضيف مصدر المقاطعة باستخدام الواجهة التسلسلية ذات السلك. تم إلغاء تأكيد إشارة IntL بالجودة العالية بعد قراءة جميع أعلام المقاطعة المحددة.
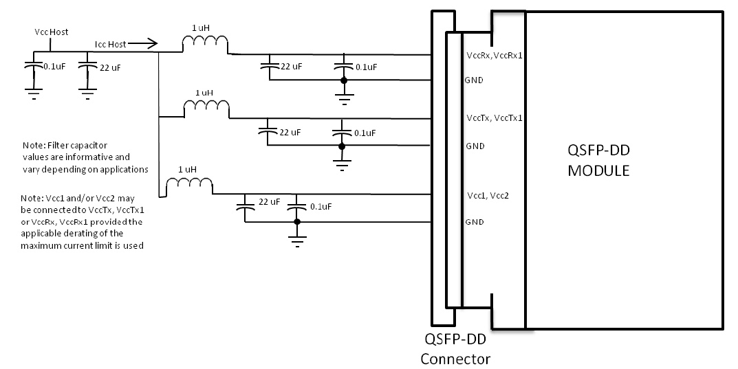
تصفية مزود الطاقة
يجب أن تستخدم لوحة المضيف تصفية إمدادات الطاقة الموضحة في الشكل 3.

الشكل 3. تصفية إمدادات الطاقة لوحة المضيف
مداخل واجهة بصرية وتعيين
منفذ الواجهة البصرية هو موصل MPO24 ذكر.

الشكل 4. وعاء بصري وتوجيه القناة
واجهة مراقبة التشخيص (اختياري)
تتوفر وظيفة مراقبة التشخيص الرقمي على جميع منتجات QSFP DD. واجهة تسلسلية من سلكين توفر للمستخدم الاتصال بالوحدة. هيكل الذاكرة موضح في الشكل 5. مساحة الذاكرة مرتبة في صفحة واحدة سفلية ومساحة عنوان للبايت وصفحات متعددة لمساحة العناوين العلوية. تسمح هذه البنية بالوصول في الوقت المناسب إلى العناوين في الصفحة السفلية ، مثل أعلام المقاطعة والشاشات. وقت أقل للإدخالات الحرجة ، مثل معلومات الهوية التسلسلية وإعدادات العتبة ، متوفرة مع وظيفة تحديد الصفحة. كما يوفر الهيكل توسيع العنوان بإضافة صفحات علوي إضافية حسب الحاجة. عنوان الواجهة المستخدم A0xh وهو يُستخدم بشكل أساسي للبيانات الحساسة للوقت مثل التعامل مع المقاطعة من أجل تمكين قراءة لمرة واحدة لجميع البيانات المتعلقة بحالة المقاطعة. بعد تأكيد المقاطعة ، IntL ، يمكن للمضيف قراءة حقل العلم لتحديد القناة المتأثرة ونوع العلم.

الشكل 5. خريطة ذاكرة QSFP DD

الشكل 6. خريطة ذاكرة منخفضة

رقم 7 خريطة ذاكرة الصفحة 00

توقيت للتحكم الناعم ووظائف الحالة

الشكل 9. مواصفات توقيت
رسم مخطط (مم)

التقييمات القصوى المطلقة
المعلَمة | رمز | دقيقة | ماكس | وحدة |
جهد الإمداد | Vcc | -موج | 3.6 | V |
جهد الإدخال | فين | -موج | + سي سي دي | V |
درجة حرارة التخزين | Tst | -20 | 85 | درجة مئوية |
درجة حرارة تشغيل الحقيبة | أعلى | 0 | 70 | درجة مئوية |
الرطوبة (دون تكاثف) | Rh | 5 | 95 | % |
ظروف التشغيل الموصى بها
المعلَمة | رمز | دقيقة | نموذجي | ماكس | وحدة |
العرض الجهد | Vcc | 3.13 | 3.3 | 3.47 | V |
التشغيل حافظة درجة الحرارة | Tca | 0 | 70 | درجة مئوية | |
معدل البيانات لكل ممر | Fd | 25.78125 | Gbps | ||
الرطوبة | Rh | 5 | 85 | % | |
تبديد الطاقة | مساء | 4 | ث |
المواصفات الكهربائية
المعلَمة | رمز | دقيقة | نموذجي | ماكس | وحدة |
تفاضلية إدخال مقاومة | زين | 90 | 100 | 110 | أوم |
تفاضلية الإخراج مقاومة | زوت | 90 | 100 | 110 | أوم |
تفاضلية جهد الإدخال السعة السعة | ΔVin | 300 | 1100 | MVp-p | |
الناتج التفاضلي سعة الجهد | VOut | 500 | 800 | MVp-p | |
انحراف | Sw | 300 | Ps | ||
معدل الخطأ قليلا | بير | 5-5 | |||
منطق الإدخال مستوى عال | فيف | 2.0 | VCC | V | |
منطق الإدخال مستوى منخفض | فيل | 0 | 0.8 | V | |
منطق الإخراج مستوى عال | فوه | VCC-0.5 | VCC | V | |
منطق الإخراج مستوى منخفض | المجلد | 0 | 0.4 | V |
ملاحظة:
1. BER = 5E-5; PRBS 2 ^. قبل FEC
2. يتم قياس سعة الجهد التفاضلي بين TxnP و TxnN.
3. يتم قياس سعة الجهد الناتج التفاضلي بين RxnP و RxnN.
الخصائص البصرية
الجدول 3-الخصائص البصرية
المعلَمة | رمز | دقيقة | نموذجي | ماكس | وحدة | ملاحظات | |
مرسل | |||||||
الطول الموجي المركزي | Λc | 840 | 850 | 860 | نانومتر | - | |
عرض الطيف RMS | قمرة λ | - | - | 0.6 | نانومتر | - | |
متوسط قوة الإطلاق ، كل ممر | العبوس | -Ww | - | 2.4 | ديسيبل | - | |
تعديل بصري السعة (OMA) ، كل ممر | OMA | -من | 3 | ديسيبل | - | ||
الارسال و عين متبعدة إغلاق (TDEC) ، كل حارة | مدلك | 4.3 | ديسيبل | ||||
نسبة الانقراض | ER | 3 | - | - | ديسيبل | - | |
متوسط الإطلاق قوة خارج جهاز إرسال ، كل ممر | -30 | ديسيبل | - | ||||
قناع عين الإحداثيات: X1 ، X2 ، X3 ، Y1 ، Y2 ، Y3 | قيم المواصفات {من من من من من من ؟ ؟ ؟ ، 1.40.5} | نسبة ضرب = 5x10-5 | |||||
جهاز استقبال | |||||||
الطول الموجي المركزي | Λc | 840 | 850 | 860 | نانومتر | - | |
جهاز استقبال متوتر حساسية في OMA | -من | ديسيبل | 1 | ||||
متوسط الحد الأقصى السلطة في المتلقي, كل ممر المدخلات ، كل حارة | 2.4 | ديسيبل | - | ||||
الحد الأدنى المتوسط السلطة في المتلقي, كل ممر | -من | ديسيبل | |||||
انعكاس جهاز استقبال | -12 | ديسيبل | - | ||||
لوس تأكيد | -30 | ديسيبل | - | ||||
لوس دي ريزرت-OMA | -من | ديسيبل | - | ||||
لوس التباطؤ | 0.5 | ديسيبل | - | ||||
ملاحظة:
1. تقاس بإشارة اختبار المطابقة في TP3 لـ BER = 5E-5 لكل FEC
التطبيقات
● Iee 802.3bm GBASE SR4
| Date | Version | Description | Download | ||
| 2025-03-17 | قاعدة 2x100gbase-sr4 QSFPDD | ||||
اشترك الآن ، يمكنك الحصول على الموارد القيمة والأوراق البيضاء.
تابعنا أيضا يمكن الحصول على أحدث المنتجات ومعلومات الصناعة في رسائل البريد الإلكتروني لأعضائنا.تعلم التفاصيل ، مجموعة
اتصل بنا:
البريد الإلكتروني لنا:
2106B ، # 3D ، المتربة 1 من منتزه السعودية ، بانتينة ، لندن ، شنان ، P.R.C