معدل بيانات يصل إلى 28 جيجابايت في الثانية لكل قناة ، 8 أجهزة إرسال واستقبال للقنوات المزدوجة ، مجموعة VCSEL 850nm مدمجة ومجموعة PD ، موصل MPO24 واحد متوافق مع الواجهة البصرية.
الميزات
● معدل بيانات يصل إلى 28 جيجابايت في الثانية لكل قناة
● 8 أجهزة إرسال واستقبال للقنوات المزدوجة
● مجموعة متكاملة 850nm VCSEL ومجموعة PD
● موصل MPO24 أحادي الوعاء البصري متوافق مع الواجهة البصرية
● مصدر طاقة أحادي الطول
● تنفيذ وظيفة DDM
● عامل الشكل القابل للتوصيل الساخن ،
● الحد الأقصى لطول الرابط من ، m على ألياف MPO OM4 core 24 (MMF)
● تبديد الطاقة: أقل من 100 W
● سلامة الليزر فئة 1 الدولية المعتمدة
● نطاق درجة حرارة التشغيل: 0 ℃ ~ 70 ℃
● متوافقة مع ROHS10
التقييمات القصوى المطلقة
المعلمات | رمز | وحدة | دقيقة | ماكس |
نطاق درجة حرارة التخزين | Ts | مئوية | -40 | 85 |
الرطوبة النسبية | RH | % | 5 | 95 |
الجهد امدادات الطاقة | Vcc | V | -تقييم | + تقييم |
ظروف التشغيل الموصى بها
المعلمات | رمز | وحدة | دقيقة. | نموذجي | ماكس |
حقيبة تشغيل نطاق درجة الحرارة | Tc | مئوية | 0 | 70 | |
الجهد امدادات الطاقة | Vcc | V | 3.14 | 3.3 | 3.46 |
معدل بت NRZ (لكل قناة) | BR | Gbps | 25.78 |
الخصائص البصرية
المعلمات | رمز | وحدة | دقيقة. | نموذجي | ماكس | ملاحظة | |
جهاز إرسال (لكل ممر) | |||||||
سرعة الإشارة لكل ممر | Gbps | 25.78125 | نرز | ||||
الطول الموجي المركزي | نانومتر | 840 | 850 | 860 | |||
عرض الطيف RMS | SW | نانومتر | 0.6 | ||||
متوسط الإطلاق الطاقة لكل ممر | TXPx | ديسيبل | -Ww | 2.4 | |||
Tx OMA في كل ممر | تكسوما | ديسيبل | -من | 3 | |||
الفرق في القوة بين أي حارين (OMA) | DPx | ديسيبل | 4 | ||||
متوسط طاقة الإطلاق خارج الارسال لكل ممر | ديسيبل | -30 | |||||
الارسال و عين متبعدة إغلاق لكل ممر | مدلك | ديسيبل | 4.3 | ||||
إطلاق الطاقة في OMA ناقص TDEC | ديسيبل | -من | |||||
الانقراض البصري نسبة | ER | ديسيبل | 2 | ||||
العودة البصرية تحمل الخسارة | أورل | ديسيبل | 12 | ||||
تدفق مطوق | فلكس | ديسيبل | > Ondus في 19um | ||||
أقل من 4.5um | |||||||
ضجيج الكثافة النسبية | رين | ديسيبل/هرتز | رين | ||||
جهاز استقبال (لكل ممر) | |||||||
سرعة الإشارة لكل ممر | Gbps | 25.78125 | نرز | ||||
الطول الموجي المركزي | نانومتر | 840 | 860 | ||||
عتبة الضرر | DT | ديسيبل | 3.4 | ||||
متوسط استلام الطاقة لكل ممر | RXPx | ديسيبل | -من | 2.4 | |||
طاقة جهاز الاستقبال (OMA) لكل ممر | روما | ديسيبل | 3 | ||||
انعكاس جهاز استقبال | Rfl | ديسيبل | -12 | ||||
إغلاق العين العمودي عقوبة في كل ممر | ديسيبل | 1.9 | |||||
تلقي أكد حساسية (OMA) لكل ممر | خروس | ديسيبل | -من | ||||
حساسية (OMA) لكل ممر | S | ديسيبل | -من | ||||
لوس دي-سيريس | لوسد | ديسيبل | -12 | ||||
لوس تأكيد | لوسا | ديسيبل | -30 | ||||
لوس التباطؤ | ديسيبل | 0.5 | |||||
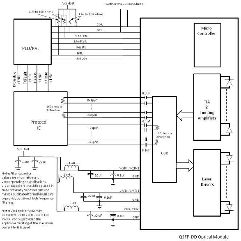
الرسم البياني الأساسي

الشكل 1. مخطط مبدأ الوحدة النمطية
تعريف المنافذ الكهربائية
المعلمات | رمز | وحدة | دقيقة. | نموذجي | ماكس | ملاحظة |
جهد الإمداد | VCC VCC3.3-Tx VCC3.3-Rx | V | 3.14 | 3.3 | 3.46 | |
العرض الحالي | Icc | أماه | 1300 | |||
استهلاك الطاقة | كمبيوتر شخصي | ث | 4.5 | |||
الإرسال تشغيل الطاقة تهيئة الوقت | Ms | 2000 | ||||
مرسل | ||||||
مدخل وحيد الطرف فولتاجيتوليرانسي | فينت | V | -موج | 4.0 | ||
بيانات تفاضلية أرجوحة إدخال | فين | MVp-p | 300 | 1200 | ||
تيار متردد مشترك إخراج الوضع الجهد (RMS) | MV | 15 | ||||
مدخل تفاضلي مقاومة | Ω | 90 | 100 | 110 | ||
جهاز استقبال | ||||||
مدخل وحيد الطرف فولتاجيتوليرانسي | فوتر | V | 0.2 | |||
بيانات تفاضلية أرجوحة خرج | Vout ، PP | MVp-p | 350 | 850 | ||
وضع مشترك AC جهد الخرج (RMS) | MV | 7.5 | ||||
الناتج التفاضلي مقاومة | Ω | 90 | 100 | 110 | ||
الاتصالات إيك | ||||||
تردد الساعة IIC | خز | 100 | 400 | |||
تمتد على مدار الساعة | لنا | 500 | ||||
وقت الاحتفاظ بالبيانات | Ns | 300 | ||||
دبوس ديون

الشكل 2. تفاصيل دبوس كهربائي
دبوس | المنطق | رمز | ديون | ملاحظة |
1 | GN | أرضي | 1 | |
2 | CML-I | Tx2n | TransmitterInvertedDataInput | |
3 | CML-I | Tx2p | TransmitterNon-InvertedDataInput | |
4 | GN | أرضي | 1 | |
5 | CML-I | Tx4n | TransmitterInvertedDataInput | |
6 | CML-I | X4p | TransmitterNon-InvertedDataInput | |
7 | GN | أرضي | 1 | |
8 | LVTTL-I | مودسيل | وحدات | |
9 | LVTTL-I | ريستل | ModuleReset | |
10 | VccRx | جهاز استقبال Powersupply | 2 | |
11 | ويديو/س | SCL | 2-ويزر interfaceclock | |
12 | ويديو/س | سدا | 2-ويزر | |
13 | GN | أرضي | 1 | |
14 | CML-0 | Rx3p | مخارج الاستقبال | |
15 | CML-0 | Rx3n | مخرج المستقبِل | |
16 | GN | أرضي | 1 | |
17 | CML-0 | Rx1p | مخارج الاستقبال | |
18 | CML-0 | Rx1n | مخرج المستقبِل | |
19 | GN | أرضي | 1 | |
20 | GN | أرضي | 1 | |
21 | CML-0 | Rx2n | مخرج المستقبِل | |
22 | CML-0 | Rx2p | مخارج الاستقبال | |
23 | GN | أرضي | 1 | |
24 | CML-0 | Rx4n | مخرج المستقبِل | |
25 | CML-0 | Rx4p | مخارج الاستقبال | |
26 | GN | أرضي | 1 | |
27 | LVTTL-0 | مودرسل | دردشةmodulepresent | |
28 | LVTTL-0 | IntL | المقاطعة | |
29 | فكتكس | Transmitter VPowerSupplytransmitter | 2 | |
30 | Vcc1 | امدادات الطاقة | 2 | |
31 | LVTTL-I | InitMode | وضع التهيئة. في legacyqsfpالتطبيقات ، theIntiModepadisc AlledLPMode | |
32 | GN | أرضي | 1 | |
33 | CML-I | Tx3p | TransmitterNon-InvertedDataInput | |
34 | CML-I | Tx3n | TransmitterInvertedDataInput | |
35 | GN | أرضي | 1 | |
36 | CML-I | Tx1p | TransmitterNon-InvertedDataInput | |
37 | CML-I | Tx1n | TransmitterInvertedDataInput | |
38 | GN | أرضي | 1 | |
39 | GN | أرضي | 1 | |
40 | CML-I | Tx6n | TransmitterInvertedDataInput | |
41 | CML-I | Tx6p | TransmitterNon-InvertedDataInput | |
42 | GN | أرضي | 1 | |
43 | CML-I | Tx8n | TransmitterInvertedDataInput | |
44 | CML-I | Tx8p | TransmitterNon-InvertedDataInput | |
45 | GN | أرضي | 1 | |
46 | محجوز | Forfutureuseاستخدام | 3 | |
47 | VS1 | مودوليفندورسبيسيفيك١ | 3 | |
48 | VccRx1 | جهاز استقبال Powersupply | 2 | |
49 | VS2 | مودوليفندورسبيسيفيك٢ | 3 | |
50 | VS3 | مودوليفندورسبيسيفيك٣ | 3 | |
51 | GN | أرضي | 1 | |
52 | CML-0 | Rx7p | مخارج الاستقبال | |
53 | CML-0 | Rx7n | مخرج المستقبِل | |
54 | GN | أرضي | 1 | |
55 | CML-0 | Rx5p | مخارج الاستقبال | |
56 | CML-0 | Rx5n | مخرج المستقبِل | |
57 | GN | أرضي | 1 | |
58 | GN | أرضي | 1 | |
59 | CML-0 | Rx6n | مخرج المستقبِل | |
60 | CML-0 | Rx6p | مخارج الاستقبال | |
61 | GN | أرضي | 1 | |
62 | CML-0 | Rx8n | مخرج المستقبِل | |
63 | CML-0 | Rx8p | مخارج الاستقبال | |
64 | GN | أرضي | 1 | |
65 | نورث كارولاينا | نوتكونيكت | 3 | |
66 | محجوز | Forfutureuseاستخدام | 3 | |
67 | VccTx1 | Transmitter VPowerSupplytransmitter | 2 | |
68 | Vcc2 | امدادات الطاقة | 2 | |
70 | GN | أرضي | 1 | |
71 | CML-I | Tx7p | TransmitterNon-InvertedDataInput | |
72 | CML-I | Tx7n | TransmitterInvertedDataInput | |
73 | GN | أرضي | 1 | |
74 | CML-I | Tx5p | TransmitterNon-InvertedDataInput | |
75 | CML-I | Tx5n | TransmitterInvertedDataInput | |
76 | GN | أرضي | 1 |
ملاحظات:
1. تستخدم الأرضية المشتركة (GND) لجميع الإشارات والإمدادات (الطاقة). يتم الرجوع إلى جميع الفولتية الشائعة داخل الوحدة النمطية وجميع الفولتية النمطية إلى هذه الإمكانية ما لم يذكر خلاف ذلك. توصيل أطروحات مباشرة إلى إشارة مجلس المضيف الطائرة الأرضية المشتركة.
2. يتم تطبيق VccRx و VccRx1 و Vcc1 و Vcc2 و VccTx و vctx1 بشكل متزامن. المتطلبات المحددة لجانب المضيف من موصل حافة البطاقة المضيفة مدرجة في الجدول 4. VccRx ، VccRx1 ، Vcc1 ، Vcc2 ، VccTx ، و VccTx1 قد تكون متصلة داخليًا داخل الوحدة النمطية بأي مجموعة. يتم تصنيف كل دبابيس موصل Vcc لتيار أقصى 1000mA.
3. يمكن إنهاء جميع دبابيس البائع المحددة والمحجوزة وعدم الاتصال مع 50 أوم على الأرض على المضيف. يجب ترك لوحة 65 (بدون اتصال) غير متصلة داخل الوحدة. يجب أن تكون منصات البائع المحددة والمحجوزة مقاومة إلى GND أكبر من 10 kOhms وأقل من 100pF.
خريطة ذاكرة تشخيصية رقمية

الشكل 3 خريطة الذاكرة التشخيصية الرقمية
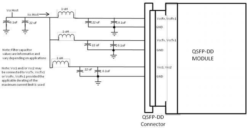
ترشيح مصدر الطاقة للوحة المضيفة
يتم حساب أي انخفاض في الجهد عبر شبكة مرشح على المضيف مقابل مواصفات دقة نقطة مجموعة المضيف DC. يجب استخدام محاثات ذات مقاومة للتيار المستمر أقل من ، أوم للحفاظ على الجهد الكهربائي المطلوب عند موصل بطاقة الحافة المضيفة. الرقم هو واجهة جهاز الإرسال والاستقبال/المضيف المقترحة.

الشكل 4 أوصى مجلس المضيف تصفية إمدادات الطاقة
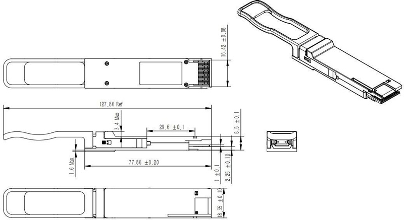
رسم مخطط (مم)

مخطط حزمة الشكل 5

الشكل 6 مخطط Pinout MPO و Deion
توصية تخطيط المضيف الرصاص

توصية تخطيط 7 Pb الشكل
التطبيقات
● 200 gbase.sr8 إيثرنت
● إيثرنت 2 × 100 جيجابايت-sr4
● التبديل واتصالات جهاز التوجيه
● مراكز البيانات
● متطلبات أخرى للربط البيني
| Date | Version | Description | Download | ||
| 2025-03-17 | داتاشيت _ 200g SR8 850nm _ من من | ||||
اشترك الآن ، يمكنك الحصول على الموارد القيمة والأوراق البيضاء.
تابعنا أيضا يمكن الحصول على أحدث المنتجات ومعلومات الصناعة في رسائل البريد الإلكتروني لأعضائنا.تعلم التفاصيل ، مجموعة
اتصل بنا:
البريد الإلكتروني لنا:
2106B ، # 3D ، المتربة 1 من منتزه السعودية ، بانتينة ، لندن ، شنان ، P.R.C