هذا المنتج عبارة عن وحدة بصرية رباعية الشكل قابلة للتجميع-وحدة بصرية مزدوجة الكثافة (من) مصممة لتطبيقات الاتصالات البصرية.
هذا المنتج عبارة عن وحدة بصرية رباعية الشكل قابلة للتجميع-وحدة بصرية مزدوجة الكثافة (من) مصممة لتطبيقات الاتصالات البصرية. تقوم الوحدة بتحويل 8 قنوات من 25 (NRZ) بيانات مدخلات كهربائية إلى 4 قنوات من الإشارات الضوئية ، وتحثها في قناة واحدة للإرسال البصري المتعدد (PMA4). بشكل عكسي ، على جانب المستقبِل ، الوحدة النمطية بصريًا de-multiexes a (PMA4) الإدخال البصري (PMA4) إلى 4 قنوات من الإشارات الضوئية WDM ، وتحولها إلى 8 قنوات من 25 (NRZ) بيانات الإخراج الكهربائي. الأطوال الموجية المركزية لقنوات WDM ذات 4 LAN هي: ، من من من من من ومن ومن ومن ومن ومن ومن ومن ومن ومن ومن ومن ومن ومن هم أعضاء الشبكة الموجية LAN WDM المحددة في IEe802.3ba. يحتوي على موصل LC مزدوج للواجهة البصرية وموصل 76-دبوس للواجهة الكهربائية. لتقليل التشتت البصري في نظام المسافات الطويلة ، يجب تطبيق الألياف أحادية النمط (SMF) في هذه الوحدة. يمكن أن تدعم ما يصل إلى 30 من من خلال بساط G FEC و 40 من خلال PFEC المدمج. تم تصميم المنتج بعامل شكل واتصال بصري/كهربائي وواجهة تشخيص رقمية وفقًا لاتفاق متعدد المصادر (MSA). لقد تم تصميمه لتلبية أقسى ظروف التشغيل الخارجية بما في ذلك درجة الحرارة والرطوبة وتداخل EMI.
الميزات
● ، متوافقة مع MSA
● 4 LWDM lanes MUX/DEMUX تصميم
● ما يصل إلى 40 ناقل حركة على الألياف أحادية الوضع (SMF) مع PFEC مدمج
● درجة حرارة حالة التشغيل: 0 إلى 70oC
● الحد الأقصى لاستهلاك الطاقة 12W
● موصل LC مزدوج
● بنفايات متوافقة
مخطط كتلة الإرسال

الشكل 1. مخطط كتلة الإرسال
تعيين دبوس و ديون
يظهر الدبوس الكهربائي للوحدة في الشكل 2 أدناه.

الشكل 2. موصل متوافق مع MSA
تعريف دبوس
37 | CML-I | Tx1n | إدخال بيانات مقلوب للمرسل | 3B | |
38 | GN | أرضي | 1 ب | 1 | |
39 | GN | أرضي | 1 أ | 1 | |
40 | CML-I | Tx6n | إدخال بيانات مقلوب للمرسل | 3A | |
41 | CML-I | Tx6p | جهاز إرسال بيانات غير مقلوب إدخال | 3A | |
42 | GN | أرضي | 1 أ | 1 | |
43 | CML-I | Tx8n | إدخال بيانات مقلوب للمرسل | 3A | |
44 | CML-I | Tx8p | جهاز إرسال بيانات غير مقلوب إدخال | 3A | |
45 | GN | أرضي | 1 أ | 1 | |
46 | محجوز | للاستخدام في المستقبل | 3A | 3 | |
47 | VS1 | وحدة بائع محددة 1 | 3A | 3 | |
48 | VccRx1 | امدادات الطاقة ODV V | 2A | 2 | |
49 | VS2 | وحدة بائع محددة 2 | 3A | 3 | |
50 | VS3 | وحدة بائع محددة 3 | 3A | 3 | |
51 | GN | أرضي | 1 أ | 1 | |
52 | CML-O | Rx7p | جهاز استقبال إخراج بيانات غير مقلوب | 3A | |
53 | CML-O | Rx7n | مخرج بيانات مقلوب للمستلم | 3A | |
54 | GN | أرضي | 1 أ | 1 | |
55 | CML-O | Rx5p | جهاز استقبال إخراج بيانات غير مقلوب | 3A | |
56 | CML-O | Rx5n | مخرج بيانات مقلوب للمستلم | 3A | |
57 | GN | أرضي | 1 أ | 1 | |
58 | GN | أرضي | 1 أ | 1 | |
59 | CML-O | Rx6n | مخرج بيانات مقلوب للمستلم | 3A | |
60 | CML-O | Rx6p | جهاز استقبال إخراج بيانات غير مقلوب | 3A | |
61 | GN | أرضي | 1 أ | 1 | |
62 | CML-O | Rx8n | مخرج بيانات مقلوب للمستلم | 3A | |
63 | CML-O | Rx8p | جهاز استقبال إخراج بيانات غير مقلوب | 3A | |
64 | GN | أرضي | 1 أ | 1 | |
65 | نورث كارولاينا | لا اتصال | 3A | 3 | |
66 | محجوز | للاستخدام في المستقبل | 3A | 3 | |
67 | VccTx1 | امدادات الطاقة ODV V | 2A | 2 | |
68 | Vcc2 | امدادات الطاقة ODV V | 2A | 2 | |
69 | محجوز | للاستخدام في المستقبل | 3A | 3 | |
70 | GN | أرضي | 1 أ | 1 | |
71 | CML-I | Tx7p | جهاز إرسال إدخال بيانات غير مقلوب | 3A | |
72 | CML-I | Tx7n | إدخال بيانات مقلوب للمرسل | 3A | |
73 | GN | أرضي | 1 أ | 1 | |
74 | CML-I | Tx5p | جهاز إرسال إدخال بيانات غير مقلوب | 3A | |
75 | CML-I | Tx5n | إدخال بيانات مقلوب للمرسل | 3A | |
76 | GN | أرضي | 1 أ | 1 |
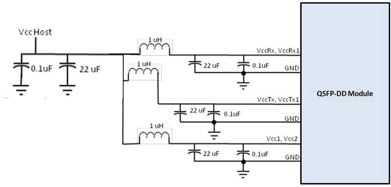
مرشح مزود طاقة موصى به
الشكل 3. مرشح تزويد الطاقة الموصى به
التقييمات القصوى المطلقة
تجدر الإشارة إلى أن العملية التي تتجاوز أي تقييمات قصوى مطلقة فردية قد تسبب ضررًا دائمًا لهذه الوحدة.
المعلَمة | رمز | دقيقة | ماكس | وحدات | ملاحظات |
درجة حرارة التخزين | TS | -40 | 85 | ديغك | |
حقيبة تشغيل درجة الحرارة | أعلى | 0 | 70 | ديغك | |
الجهد امدادات الطاقة | VCC | -تقييم | 3.6 | V | |
الرطوبة النسبية (بدون تكاثف) | RH | 0 | 85 | % | |
عتبة الضرر ، كل ممر | THd | -من | ديسيبل |
ظروف التشغيل ومتطلبات إمدادات الطاقة الموصى بها
المعلَمة | رمز | دقيقة | نموذجي | ماكس | وحدات | ملاحظات |
حقيبة تشغيل درجة الحرارة | أعلى | 0 | 70 | ديغك | ||
مزود طاقة الجهد | VCC | 3.135 | 3.3 | 3.465 | V | |
معدل البيانات ، كل حارة | 26.5625 | جيجابايت | بام 4 | |||
دقة معدل البيانات | -من | 100 | جزء | |||
نسبة الخطأ بت ما قبل FEC | 2.4x10-4 | |||||
نسبة خطأ بت ما بعد FEC | 1x10-12 | 1 | ||||
مسافة الارتباط | د | 0.002 | 30 | كم | 2 | |
مسافة الارتباط | د | 0.002 | 40 | كم | 3 |
ملاحظات:
1. FEC المقدمة من النظام المضيف.
2. FEC مطلوب على النظام المضيف لدعم أقصى مسافة.
3. مطلوب PFEC مدمج لدعم ما يصل إلى 40
الخصائص الكهربائية
يتم تعريف الخصائص الكهربائية التالية على بيئة التشغيل الموصى بها ما لم يتم تحديد خلاف ذلك.
المعلَمة | نقطة الاختبار | دقيقة | نموذجي | ماكس | وحدات | ملاحظات | ||||
12 | SupplyCurrent | 3.64 | إشارة ، eachLane | ± 100ppm | التسامح التفاضلي | 900 | 1 | |||
إنهاء غير متطابقة | 10 | تفاضليةputreturnloss | 802.3- المعادلة ديسيبل | |||||||
TP1 | 2015 (83E-6) | > Span font-size:14px;"=" "stype =" box-sizing: border-box ">dB | ||||||||
وحدة الإجهاد اختبار الإدخال | TP1a | انظر iee 802.3bs 120.3.4.1 | 2 | |||||||
ذات نهاية واحدة تحمل الجهد المدى (دقيقة) | TP1a | من من من من من من | V | |||||||
العاصمة المشتركة إدخال الوضع الجهد | TP1 | -من | 2850 | |||||||
جهاز استقبال (كل مسار) | ||||||||||
معدل الإشارة ، كل ممر | TP4 | ± جزء في المليون | جيجابايت | |||||||
تفاضلية الذروة إلى الذروة الجهد الناتج | TP4 | 900 | ||||||||
تفاضلية إنهاء غير متطابقة | TP4 | 10 | ||||||||
تفاضلية الإخراج إرجاع خسارة | TP4 | وسي-- 2015 المعادلة (83E-2) | ||||||||
مشترك إلى تفاضلية الوضع تحويل خسارة الإرجاع | TP4 | وسي-- 2015 المعادلة (83E-3) | ||||||||
الانتقال الوقت ، 20% إلى 80% | TP4 | 9.5 | ||||||||
قرب النهاية عين التماثل قناع عرض (ESMW) | TP4 | 0.265 | ||||||||
قرب النهاية عين ارتفاع ، تفاضلية | TP4 | 70 | ||||||||
عين بعيدة النهاية التماثل قناع عرض (ESMW) | TP4 | 0.2 | ||||||||
نهاية بعيدة عين ارتفاع ، تفاضلية | TP4 | 30 | ||||||||
نهاية بعيدة قبل المؤشر نسبة ISI | TP4 | -تاج | 2.5 | |||||||
مشترك الوضع الإخراج الجهد (Vcm) | TP4 | -من | 2850 | |||||||
ملاحظات:
1. باستثناء iee 802.3bs 120.3.1.2 أن النمط PRBS31Q أو الخمول.
2. يلتقي بير المحدد في IEEE 802.3bs 120.1.1.
جهد الوضع الشائع 3. DC الذي تم إنشاؤه بواسطة المضيف. تشمل المواصفات آثار جهد الإزاحة الأرضي.
الخصائص البصرية
المعلَمة | رمز | دقيقة | نموذجي | ماكس | وحدات | ملاحظات |
الطول الموجي التعيين | L0 | 1294.53 | 1295.56 | 1296.59 | نانومتر | |
L1 | 1299.02 | 1300.05 | 1301.09 | نانومتر | ||
L2 | 1303.54 | 1304.58 | 1305.63 | نانومتر | ||
L3 | 1308.09 | 1309.14 | 1310.19 | نانومتر | ||
مرسل | ||||||
معدل البيانات ، كل حارة | ± جزء في المليون | جيجابايت | ||||
تنسيق التعديل | بام 4 | |||||
الوضع الجانبي نسبة القمع | SMSR | 30 | ديسيبل | |||
مجموع المتوسط طاقة إطلاق | PT | 14.7 | ديسيبل | |||
متوسط قوة الإطلاق ، كل ممر | خنزير | -تقييم | 5.6 | ديسيبل | ||
بصري خارجي تعديل السعة (OMAouter) ، كل ممر | بوما | 3.4 | 6.4 | ديسيبل | ||
إطلاق الطاقة في أوماوتر ناقص TDECQ ، كل حارة | 3 | ديسيبل | ||||
الارسال و إغلاق عين التبعر لـ PAM4 ، كل حارة | TDECQ | 3.2 | ديسيبل | |||
نسبة الانقراض | ER | 6 | ديسيبل | |||
الفرق في طاقة إطلاق بين أي اثنين من حاربي (أوماووتر) | 4 | ديسيبل | ||||
RIN15.1OMA | رين | -تق | ديسيبل/هرتز | |||
العودة البصرية تحمل الخسارة | تول | 15.1 | ديسيبل | |||
انعكاس جهاز الإرسال | RT | -26 | ديسيبل | |||
متوسط الإطلاق قوة خارج جهاز إرسال ، كل ممر | بوف | -30 | ديسيبل | |||
جهاز استقبال | ||||||
معدل البيانات ، كل حارة | ± جزء في المليون | جيجابايت | ||||
تنسيق التعديل | بام 4 | |||||
الحساسية ، كل ممر | سين 1 | ماكس (-، من من من) | ديسيبل | مقابل 30 ، | ||
الحساسية ، كل ممر | Sen2 | ماكس (-، من من من) | ديسيبل | مقابل 40 | ||
ظروف مرهقة لحساسية مستقبل الإجهاد (الملاحظة 8) | ||||||
إغلاق العين المجهدة ل PAM4 (SECQ) ، ممر تحت الاختبار | 3.4 | ديسيبل | ||||
SECQ - 10 * log10(Ceq) ، ممر تحت الاختبار | ديسيبل | |||||
أوماوتر من كل ممر معتدي | -8 | ديسيبل | ||||
وظائف التشخيص الرقمية
المعلَمة | رمز | دقيقة | ماكس | وحدات | ملاحظات |
مراقب درجة الحرارة خطأ مطلق | Dmi-temp | -3 | 3 | ديغك | فوق نطاق درجة حرارة التشغيل |
جهد الإمداد شاشة خطأ مطلق | DMI _ VCC | -تقييم | 0.1 | V | فوق التشغيل الكامل النطاق |
قناة الطاقة RX رصد خطأ مطلق | Dmi-rxych | -2 | 2 | ديسيبل | 1 |
قناة التحيز شاشة حالية | Dmiebiasch | -تقييم | 10% | أماه | |
قناة TX السلطة شاشة خطأ مطلق | Dmi-txych | -2 | 2 | ديسيبل | 1 |
يتم تعريف الخصائص التشخيصية الرقمية التالية على ظروف التشغيل العادية ما لم ينص على خلاف ذلك.
ملاحظات:
4. بسبب دقة القياس للألياف المختلفة أحادية النمط ، يمكن أن يكون هناك تذبذب إضافي +/-1 ديسيبل ، أو دقة كلية +/- 3 ديسيبل.
رسم مخطط (مم)

التطبيقات
● شبكة 5G
● ○ ز إيثرنت
● الربط الشبكي بين المؤسسات
| Date | Version | Description | Download | ||
| 2025-03-17 | Datasheet-200g ER4 1310nm 40kmla-ot-200g-er4 | ||||
اشترك الآن ، يمكنك الحصول على الموارد القيمة والأوراق البيضاء.
تابعنا أيضا يمكن الحصول على أحدث المنتجات ومعلومات الصناعة في رسائل البريد الإلكتروني لأعضائنا.تعلم التفاصيل ، مجموعة
اتصل بنا:
البريد الإلكتروني لنا:
2106B ، # 3D ، المتربة 1 من منتزه السعودية ، بانتينة ، لندن ، شنان ، P.R.C