مصممة للاستخدام في وصلات إيثرنت 10 جيجابت حتى 80 من الألياف أحادية الوضع. تتكون الوحدة من ليزر CWDM EML ، APD ومكبر صوت مسبق في تجميع فرعي بصري عالي التكامل.
مصممة للاستخدام في وصلات إيثرنت 10 جيجابت حتى 80 من الألياف أحادية الوضع. تتكون الوحدة من ليزر CWDM EML ، APD ومكبر صوت مسبق في تجميع فرعي بصري عالي التكامل. تتوفر وظائف التشخيص الرقمية عبر واجهة تسلسلية من سلكين ، كما هو محدد في sff8472. ترتبط بيانات الوحدة النمطية حتى 80 في الألياف أحادية الوضع 9/125um.
الميزات
● متوافقة مع بصمة SFP ، و، SFP قابلة للتوصيل الساخن
● يدعم أسعار من من من من من من من ؟
● تبديد الطاقة> من W
● مصدر طاقة أحادي الطول
● الحد الأقصى لطول الرابط 80
● جهاز إرسال EML بطول موجي CWDM ، كاشف صور APD
● موصل LC مزدوج
● تبديد الطاقة> من W
● وظائف التشخيص الرقمية المدمجة
● نطاق درجة حرارة الحالة: 0 درجة مئوية إلى 70 درجة مئوية
المعيار
● متوافقة مع ، SFP MSA
● متوافقة مع SFP ، و RC
● متوافقة مع 802.3ae 10gbase.zr
التقييمات القصوى المطلقة
المعلَمة | رمز | دقيقة. | الطّبيب. | ماكس. | وحدة | ملاحظة |
درجة حرارة التخزين | Ts | -40 | 85 | درجة مئوية | ||
تخزين الرطوبة المحيطة | ها | 5 | 85 | % | ||
الجهد امدادات الطاقة | VCC | -تقييم | 4 | V | ||
جهد إدخال الإشارة | -موج | + سي سي دي | V | |||
عتبة تلف جهاز الاستقبال | + 4 | ديسيبل |
بيئة التشغيل
المعلَمة | رمز | دقيقة. | الطّبيب. | ماكس. | وحدة | ملاحظة |
حقيبة تشغيل درجة الحرارة | حافظة | 0 | 70 | درجة مئوية | ملاحظة (1) | |
الرطوبة المحيطة | ها | 5 | 85 | % | ||
مزود طاقة الجهد | VCC | 3.14 | 3.3 | 3.46 | V | |
مزود طاقة الحالي | ICC | 450 | أماه | |||
مزود طاقة رفض الضوضاء | 100 | MVp-p | 1 ميغاهرتز إلى 1 ميغاهرتز | |||
مسافة الإرسال | 80 | كم | ||||
ألياف مقرونة | ألياف أحادية الوضع | غي ز. 653 | ||||
ملاحظة: -10 degC من من من من من من وإلى تدفق الهواء
الخصائص البصرية
المعلَمة | رمز | دقيقة. | الطّبيب. | ماكس. | وحدة | ملاحظة |
مرسل | ||||||
متوسط إطلاق قوة | بو | -2 | 5 | ديسيبل | ملاحظة (1) | |
نسبة الانقراض | ER | 6 | ديسيبل | |||
الطول الموجي المركزي | Λc | 1470 | 1610 | نانومتر | ||
مساحة الطول الموجي المركزي | 20 | نانومتر | ||||
نطاق الطيف عرض (RMS) | Σ | 1.0 | نانومتر | |||
SMSR | 30 | ديسيبل | ||||
الارسال قبالة طاقة الإخراج | بوف | -40 | ديسيبل | |||
TX غضب (ذروة الذروة) | Txj | 0.1 | UI | |||
TX غضب (RMS) | Txjrms | 0.01 | UI | |||
الارسال و جزاء التفريق | TDP | 3.0 | ديسيبل | |||
قناع العين الناتج | متوافق مع iee 0802.3ae | |||||
جهاز استقبال | ||||||
المدخلات البصرية الطول الموجي | Λ | 1270 | 1610 | نانومتر | ||
حساسية جهاز الاستقبال | -22 | ديسيبل | ملاحظة (2) | |||
تشبع المدخلات الطاقة (الزائد) | بسات | -8 | ديسيبل | |||
لوس كشف- تأكيد الطاقة | PA | -36 | ديسيبل | |||
لوس كشف- ديستريس السلطة | PD | -23 | ديسيبل | |||
لوس كشف التباطؤ | فيس | 2 | ديسيبل | |||
ملاحظة:
1. الطاقة المطلقة (متوسط) هي الطاقة المقترنة في ألياف أحادية الوضع مع موصل. (قبل الحياة)
2. يقاس بإشارة اختبار المطابقة لبر = 10 ^-، PRBS = 2 ^ 31-1 ، NRZ
الخصائص الكهربائية
المعلَمة | رمز | دقيقة. | الطّبيب. | ماكس. | وحدة | ملاحظة | |
مرسل | |||||||
خط تفاضلي مقاومة المدخلات | رين | 100 | أوم | ||||
بيانات تفاضلية أرجوحة إدخال | VDT | 300 | 700 | MVp-p | |||
تعطيل الإرسال الجهد | Vdis | 2 | Vcc | V | Lvtl | ||
تمكين الإرسال الجهد | Ven | فيي | كل من | V | |||
جهاز استقبال | |||||||
بيانات تفاضلية أرجوحة خرج | VDR | 400 | 850 | MVp-p | ملاحظة (1) | ||
لوس الإخراج الجهد العالي | فلوش | فيي | كل من | V | Lvtl | ||
لوس الإخراج الجهد-منخفض | فلوسل | 2 | فتشوست | V | |||
ملاحظة: إلى إنهاء تفاضلي 100Ω.
وصف دبوس

دبوس | رمز | الاسم/الوصف | ملاحظة |
1 | فييت | أرضية جهاز الإرسال (مشتركة مع أرضية جهاز الاستقبال) | 1 |
2 | خطأ | خطأ الإرسال. | 2 |
3 | تدوس | تعطيل الارسال. خرج الليزر تعطيل على عالية أو مفتوحة. | 3 |
4 | سدا | خط بيانات الواجهة التسلسلية 2-سلك | 4 |
5 | SCL | 2-سلك واجهة تسلسلية خط الساعة | 4 |
6 | مودابس | وحدة غائبة. ترتكز داخل الوحدة | 4 |
7 | RS0 | حدد معدل 0 | 5 |
8 | لوس | فقدان إشارة الإشارة. يشير المنطق 0 إلى التشغيل العادي. | 6 |
9 | RS1 | لا يوجد اتصال مطلوب | 1 |
10 | فير | أرض الاستقبال (مشتركة مع أرضية جهاز الإرسال) | 1 |
11 | فير | أرض الاستقبال (مشتركة مع أرضية جهاز الإرسال) | 1 |
12 | RD- | استقبال البيانات المقلوبة. تيار متردد يقترن | |
13 | RD | استقبال بيانات غير مقلوبة. تيار متردد يقترن | |
14 | فير | أرض الاستقبال (مشتركة مع أرضية جهاز الإرسال) | 1 |
15 | Vcr | مصدر طاقة جهاز الاستقبال | |
16 | فكت | مصدر طاقة للمرسل | |
17 | فييت | أرضية جهاز الإرسال (مشتركة مع أرضية جهاز الاستقبال) | 1 |
18 | TD | جهاز إرسال بيانات غير مقلوبة في. AC يقترن. | |
19 | TD- | الارسال مقلوب البيانات في. AC يقترن. | |
20 | فييت | أرضية جهاز الإرسال (مشتركة مع أرضية جهاز الاستقبال) | 1 |
ملاحظات:
1. خطأ TX هو مخرج جامع مفتوح ، يجب سحبه بمقاوم k ~ 10kΩ على اللوحة المضيفة إلى جهد بين V و Vcc V. يشير المنطق 0 إلى التشغيل العادي ؛ يشير المنطق 1 إلى وجود خطأ ليزر من نوع ما. في الحالة المنخفضة ، سيتم سحب المخرجات إلى أقل من ، أقل من ، V.
2. TX تعطيل هو أحد المدخلات التي يتم استخدامها لإغلاق الإخراج البصري للمرسل. يتم سحبه لأعلى داخل الوحدة مع مقاوم من ، k ~ 10kΩ. دولها هي:
منخفض (0 ~ ، V): جهاز إرسال يعمل
(> من من من من ؟ ؟ ؟ V): غير محدد
جهاز إرسال عالي (~ من من من من أجل الحياة): معطل
فتح: الارسال تعطيل
3. ، 2 هي دبابيس تعريف الوحدة النمطية. يجب سحبها مع مقاوم ، مقاوم من ~ 10kΩ على اللوحة المضيفة. يجب أن يكون جهد السحب VccT أو VccR.
تم تأريض 0 بواسطة الوحدة للإشارة إلى أن الوحدة موجودة
X 1 هو خط الساعة لواجهة تسلسلية سلكين للمعرف التسلسلي
2 هو خط بيانات من سلكين واجهة تسلسلية للمعرف التسلسلي
4. LOS هو مخرج جامع مفتوح ، والذي يجب سحبه باستخدام مقاوم ~ 10kΩ للوحة المضيفة إلى جهد بين V و Vcc V. يشير المنطق 0 إلى التشغيل العادي ؛ ويشير المنطق 1 إلى فقدان الإشارة. في الحالة المنخفضة ، سيتم سحب المخرجات إلى أقل من ، أقل من ، V.
5. هذه هي مخرجات الاستقبال التفاضلية. وهي خطوط تفاضلية داخلية مع تيار متردد 100Ω والتي يجب إنهاؤها بـ 100Ω (تفاضلي) في سيردس المستخدم.
6. هذه هي مدخلات الإرسال التفاضلية. إنها خطوط تفاضلية مع إنهاء تفاضلي 100Ω داخل الوحدة.
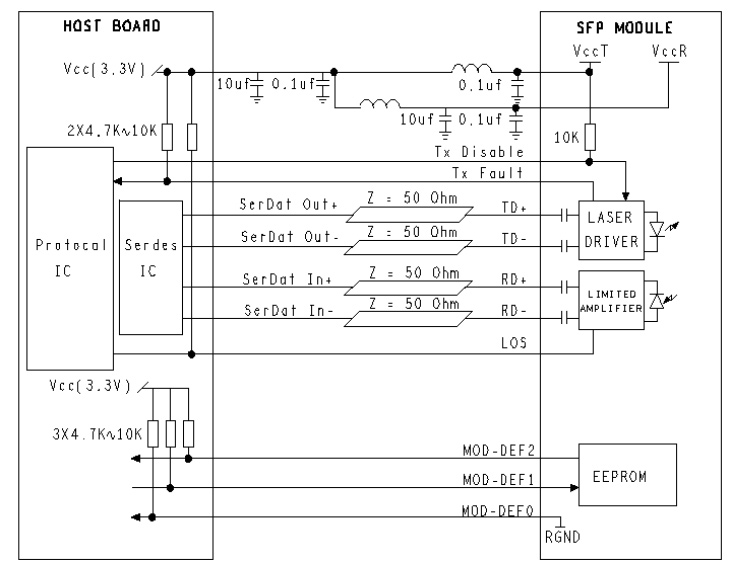
دائرة تطبيق موصى بها
رسومات مخطط (مم)
الامتثال التنظيمي
ميزة | المرجع | الأداء |
ديسج إلكتروستاتيكي (ESD) | IEC/EN-4-2 | متوافق مع المعايير |
تداخل كهرومغناطيسي (EMI) | FCC الجزء 15 من الفئة B EN Class B (CISPR 22A) | متوافق مع المعايير |
سلامة العين بالليزر | FDA 21CFR, our IEC/EN-1, 2 | منتج ليزر فئة 1 |
التعرف على المكونات | IEC/EN our ، UL | متوافق مع المعايير |
روهس | أفضل/95/EC | متوافق مع المعايير |
EMC | EN61000-3 | متوافق مع المعايير |
استخدام
● 10G قاعدة-zr/ZW 10G إيثرنت
| Date | Version | Description | Download | ||
| 2025-03-17 | Datasheet-10g CWDM SFP 1470nm ~ 1610nm | ||||
اشترك الآن ، يمكنك الحصول على الموارد القيمة والأوراق البيضاء.
تابعنا أيضا يمكن الحصول على أحدث المنتجات ومعلومات الصناعة في رسائل البريد الإلكتروني لأعضائنا.تعلم التفاصيل ، مجموعة
اتصل بنا:
البريد الإلكتروني لنا:
2106B ، # 3D ، المتربة 1 من منتزه السعودية ، بانتينة ، لندن ، شنان ، P.R.C