حزمة SFP مع موصل LC ، ليزر DFB 1310 نانومتر وكاشف صور دبوس.
الميزات
● حزمة SFP مع موصل LC
● 1310nm DFB ليزر ودبوس كاشف الصور
● حتى الارسال من على SMF
● تبديد الطاقة أقل من 1 واط
● واجهة إدخال/إخراج بيانات متوافقة مع LVPECL
● انخفاض EMI وحماية ESD ممتازة
● معيار سلامة الليزر المتوافق
● متوافق مع RoHS
● متوافق مع SFF8472
المعلَمة | رمز | الحد الأدنى | أقصى | وحدات |
درجة حرارة التخزين | Tst | -40 | + 85 | درجة مئوية |
جهد الإمداد | Vcc | 0 | + تقييم | V |
الرطوبة النسبية للتشغيل | RH | 0 | 85 | % |
بيئة التشغيل
المعلَمة | رمز | دقيقة | نموذجي | ماكس | وحدات | |
جهد الإمداد | Vcc | 3.15 | 3.45 | V | ||
درجة حرارة حالة التشغيل | تجاري | Tc | 0 | + 70 | درجة مئوية | |
تبديد الطاقة | 1 | ث | ||||
معدل البيانات | 10.3125 | Gbps | ||||
الخصائص البصرية
(درجة حرارة التشغيل المحيطة 0 درجة مئوية إلى + 70 درجة مئوية ، Vcc = ، V)
المعلَمة | رمز | دقيقة. | الطّبيب. | ماكس. | وحدات |
قسم الارسال | |||||
الطول الموجي المركزي | لو | 1290 | 1310 | 1330 | نانومتر |
نسبة قمع الوضع الجانبي | SMSR | 35 | - | - | ديسيبل |
متوسط انتاج الطاقة | بو | -8 | - | 0.5 | ديسيبل |
نسبة الانقراض | Er | 3.5 | - | - | ديسيبل |
جزاء التفريق | 3.2 | ديسيبل | |||
ضجيج الكثافة النسبية | RIN12OMA | -من | ديسيبل/هرتز | ||
إجمالي ارتعاش | تي جي | ايي 802.3ae | |||
قسم الاستقبال | |||||
الطول الموجي المركزي | لو | 1310 | نانومتر | ||
حساسية جهاز الاستقبال | رسن | -14 | ديسيبل | ||
حساسية متوترة | رسن | -13 | ديسيبل | ||
الزائد المتلقي | روف | -3 | ديسيبل | ||
خسارة الإرجاع | 12 | ديسيبل | |||
لوس تأكيد | لوسا | -25 | ديسيبل | ||
حلوى لوس | لوسد | -15 | ديسيبل | ||
لوس التباطؤ | 0.5 | 4 | |||
الخصائص الكهربائية
(درجة حرارة التشغيل المحيطة 0 درجة مئوية إلى 70 درجة مئوية ، Vcc = av)
المعلَمة | رمز | دقيقة. | الطّبيب. | ماكس. | وحدة | |
قسم الارسال | ||||||
مدخل معاقة تفاضلية | زين | 90 | 100 | 110 | أوم | |
فرق متأرجح لمدخل البيانات | فين | 180 | 700 | MV | ||
TX تعطيل | تعطيل | 2.0 | Vcc | V | ||
تمكين | 0 | 0.8 | V | |||
خطأ TX | تأكيد | 2.0 | Vcc | V | ||
ديريزي | 0 | 0.8 | V | |||
قسم الاستقبال | ||||||
معاقة تفاضلية الناتج | زوت | 100 | أوم | |||
خرج البيانات سوينغ التفاضلية | فاوت | 300 | 800 | MV | ||
Rx_ los | تأكيد | 2.0 | Vcc | V | ||
ديريزي | 0 | 0.8 | V | |||
التشخيص
المعلَمة | النطاق | الدقة | وحدة | معايرة |
درجة الحرارة | -10 ~ 75 | ± 5 | درجة مئوية | داخلي |
الجهد | ، ~ ، من | ± من | V | داخلي |
تيار متحيز | 10 ~ 80 | ± 2 | أماه | داخلي |
طاقة Tx | -8 ~ 1 | ± 2 | ديسيبل | داخلي |
Rx السلطة | -16 ~ -3 | ± 3 | ديسيبل | داخلي |
معلومات EEPROM (A0)
ادر | حجم الحقل (بايت) | اسم الحقل | سداسية | الوصف |
0 | 1 | معرّف | 03 | سفب |
1 | 1 | تحويلة. معرّف | 04 | MOD4 |
2 | 1 | موصل | 07 | LC |
3-10 | 8 | الإرسال | 10 00 00 00 00 00 00 00 00 | رمز الارسال |
11 | 1 | ترميز | 06 | 64 ب 66 ب |
12 | 1 | ر ، الاسمية | 67 | حسم في الثانية |
13 | 1 | محجوز | 00 | |
14 | 1 | طول (9um)-km | 0 أ | |
15 | 1 | طول (9um) | 00 | |
16 | 1 | طول (50um) | 00 | |
17 | 1 | طول (62.5um) | 00 | |
18 | 1 | طول (النحاس) | 00 | |
19 | 1 | محجوز | 00 | |
20-35 | 16 | اسم البائع | 57 49 4E 54 4F 50 20 20 20 20 20 20 20 20 20 20 | OEM |
36 | 1 | محجوز | 00 | |
37-39 | 3 | بائع OUI | 00 00 00 | |
40-55 | 16 | بائع PN | Xx xx xx xx xx Xx xx xx xx xx | ASC الثاني |
56-59 | 4 | البائع ريف | 31 2E 30 20 | V1.0 |
60-61 | 2 | الطول الموجي | 05 1 ه | 1310 نانومتر |
62 | 1 | محجوز | 00 | |
63 | 1 | قاعدة سي سي | XX | تحقق من مجموع البايت 0 ~ 62 |
64-65 | 2 | خيارات | 00 1 أ | لوس ، tx_ تعطيل ، tx_ خطأ |
66 | 1 | BR, max | 00 | |
67 | 1 | BR ، دقيقة | 00 | |
68-83 | 16 | بائع SN | 00 00 00 00 00 00 00 00 00 00 00 00 00 00 00 00 00 00 00 00 | غير محدد |
84-91 | 8 | رمز تاريخ البائع | XX XX 20 | عام ، شهر ، يوم |
92-94 | 3 | محجوز | 00 | |
95 | 1 | Ccext _ | XX | تحقق من مجموع البايت 64 ~ 94 |
96-في | 160 | بائع محدد |
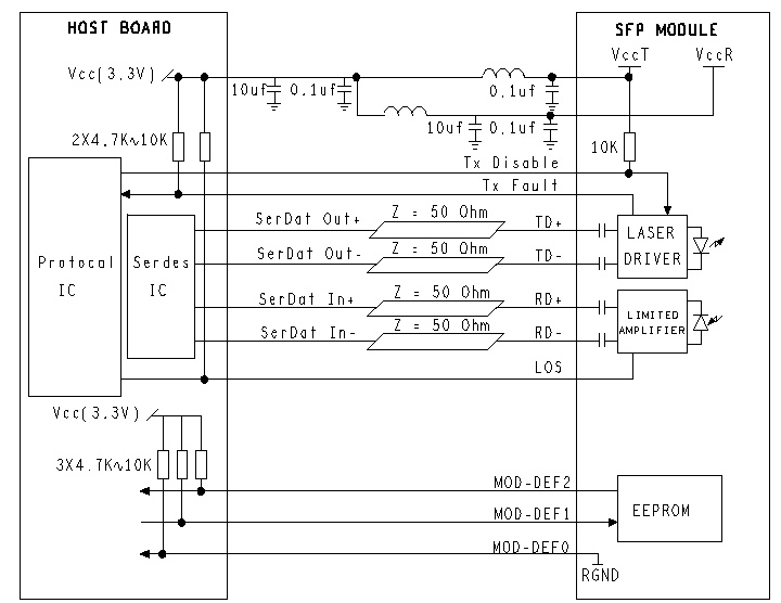
وصف دبوس
دبابيس | الاسم | الوصف | ملاحظة |
1 | فييت | جهاز إرسال أرضي | |
2 | خطأ Tx | إشارة خطأ الارسال | 1 |
3 | Tx تعطيل | تعطيل الارسال | 2 |
4 | MOD DEF2 | تعريف الوحدة 2 | 3 |
5 | MOD DEF1 | تعريف الوحدة 1 | 3 |
6 | وزارة الدفاع DEF0 | تعريف الوحدة 0 | 3 |
7 | RS0 | غير متصل | |
8 | لوس | فقدان الإشارة | 4 |
9 | RS1 | غير متصل | |
10 | فير | جهاز استقبال أرضي | |
11 | فير | جهاز استقبال أرضي | |
12 | RD- | Inv. خرج البيانات المستلمة | 5 |
13 | RD | إخراج البيانات iالمتلقاة | 5 |
14 | فير | جهاز استقبال أرضي | |
15 | Vcr | طاقة جهاز الاستقبال | |
16 | فكت | طاقة جهاز الإرسال | |
17 | فييت | جهاز إرسال أرضي | |
18 | TD | إدخال بيانات الإرسال | 6 |
19 | TD- | Inv. إدخال بيانات الإرسال | 6 |
20 | فييت | جهاز إرسال أرضي |
ملاحظات:
1. خطأ TX هو مخرج جامع مفتوح ، يجب سحبه بمقاوم k ~ 10kΩ على اللوحة المضيفة إلى جهد بين V و Vcc V. يشير المنطق 0 إلى التشغيل العادي ؛ يشير المنطق 1 إلى وجود خطأ ليزر من نوع ما. في الحالة المنخفضة ، سيتم سحب المخرجات إلى أقل من ، أقل من ، V.
2. TX تعطيل هو أحد المدخلات التي يتم استخدامها لإغلاق الإخراج البصري للمرسل. يتم سحبه لأعلى داخل الوحدة مع مقاوم من ، k ~ 10kΩ. دولها هي:
منخفض (0 ~ ، V): جهاز إرسال يعمل
(> من من من من ؟ ؟ ؟ V): غير محدد
جهاز إرسال عالي (من ~ من من من أجل الحياة): معطل
فتح: الارسال تعطيل
3. ، 2 هي دبابيس تعريف الوحدة النمطية. يجب سحبها مع مقاوم ، مقاوم من ~ 10kΩ على اللوحة المضيفة. يجب أن يكون جهد السحب VccT أو VccR.
تم تأريض 0 بواسطة الوحدة للإشارة إلى أن الوحدة موجودة
X 1 هو خط الساعة لواجهة تسلسلية سلكين للمعرف التسلسلي
2 هو خط بيانات من سلكين واجهة تسلسلية للمعرف التسلسلي
4. LOS هو مخرج جامع مفتوح ، والذي يجب سحبه باستخدام مقاوم ~ 10kΩ للوحة المضيفة إلى جهد بين V و Vcc V. يشير المنطق 0 إلى التشغيل العادي ؛ ويشير المنطق 1 إلى فقدان الإشارة. في الحالة المنخفضة ، سيتم سحب المخرجات إلى أقل من ، أقل من ، V.
5. هذه هي مخرجات الاستقبال التفاضلية. وهي خطوط تفاضلية داخلية مع تيار متردد 100Ω والتي يجب إنهاؤها بـ 100Ω (تفاضلي) في سيردس المستخدم.
6. هذه هي مدخلات الإرسال التفاضلية. إنها خطوط تفاضلية مع إنهاء تفاضلي 100Ω داخل الوحدة.
دائرة تطبيق موصى بها

رسم مخطط (مم)

استخدام
● إيثرنت
● قناة الألياف
| Date | Version | Description | Download | ||
| 2025-03-17 | Datasheet10g SFP r 1310nm من من من من من | ||||
اشترك الآن ، يمكنك الحصول على الموارد القيمة والأوراق البيضاء.
تابعنا أيضا يمكن الحصول على أحدث المنتجات ومعلومات الصناعة في رسائل البريد الإلكتروني لأعضائنا.تعلم التفاصيل ، مجموعة
اتصل بنا:
البريد الإلكتروني لنا:
2106B ، # 3D ، المتربة 1 من منتزه السعودية ، بانتينة ، لندن ، شنان ، P.R.C